EasyManua.ls Logo

Comelit MT SB2 01 - Wiring Diagrams: Powercom Video Systems; 1-Door Powercom Video Entrance (SB2 V;01)

Comelit MT SB2 01
Print Icon
To Next Page IconTo Next Page
To Next Page IconTo Next Page
To Previous Page IconTo Previous Page
To Previous Page IconTo Previous Page
Loading...
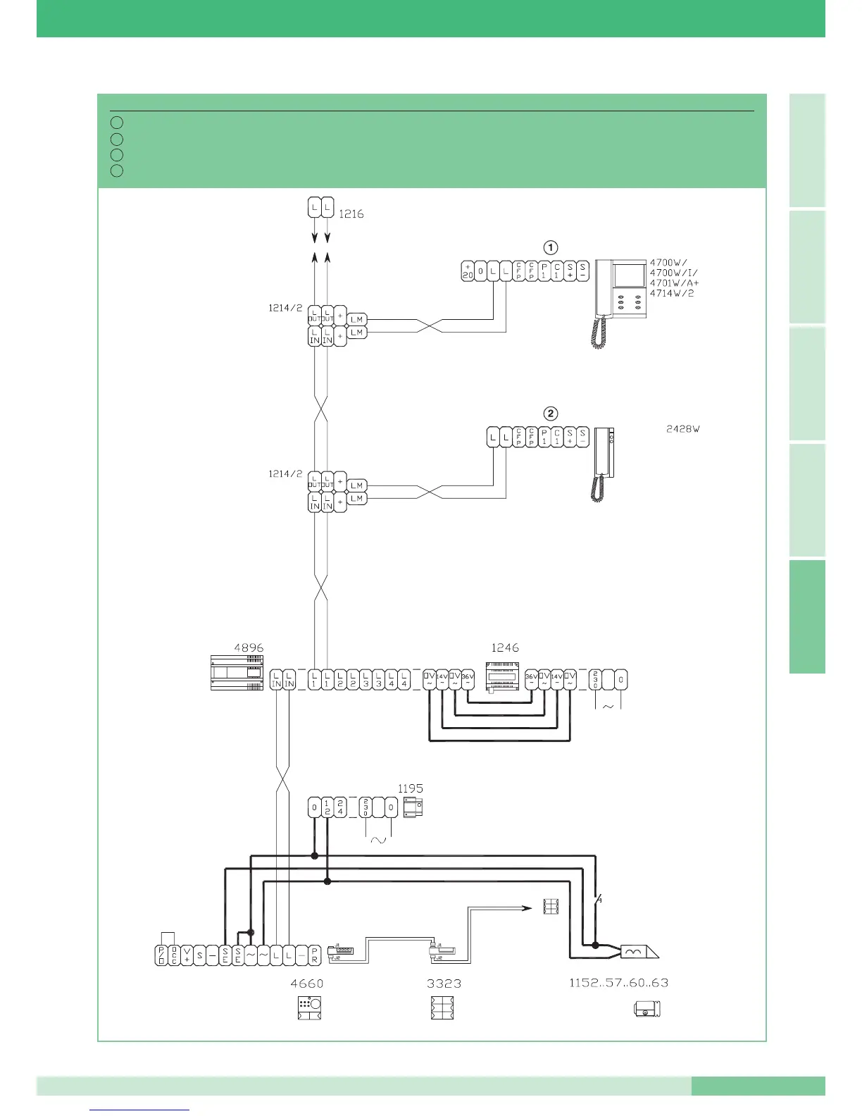
Impianto 1 porta video Serie Powercom.
System with 1 Powercom Series video entrance.
Installation avec 1 porte vidéo Série Powercom.
Installatie 1 video entreepaneel Serie Powercom.
SB2V/01
I
GB
F
NL
MT SB2 01
91
MT SB2 01
ITALIANOENGLISH
FRANÇAIS
NEDERLANDSA

Table of Contents

Related product manuals