EasyManua.ls Logo

Commax DRC-481L - Guardhouse Communication Wiring

Commax DRC-481L
53 pages
Print Icon
To Next Page IconTo Next Page
To Next Page IconTo Next Page
To Previous Page IconTo Previous Page
To Previous Page IconTo Previous Page
Loading...
- 47-
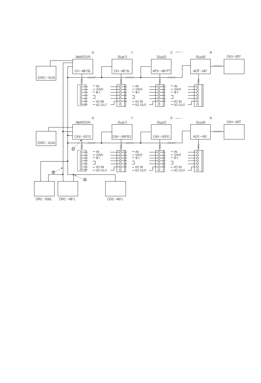
16) Installing Numerous Videophones in a Household
NOTE
1. : Guardhouse Line (8-wire Common)
: Main Entrance Line (4-wire Common)
: Sub Extension (6-wire Common)
2. When registering the Multi Sub number, ADT-481 will not be recognized as the Master and should be
installed last as shown above.
3. Various types of sensors should be connected to the Master, and sensors of the remaining Subs should be
connected with the + wire and the sensor line: if the two lines are not connected, the Away mode will not
function.
Bk
Br
R
Or
Y
G
B
Bk
Br
R
Or
Y
G
B
Bk
Br
R
Or
Y
G
B
Bk
Br
R
Or
Y
G
B
Bk
Br
R
Or
Y
G
B
Bk
Br
R
Or
Y
G
B
Household
Camera
Household
Camera
Multysub Number
Loby Talk
Loby Talk Loby Talk Loby Talk
Loby Talk Loby Talk
Multysub Number Multysub Number Multysub Number Multysub Number
Multysub Number Multysub Number Multysub Number

Related product manuals