EasyManua.ls Logo

Comtrol DEVICE MASTER RTS - Mounting the RTS

Comtrol DEVICE MASTER RTS
38 pages
Print Icon
To Next Page IconTo Next Page
To Next Page IconTo Next Page
To Previous Page IconTo Previous Page
To Previous Page IconTo Previous Page
Loading...
Appendix A. RTS 1-Port Embedded System Installation 34
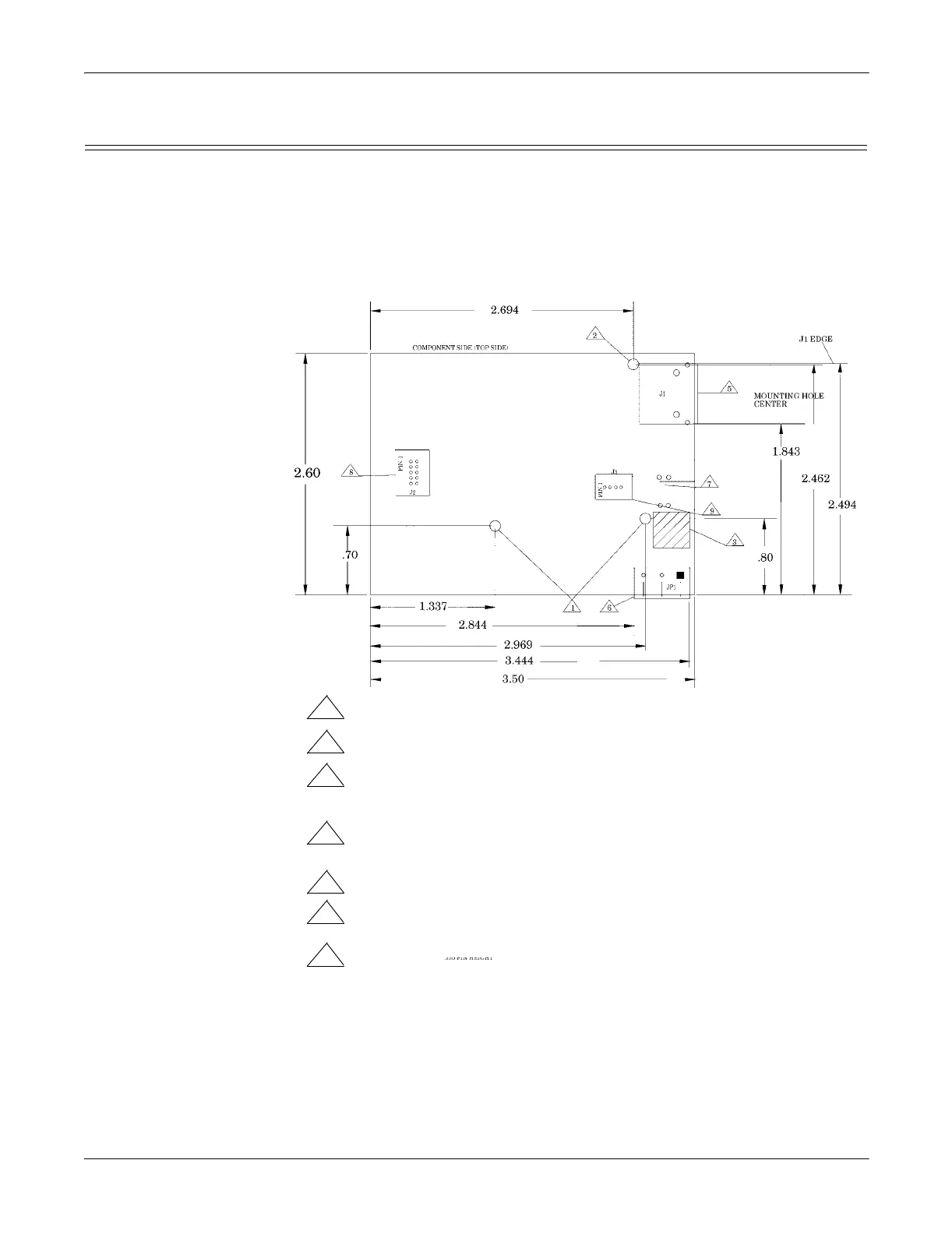
Mounting the RTS
Mounting the RTS
Use the following procedure to mount the RTS 1-Port Embedded.
1. Carefully remove the RTS from the anti-static bag, following standard
electrostatic device handling procedures.
Note: Write down the MAC address located on a label on the bottom (solder
side) center of the RTS because you may need it during configuration.
2. Mount the RTS as appropriate for your environment using 1/4” stand-offs to
separate the RTS from the base.
Note: The maximum diameter of the metal stand-offs should be 0.175” with a
4-40 machine screw.
Chassis ground connection through the power cable: stand-offs can
be metal or plastic.
No Chassis ground connection through power supply: stand-offs
must be metal.
1 Non-plated/non-grounded mounting holes 0.116” diameter (+/-0.003”).
2
Plated/chassis grounded mounting hole 0.116” diameter (+/-0.003”).
3
WARNING: Holes in hatched area are not mounting holes.
4 Maximum component height above board is 0.55”.
5
Ethernet connection J1: J1 overhangs board edge by 0.14” and the
the height is 0.55”.
7
LED light pipe mounting holes.
8
Serial port connector J2: 0.1” pin spacing, 0.025” square pin diameter,
and 0.230” pin height.
9
Debug port connector J3: 0.1” pin spacing, 0.025” square pin diameter,
and 0.230” pin height.

Table of Contents

Related product manuals