EasyManua.ls Logo

Contec SPC-8520-LA - RS-422; RS-485 Specifications

Contec SPC-8520-LA
92 pages
Print Icon
To Next Page IconTo Next Page
To Next Page IconTo Next Page
To Previous Page IconTo Previous Page
To Previous Page IconTo Previous Page
Loading...
3. Hardware Installations
SPC-8520-LA, SPC-8521-LA
19
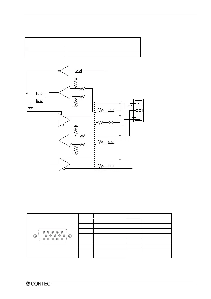
RS-422 / RS-485 specifications
Table 3.7. RS-422A/RS-485 specifications
Transmission system Asynchronous, half-/full-duplex serial transmission
conforming to RS-422A/RS-485
Baud rate 50 - 115,200bps (programmable)
Signal extensible distance 1.2km Max.
RTS#
JP2: 7-8
TXD
D
JP2: 5-6
JP2: 4-6
R
RXD
47
k
6.2
k
6.2
k
47
k
R
CTS#
47
k
6.2
k
6.2
k
47
k
RTS#
D
JP1: 3-4
120 Ω
JP1: 1-2
120 Ω
JP1: 7-8
120 Ω
10 5
61
JP1: 5-6
120 Ω
+5V
Terminating Resister
Figure 3.1. RS-422A / RS-485 Setting
VGA Connector: CNV1
It is a VGA (Analog RGB) connector. The pin assignments are as follows:
Table 3.8. VGA Connector (CN13)
PIN No. Function PIN No. Function
1
Red
2
Green
3Blue4N.C.
5 GND 6 GND
7 GND 8 GND
9 VCC 10 GND
11 N.C. 12 DDC data
13 H-Sync 14 V-Sync
1
6
11
5
10
15
15 DDC clock 16 N.C.