EasyManua.ls Logo

Control Techniques Unidrive 1404 - Page 133

Control Techniques Unidrive 1404
208 pages
Print Icon
To Next Page IconTo Next Page
To Next Page IconTo Next Page
To Previous Page IconTo Previous Page
To Previous Page IconTo Previous Page
Loading...
Safety
Information
Product
Information
Mechanical
Installation
Electrical
Installation
Getting
Started
Menu 0
Running
the motor
Optimisation Macros
Advanced
Parameters
Technical
Data
Diagnostics
UL Listing
Information
Unidrive User Guide 133
Issue Number: 9 www.controltechniques.com
+
_
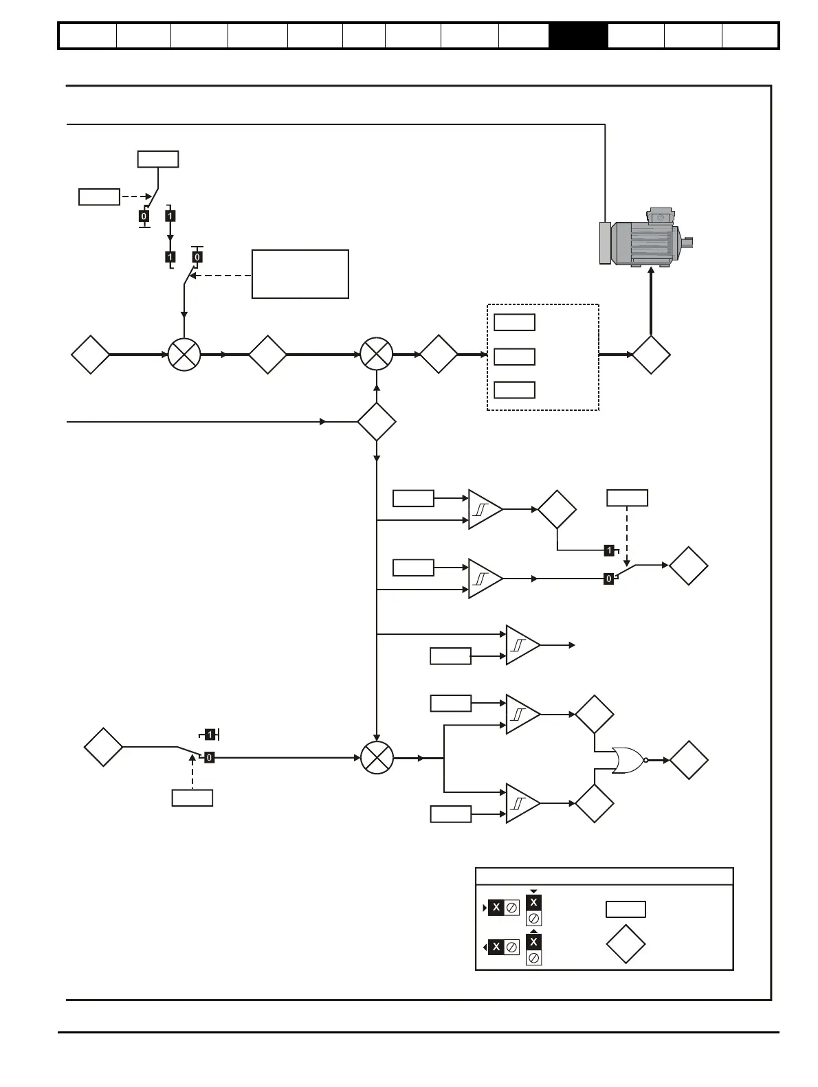
3.02
Speed
feedback
3.03
Speed error
3.10
Speed loop
proportional
gain
3.11
Speed loop
integral
gain
3.12
Speed loop
derivative
gain
3.04
Speed loop
output
+
_
Overspeed trip
(OV.SPd)
3.08
Overspeed
threshold
+
_
3.06
10.05
Below at-speed
window indicator
At speed
lower limit
+
_
3.07
10.07
Above at-speed
window indicator
At speed
upper limit
+
_
10.06
At speed
indicator
1.03
Pre ramp
reference
3.09
Absolute at-speed
detect mode
3.01
Final speed
demand
2.01
Post ramp
reference
+
+
3.19
Hard speed
reference*
3.20
NOR
+
_
3.05
10.03
At zero speed
indicator
Zero speed
threshold
+
_
1.07
10.04
At or below min.
speed indicator
Minimum
speed
1.10
Bipolar reference
select
0.XX
0.XX
Key
Read-write (RW)
parameter
Read-only (RO)
parameter
Input
terminals
Output
terminals
The parameters are all shown at their default settings
Hard speed
reference
select*
Drive sequencer
Pr or position
controller when
Pr = rP-POS (3)
1.11
6.01
* For more information, refer to section 10.22.8 Position loop modes on page 188.

Table of Contents

Related product manuals