EasyManua.ls Logo

Cooper Power Systems NOVA 15 - Page 28

Cooper Power Systems NOVA 15
28 pages
Print Icon
To Previous Page IconTo Previous Page
To Previous Page IconTo Previous Page
Loading...
Type NOVA Three-Phase, Microprocessor-Controlled Recloser Installation and Operation Instructions
2300 Badger Drive
Waukesha, WI 53188 USA
www.cooperpower.com
©2011 Cooper Industries. All rights reserved.
Cooper Power Systems, Kyle,
and NOVA
are valuable trade-
marks of Cooper Industries in the U.S. and other countries.
You are not permitted to use Cooper trademarks without the
prior written consent of Cooper Industries.
ANSI
®
is a registered trademark of the American National
Standards Institute.
IEEE Std C37.60™-2003 standard is a trademark of the
Institute of Electrical and Electronics Engineers, Inc., (IEEE).
This product is not endorsed or approved by the IEEE.
IEEE
®
is a registered trademark of the Institute of Electrical
and Electronics Engineers, Inc., (IEEE). This publication is not
endorsed or approved by the IEEE.
KA2048-588 Rev: 10
!
SAFETY
NOW
!
SAFETY
FIRST
!
SAFETY
FOR YOUR SAKE
!
SAFETY
MAKES SENSE
!
SAFETY
USE IT
!
SAFETY
FOR LIFE
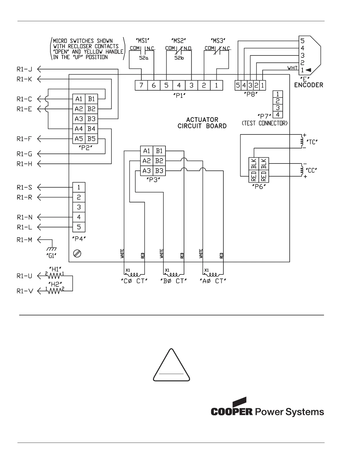
Figure 27.
Wiring diagram for NOVA recloser with Type B, C, D, E, or J mechanism with control-powered interface.