EasyManua.ls Logo

Cornelius CB2323 - Plumbing and Wiring Diagram 8 Valves (Lean Units)

Cornelius CB2323
42 pages
Print Icon
To Next Page IconTo Next Page
To Next Page IconTo Next Page
To Previous Page IconTo Previous Page
To Previous Page IconTo Previous Page
Loading...
IntelliCarb Drop-In Ice Cooled Installation Guide
Publication Number: 630460204INS - 22 - © 2003-2017, Cornelius Inc.
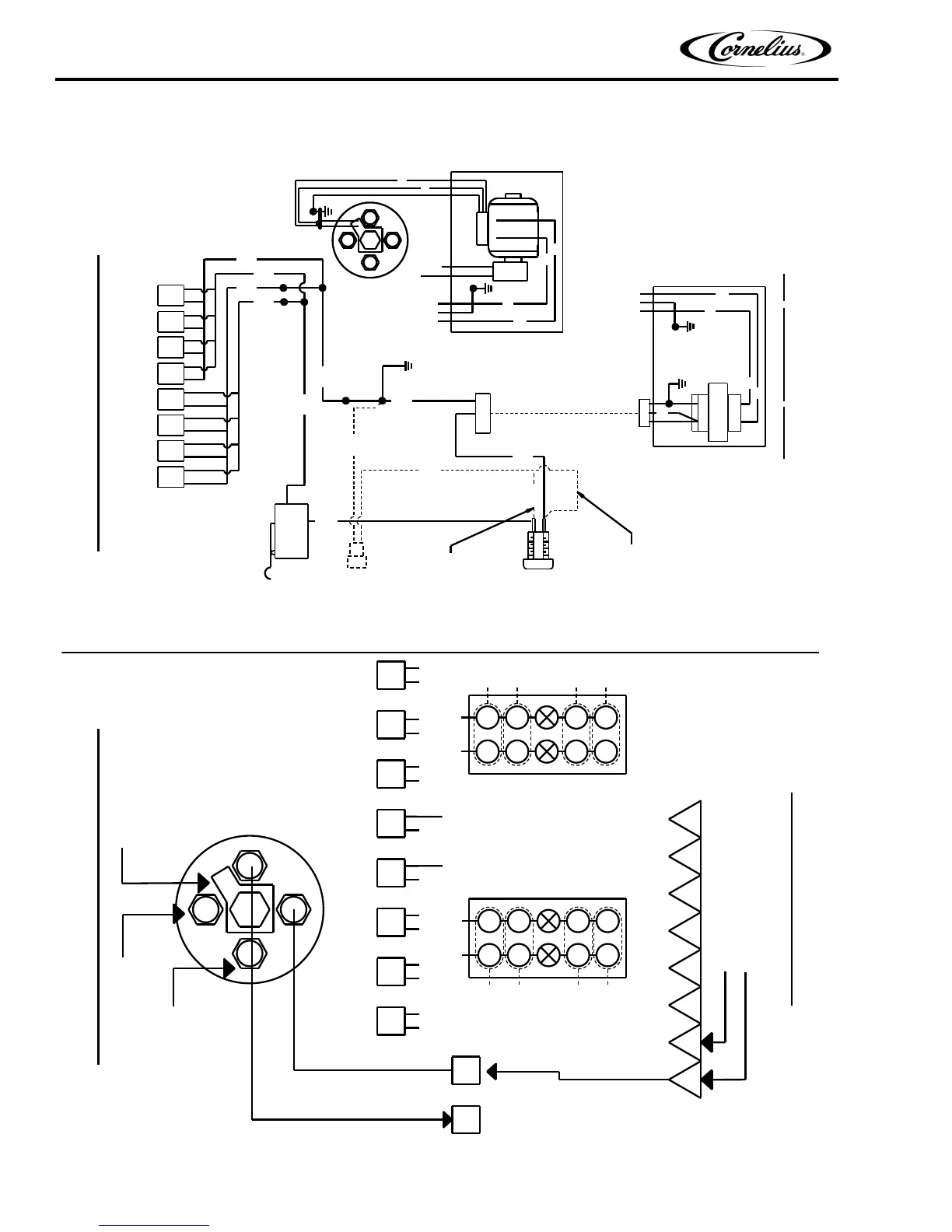
Plumbing and Wiring diagram 8 valves (Lean Units)
CARBONATOR
BKBK
WH WH
GRND
BK
CIRCUIT BOARD
WH
WH
GRND
GROUND
WIRE
115 VAC
SUPPLY
POWER
WATER IN
WATER OUT - S
WH
PUMP
125 GPHB
BK
BK
WH
POWER
115 VAC
SUPPLY
GRND
GRND
REMOTE MOTOR/PUMP BOX
NO
VALVE
24 VAC
VALVES
SODA
PROBE
BK
WH
BK
WH
BK
SWITCH
WIRE HARNESS
TO HAVE
(SOME UNITS)
CONNECTION
OPTIONAL
24 VAC MERCH.
COM
BK
BK
24 VAC
1
3
2
WH
BK
BK
OUTLET
KEY
CONTROLLED
BY KEYSWITCH
LIGHTED
OPTIONAL
SWITCH
HAVE MERCHANDISER
CONNECTION TO
MERCHANDISER
3
2
1
876
WATER
534
8M87
W8
W7
M8M7
M6 6
W6
M6
M7
S8
S7
S6
AMBIENT
SYRUP
AMBIENT
SYRUP
M5
W1
M43M3
W1
W4
M4
SR
S4
SL
S5
W5
M5
MANIFOLD RIGHT
LOCKOUT
WIRING DIAGRAM
24 VAC
PLUG
VALVE WIRE HARNESS
BK
WH
WH
8763
REMOTE TRANSFORMER BOX
BK
CONTINUOUSLY
CO-2
VALVE
GAS
WATER IN
SODA OUT
21
PRE-CHILL
POST-CHILL
SL SR
2M21M1
W1
M1
W2
M2
S3S1
S2
2
W1
1S
COLDPLATE INLETS
DISPENSING VALVES
PLUMBING DIAGRAM
(FRONT VIEW)
8 VALVE UNIT
CARBONATOR
FROM MOTOR/PUMP
PLAIN WATER
MANIFOLD LEFT
W3
M3

Related product manuals