EasyManua.ls Logo

Cornelius CB2323 - Cold Plate Plumbing & Wiring Diagram for CB2323 6 Valve

Cornelius CB2323
42 pages
Print Icon
To Next Page IconTo Next Page
To Next Page IconTo Next Page
To Previous Page IconTo Previous Page
To Previous Page IconTo Previous Page
Loading...
IntelliCarb Drop-In Ice Cooled Installation Guide
Publication Number: 630460204INS - 24 - © 2003-2017, Cornelius Inc.
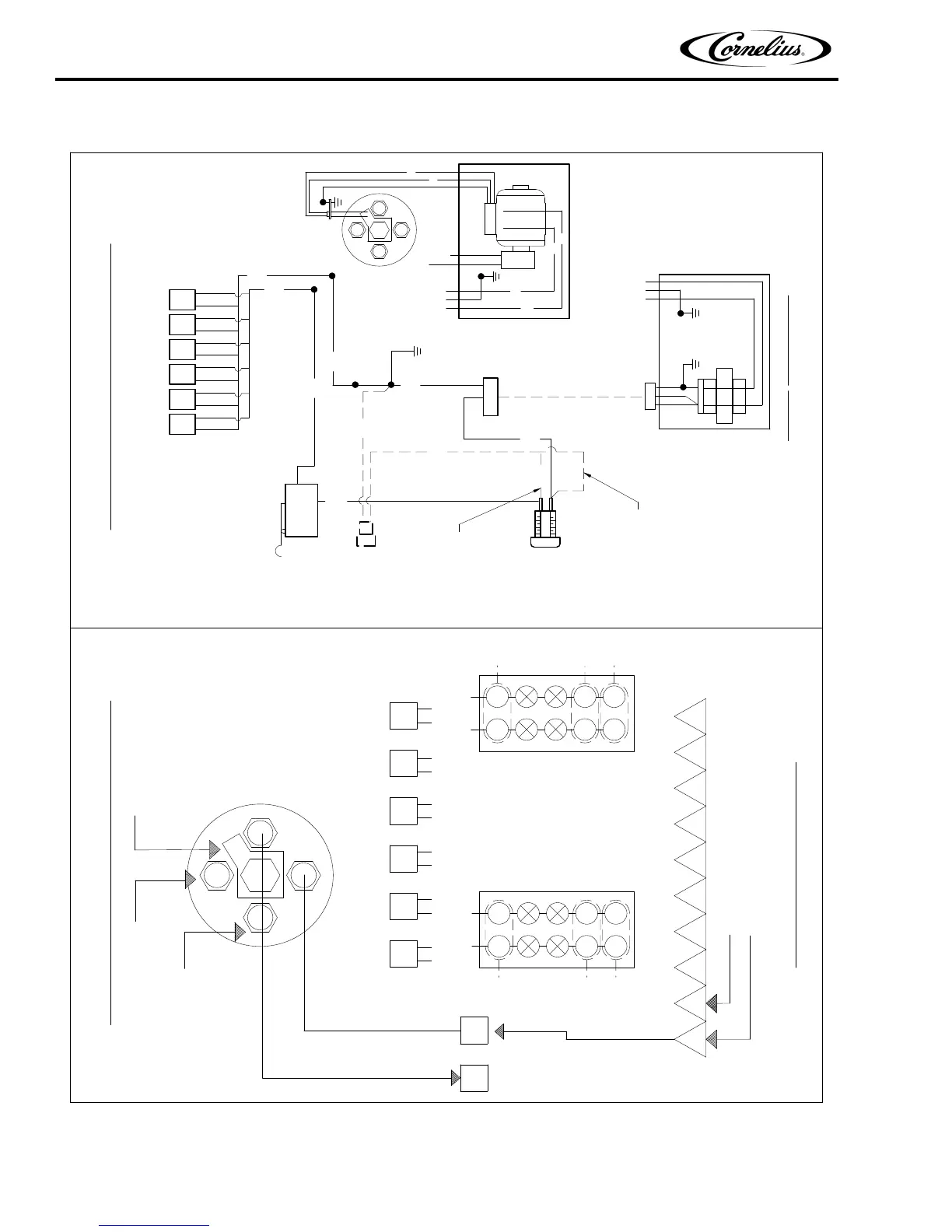
Cold Plate Plumbing & Wiring Diagram for CB2323 6 valve
CONTINUOUSLY
REMOTE TRANSFORMER BOX
PLUG
24 VAC
VALVE WIRE HARNESS
GRND
LOCKOUT
3
2
1
MERCHANDISER
HAVE MERCHANDISER
CONNECTION TO
SWITCH
OPTIONAL
LIGHTED
CONTROLLED
BY KEYSWITCH
KEY
OUTLET
2
3
1
24 VAC
BK
BK
COM
24 VAC MERCH.
(SOME UNITS)
CONNECTION
TO HAVE
OPTIONAL
SWITCH
WIRE HARNESS
BK
WH
BK
WH
BK
VALVE
NO
24 VAC
VALVES
REMOTE MOTOR/PUMP BOX
GRND
SUPPLY
115 VAC
POWER
WH
BK
BK
PUMP
125 GPHB
WH
WATER OUT - S
WATER IN
115 VAC
POWER
SUPPLY
WIRE
GROUND
GRND
WH
WH
CIRCUIT BOARD
BK
GRND
WH
BK
CARBONATOR
MANIFOLD LEFT
PLAIN WATER
FROM MOTOR/PUMP
CARBONATOR
6 VALVE UNIT
(FRONT VIEW)
PLUMBING DIAGRAM
DISPENSING VALVES
2
COLDPLATE INLETS
S
W1
1
M3
S3
W3
W2
M2
S2
M1
W1
S1
SL SR
POST-CHILL
PRE-CHILL
1
W1
SL
M1 1 M2
SODA OUT
WATER IN
GAS
VALVE
CO-2
23 456
WIRING DIAGRAM
M4
W4
S4
M5
W5
MANIFOLD RIGHT
S6
W6
M6
S5
M5
34
M3234M4
WATER
56
SR
5M66
W1
PROBE
SODA
Figure 17.

Related product manuals