EasyManua.ls Logo

Craftsman 536.884821 - Engine Components Repair Parts

Craftsman 536.884821
44 pages
Print Icon
To Next Page IconTo Next Page
To Next Page IconTo Next Page
To Previous Page IconTo Previous Page
To Previous Page IconTo Previous Page
Loading...
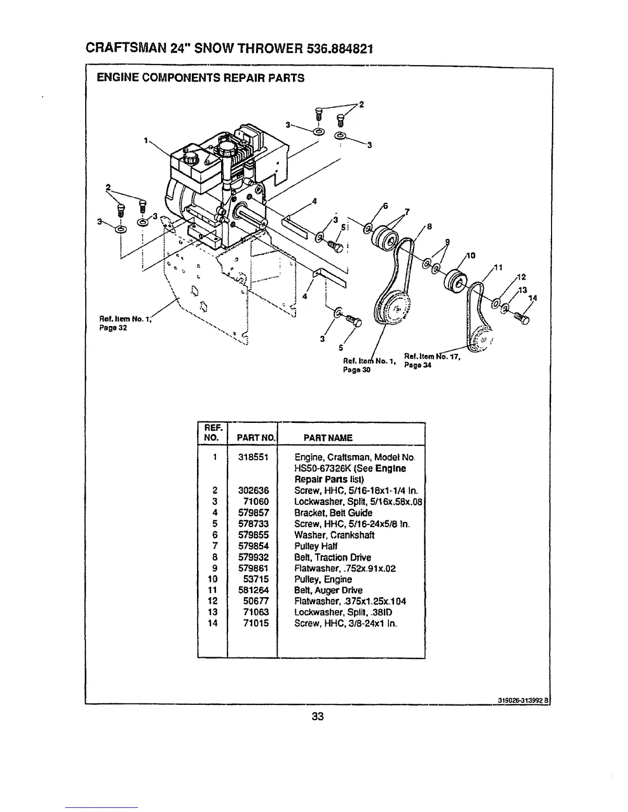
CRAFTSMAN 24" SNOW THROWER 536.884821
ENGINE COMPONENTS REPAIR PARTS
Ref. Item Noo
Page 32
\
\
REF.
NO.
1
2
3
4
5
6
7
8
9
10
111
12 _
13
14
PART NO. PARTNAME
318551
302636
71060
579857
578733
579855
579854
579932
579861
53715
581264
50677
71063
71015
Engine,Craftsman,ModelNo
HSS0*67326K(See Engine
Repair Paris list)
Screw,HHC, 51t6-18x1.114Inn
Loci(washer,Split,5116x.58x.08
Bracket,BeltGuide
Screw,HHC, 5/16-24x5/8 In.
Washer,Crankshaft
PulleyHalf
Belt, TractionDdve
Ratwasher,o752xr91x.02
Pulley,Engine
Belt,AugerDrive
Ftatwasher,375x1.25x 104
Lock_asher, Split,381D
Screw, HHC, 318-24xl In
33
3t g026.313992 B

Table of Contents

Related product manuals