EasyManua.ls Logo

Craftsman 917.270621 - Page 42

Craftsman 917.270621
60 pages
Print Icon
To Next Page IconTo Next Page
To Next Page IconTo Next Page
To Previous Page IconTo Previous Page
To Previous Page IconTo Previous Page
Loading...
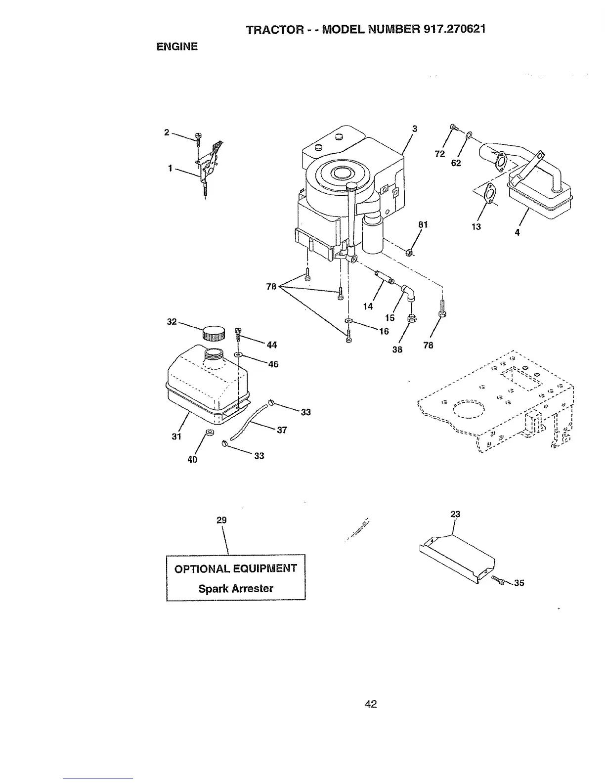
ENGINE
TRACTOR - - MODEL NUMBER 917.270621
40
78
33
33
3
81
38 78
4
29
OPTIONAL EQUIPMENT
Spark Arrester
23
/
42

Table of Contents

Related product manuals