EasyManua.ls Logo

Crown Boiler PHNTM080 - Page 83

Crown Boiler PHNTM080
146 pages
Print Icon
To Next Page IconTo Next Page
To Next Page IconTo Next Page
To Previous Page IconTo Previous Page
To Previous Page IconTo Previous Page
Loading...
81
P39
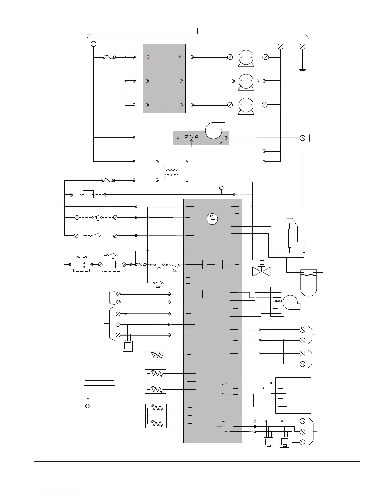
BoilerControl(R7910B)
+V
J3A
J3A
V
J3B
J3B
MB1
MB2
RJ45
(MB22)
Panasonic
GT02
Display
SD+
RD+
SD
5V
+5V
RD
RJ45
(MB21)
A
V
P107
P108
P109
ReturnSe nsor
SupplySensor
Spark
J12
J94
J95
J96
WiringLegend
BoilerControl(R7910B)
AT140B
L
N
DHWPump
P34
P31
P36
DHW(L)
SYS(L)
BoilerPump
DHW(N)
SYS(N)
SystemPump
G
J83
J82
J63
J410
J77
J412
J81
J51
J62
J52
GasValve
Sump
Press.Sw.
ExternalLimit
(IfUsed)
Ext.
Limit
P812
P83
P84
P85
CHT’stat
DHW
Thermostat
Ext.
Limit
DHW
T’Stat
DHW
T’Stat
R W
FlowSw.
J3D
J3R
J3C
Igniter
Flame
Rod
P89
P88
FactoryWireHarness
PCBTrace/Components
Fieldwiring
Connector
Screw
Terminal
P33
L31
J44
J42
J46
J43
J45
J47
CombustionFan
(120VConn.)
1 3
2
F1(6.3A
SlowBlow)
P310
P311
P37
P312
J810
J84
J89
J88
J811
J85
J107
J108
P101
P103
Header
Sensor
Outdoor
Sensor
J67
J68
P811
P810
ECOM
D
R
C
RJ45
(ECOM)
FlueGasSensor
1(DC+)
2(Tach.)
4(PWM)
5(DC)
J23(FanPWM)
J24(DC)
J21(Tach.)
J22(DC+)
CombustionFan
(DCConn.)
F2(1.6A
SlowBlow)
Modbus
P102
Internal,non
replaceable2amp
GroundScrew
BottomPanel
B
P123
P124
P82
P121
LWCOSensing
Circuit(IfUsed)
2
1
J61
P32
L11 L12
L32
L21 L23
P86
P87
C
Thermal
Fuse
GroundedtoBoiler
FrameviaPCB
Standoff/Mounting
Screw
AirProving
Switch
LWCO
JUMPER
(Std)
OR
P122
OR
JUMPER
(Std)
Alarm
Condensate
Trap
120VLine
FIGURE 10.5: INTERNAL LADDER DIAGRAM

Other manuals for Crown Boiler PHNTM080

Related product manuals