EasyManua.ls Logo

CTI 2572-B - Page 63

Default Icon
119 pages
Print Icon
To Next Page IconTo Next Page
To Next Page IconTo Next Page
To Previous Page IconTo Previous Page
To Previous Page IconTo Previous Page
Loading...
CTI 2572-B / 2500C-2572-B Installation and Operation Manual 57
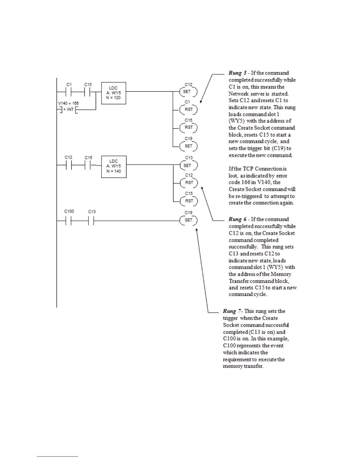
Client Ladder Logic Example: Part 2

Table of Contents