EasyManua.ls Logo

Cub Cadet 7530 - Page 223

Cub Cadet 7530
232 pages
Print Icon
To Next Page IconTo Next Page
To Next Page IconTo Next Page
To Previous Page IconTo Previous Page
To Previous Page IconTo Previous Page
Loading...
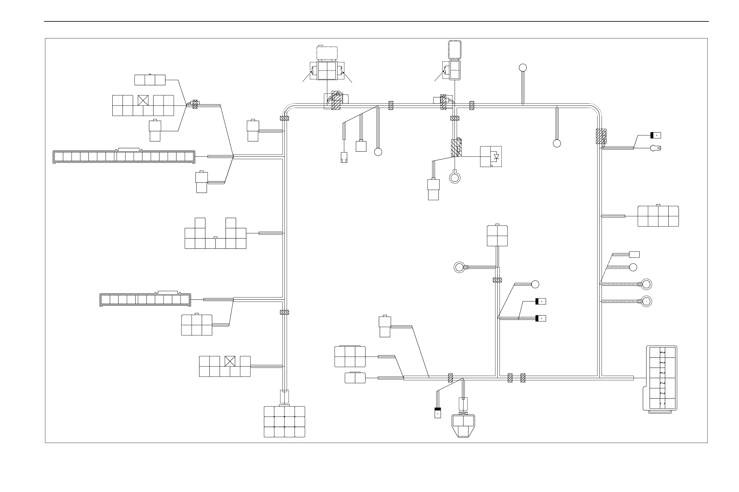
Wiring Diagram 1
7
Manual Transmission (7530) - 2/2
FETunit
Combinationswitch
Panel
Panel
Relayassembly
Starterswitch
Hazardunit
Glowcontrol
Oilpressureswitch
ETRsolenoid
Fusebox
Electromagneticpump
RL B LY
GW YG BR YL LY GB
RY
LR YR
YB GW L Br Lg
LW
LW
B
WG GL GW RG GR
LRYR GB
BY RW
RW
3B
YL
RW
BRB
B
GW2B
LG
GB
Y
BG
BLR
Lg
50A 20A
B
WG
RG
2BW
5R
5WR 2LB
3WR
2WG
2WG
2WB
5WR 5BR
3GR
2BY
2LB
2BY
2WB
3WL 3WR
YR RB RB RL
PGRGL Y
Safetyswitch
Fuelgauge
Hazardswitch
HarnessB
50A
3RY
3GR
5R
2BY
3RY
LG
8W
LR B
RL
YB
GY
RL
RW
YG
LG
5WR
5BR
RG
RY
RW
RB
YR
LB
3WL
3WL
8R
Largeelectriccurrentfuse
Startermotor
Alternator
Airheater
Headlamp
Glowplug
Tempgauge
Tempswitch
Earth
Fuse
Horn
Largeelectriccurrentfuse
3B
P
Relay
Br
8R
8W
B
Airheatercontroller
GY BY
BrLGRW
B
B
GZ3W41-018
www.mymowerparts.com
K&T Saw Shop 606-678-9623 or 606-561-4983

Table of Contents

Other manuals for Cub Cadet 7530

Related product manuals