EasyManua.ls Logo

Cushman 898628 - Gas Fuel System

Cushman 898628
186 pages
Print Icon
To Next Page IconTo Next Page
To Next Page IconTo Next Page
To Previous Page IconTo Previous Page
To Previous Page IconTo Previous Page
Loading...
94
C
C
2
2
19
20
21
22
23
24
27
28
29
30
25
26
32
2
2
2
2
2
2
1
3
4
5
6
7
8
8
8
8
8
8
8
8
9
10
11
12
13
14
15
16
17
18
45
31
33
34
34
36
36
37
38
38
35
39
40
41
42
43
44
TURF TRUCKSTER
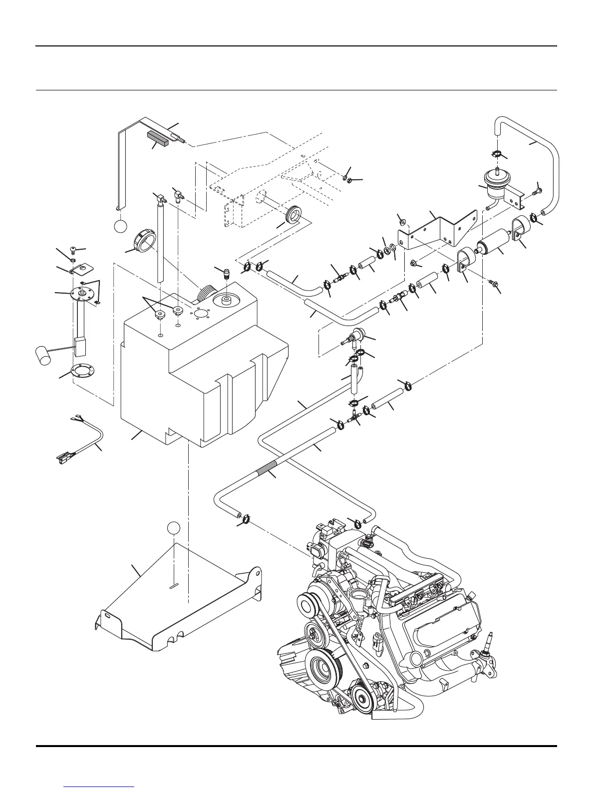
32.1 Gas Fuel System
Serial No. 898627 All
Serial No. 898628 All

Table of Contents

Other manuals for Cushman 898628

Related product manuals