EasyManua.ls Logo

Cushman 898628 - Page 154

Cushman 898628
186 pages
Print Icon
To Next Page IconTo Next Page
To Next Page IconTo Next Page
To Previous Page IconTo Previous Page
To Previous Page IconTo Previous Page
Loading...
118
2
3
3
3
5
6
6
7
8
9
10
12
11
13
14
16
18
19
20
21
22
23
24
27
28
29
30
31
3
3
4
4
17
15
25
26
34
37
38
39
35
36
32
1
1
TURF TRUCKSTER
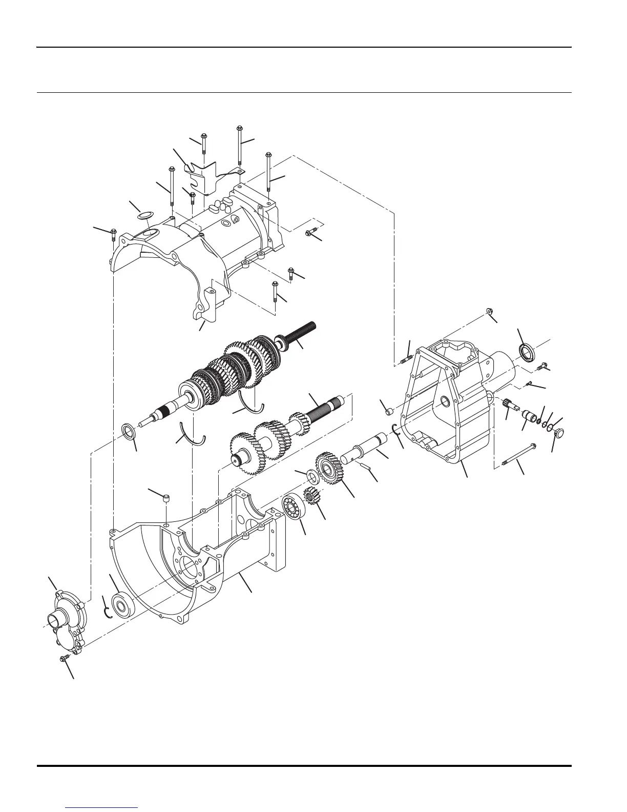
44.1 Transmission Case
Diesel Engine Only
Serial No. 84043 - All
Serial No. 84044 - All

Table of Contents

Other manuals for Cushman 898628

Related product manuals