EasyManua.ls Logo

Cushman 898628 - Page 173

Cushman 898628
186 pages
Print Icon
To Next Page IconTo Next Page
To Next Page IconTo Next Page
To Previous Page IconTo Previous Page
To Previous Page IconTo Previous Page
Loading...
137
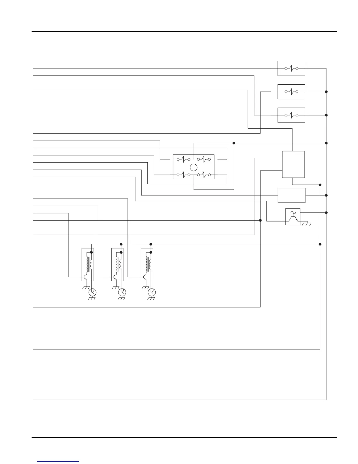
Oxygen
Sensor
Knock
Sensor
Crank Position
Sensor
Coil
1
Coil
2
Coil
3
M
Injector #1
Injector #2
Injector #3
Gy
Br/Bk
Bn/Wh
Bn
Rd/Bu
Rd/Ye
Rd
Rd/Pk
Wh
Br/Bk
Bn/Wh
Gy
Bn
Rd/Bu
Rd
Rd/Ye
Rd/Pk
Wh
Bn/Rd
Wh/Rd
Wh
Wh/Bk
Rd/Bu
Bk/Wh
Bk/Rd
Bu/Ye
Rd/Bu
Bk/Wh
Bk/WhBk/WhBk/Wh
Bk/Rd
Bk/Rd
Bk/Rd
Bk/Rd
Bk/Rd
Bk/Rd
Bk/Rd
Bk/Rd
Bu/Ye
Bu/YeBu/Ye
TURF TRUCKSTER

Table of Contents

Other manuals for Cushman 898628

Related product manuals