EasyManua.ls Logo

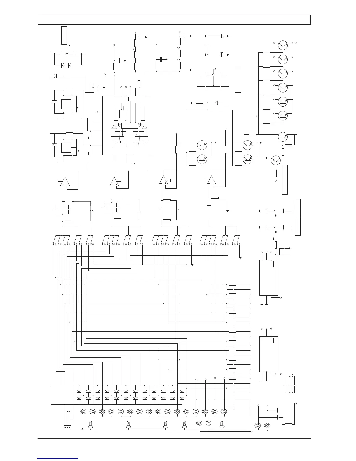
Cyrus 8 DAC - Main PCB schematic diagram; Input selector and volume control; Power amplifier and DC servo

Cyrus 8 DAC
50 pages
Print Icon
To Next Page IconTo Next Page
To Next Page IconTo Next Page
To Previous Page IconTo Previous Page
To Previous Page IconTo Previous Page
Loading...
IN1_R
IN2_R
IN3_R
IN4_R
IN6_L
IN1_L
IN2_L
IN3_L
IN4_L
IN6_R
R114 330k
C104 100pF
R113 330k
C103 100pF
R118 330k
C108 100pF
R117 330k
C107 100pF
R120 330k
C110 100pF
R119 330k
C109 100pF
R122 330k
C112 100pF
R121 330k
C111 100pF
R126
330R
R125
330R
C102 100pF
C101 100pF
IN5_R
IN5_L
R116 330k
C106 100pF
R115 330k
C105 100pF
PRE_L
PRE_R
2
3
4
5
1
6
7
8
9
10
11
IC101A
SW_LC78211
29
28
27
26
30
25
24
23
22
21
20
IC101B
SW_LC78211
3
2
1
IC103A
OPA2134AU
R182
0R
5
6
7
IC103B
OPA2134AU
+15V
-15V
-15V
+15V
PRE_R
POST_VOL_R
TP_OUT_L
TP_OUT_R
VDD
19
VEE
12
RST
18
S
17
CE
13
DATA
14
CLK
15
GND
16
IC101CSW_LC78211
SEL_CE1
CLK
DATA
GND
-15V
GND
R110
10M
GND
R112
10M
GND
R132
82R
C126
47pF
GND
R131
680R
GND
PRE_L
POST_VOL_L
R134
680R
R136
82R
C128
47pF
C119
330pF
GND
GND
C122
330pF
T103
2SC3326
T104
2SC3326
T105
BC860C
PRE_L
PRE_R
R144
3k9
R145
10k
MC_IN
MC_OUT
GND
T106
BC850C
R156
10k
-15V
R159 330k
C145 100pF
R158 330k
C144 100pF
/CCS_ON
PH_R
PH_L
R164
18R
T101
2SC3326
T102
2SC3326
PREx_L
PREx_R
PREx_L
R165
18R
PREx_R
C172
1uF
C131
1uF
C100
100nF
C124
100nF
R103
47k
R104
47k
C133
100nF
R184
0R
D117
BAV99
D118
BAV99
D115
BAV99
D116
BAV99
D113
BAV99
D114
BAV99
D111
BAV99
D112
BAV99
D109
BAV99
D110
BAV99
D107
BAV99
D108
BAV99
R133
1k5
R107
1k5
R108
1k5
R127
1k5
GND
GND
GND
+V_MAX
VOL_CE
CLK
DATA
T109
2SC3326
T108
2SC3326
PREy_L
PREy_R
GND
R160
1k5
R138
1k5
R106
18R
R102
18R
PREy_L
PREy_R
C117
100nF
-V_MAX
TR_MUTE
GND
GND
+15V
-15V
C150
100nF
C151
100nF
+V_MAX
-V_MAX
DIGIP_R
DIGIP_L
GND
GND
low for amps on
DIGITAL AUDIO
FROM SUB PCB
VDD
R180
10k
C148
100nF
C135
100nF
C136
100nF
C141
100nF
GND
+15V
-15V
C127
100nF
C160
100nF
-15V
GND
C161
100nF
D130
BAS19
D131
BAS19
C130
1uF
C173
1uF
C
I
O
VR101
79L05
I
C
O
VR100
78L05
VDD
19
VEE
12
RST
18
S
17
CE
13
DATA
14
CLK
15
GND
16
IC102CSW_LC78211
SEL_CE2
CLK
DATA
GND
-15V
C178
10n
R137 100k
GND
2
3
4
5
1
6
7
8
9
10
11
IC102A
SW_LC78211
29
28
27
26
30
25
24
23
22
21
20
IC102B
SW_LC78211
GND
GND
3
2
1
IC104A
NE5532
5
6
7
IC104B
NE5532
-15V
+15V
R185
100k
GND
R186
100k
GND
R146
47k
R147
47k
C174
1uF
C176
1uF
TP_OUT_L
TP_OUT_R
1
2
4
5
8
9
10
11
12
13
14
15
16
MUX
8
8
Control Register
3
6
7
16
MUX
8
8
IC100
PGA2311
+15V
+15V
+15V
+15V
VDD
1
2
3
CON100
CONHEADER3
GND
C180
100nF
C181
100nF
-15V
+15V
+5VOUT
+5VOUT
D150
BAS19
R187
1k
C182
100nF
+V_MAX
-V_MAX
GND
IC104
IC102
IC101 IC103
IC100
C120
47uF/16V
C121
47uF/16V
T111
2SC3326
T110
2SC3326
GND
R189
1k5
R188
1k5
T113
2SC3326
T112
2SC3326
GND
R191
1k5
R190
1k5
R192
3k9
VDD
D151
BZX84-C5V1
-15V
D152
BAV99
R193
0R
GND
C186
1nF
C187
1nF
SK101A
PS3269
SK101B
PS3269
SK101C
PS3269
SK101D
PS3269
SK102A
PS3269
SK102B
PS3269
SK102C
PS3269
SK102D
PS3269
SK103A
PS3269
SK103B
PS3269
SK103C
PS3269
SK103D
PS3269
SK104A
PS3269
SK104B
PS3269
SK104C
PS3269
SK104D
PS3269
SK105A
PS3269
SK105B
PS3269
SK105C
PS3269
SK105D
PS3269
SK101E
PS3269
SK102E
PS3269
SK103E
PS3269
SK105E
PS3269
SK104E
PS3269
BACKPLATE
C188
1nF
C189
1nF
BACKPLATE
C190
1nF
Cyrus 6 DAC, Cyrus 8 DAC amplifier service manual Issue 1
Input selector and volume control
© Cyrus Audio Ltd Jun 2014
Main PCB schematic diagram
40

Other manuals for Cyrus 8 DAC

Related product manuals