EasyManua.ls Logo

DAB E-BOX 2G T - Entleerungsfunktion (Dränage); Funktion mit 2 Schwimmern; Funktion mit 3 Schwimmern

DAB E-BOX 2G T
192 pages
Go to English
Print Icon
To Next Page IconTo Next Page
To Next Page IconTo Next Page
To Previous Page IconTo Previous Page
To Previous Page IconTo Previous Page
Loading...
DEUTSCH
67
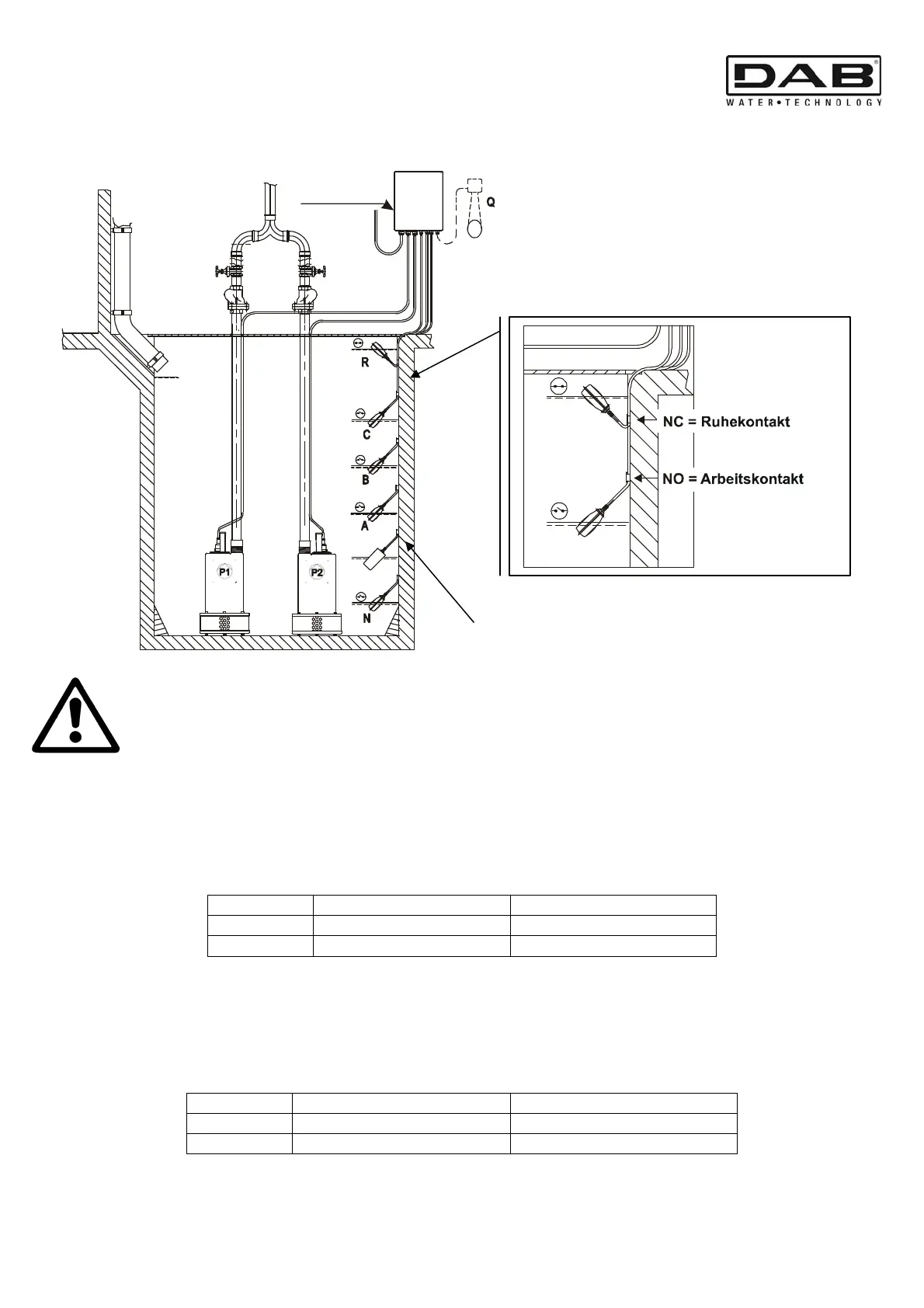
13. ENTLEERUNGSFUNKTION (DRÄNAGE)
Bei der Entleerungsfunktion (Dränage) sind die Schwimmer (sofern vorhanden) wie folgt positioniert:
Die Membran des Sensors nicht mit den Händen, Schraubendrehern, Bürsten o.ä. berühren oder
säubern! Die Membran nicht mit Druckluft ausblasen!
Der Sender muss in Wasser getaucht sein und darf nur mit Wasser und Seife oder Alkohol
gewaschen werden!
Den Sender nicht herunterfallen lassen und nicht ausklopfen, um Rückstände zu beseitigen!
Nicht das Kompensationsröhrchen des Kabels ausblasen! Nicht am Kabel ziehen!
13.1 Funktion mit 2 Schwimmern
Bei Funktion mit 2 Schwimmern startet die Pumpe P1 bei geschlossenem Kontakt des Schwimmers B,
während die Pumpe P2 bei geschlossenem Kontakt des Schwimmers C anläuft.
Beide Pumpen halten bei offenem Kontakt des Schwimmers B an.
Die folgende Tabelle fasst das beschriebene Verhalten zusammen:
Sequenz Pumpe P1
Pumpe P2
START
Schwimmer B = NC
Schwimmer C = NC
STOPP
Schwimmer B+C = NO
Schwimmer B+C = NO
13.2 Funktion mit 3 Schwimmern
Bei Funktion mit 3 Schwimmern startet die Pumpe P1 bei geschlossenem Kontakt des Schwimmers B,
während die Pumpe P2 bei geschlossenem Kontakt des Schwimmers C anläuft.
Die Pumpen halten bei offenem Kontakt des Schwimmers A an, welcher den Mindeststand beider Pumpen
kontrolliert.
Die folgende Tabelle fasst das beschriebene Verhalten zusammen:
Sequenz Pumpe P1
Pumpe P2
START
Schwimmer B = NC
Schwimmer C = NC
STOPP
Schwimmer A+B+C = NO
Schwimmer A+B+C = NO
NB: Anstelle der Schwimmer können auch Elektrosonden angeschlossen sein.
NUR MIT KLAREM UND SAUBEREM WASSER!
analoger Standsensor
SCHALTTAFEL

Table of Contents

Related product manuals