EasyManua.ls Logo

Daiichi Electronics ASY-96 - Principle of Operation; Block-Diagram

Default Icon
24 pages
Print Icon
To Next Page IconTo Next Page
To Next Page IconTo Next Page
To Previous Page IconTo Previous Page
To Previous Page IconTo Previous Page
Loading...
ASY‑206‑077
21
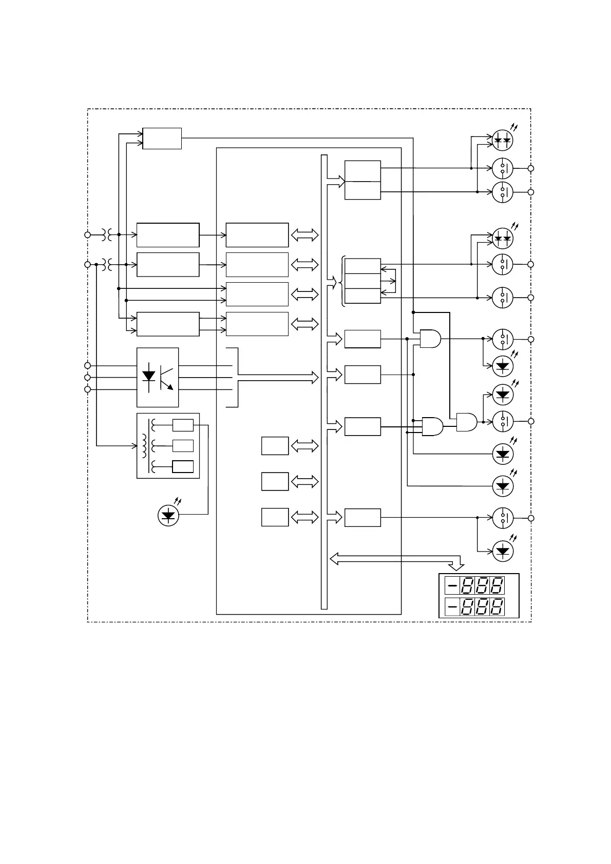
10.Principleofoperation
10.1Block‑diagram
±15°
Timer
Timer
Timer
Timer
Cycle
Hzdetection
F
G
Hzdetection
F
B
Phasedifference
detection
A/Dconversion
△V
detection
△F
detection
25timer
Alarm
RAM
ROM
CPU
1/2frequency
divider
Voltagedetection
5V
±8V
12V
Powercircuit
Power
V
G
V
B
SLOW
AUTO
MANUAL
1/2frequency
divider
15R
15L
△F
△V
Alarm
%
Hz
25
±15°
Voltage
decrease
signal.
Voltage
increase
signal.
Governor
decrease
signal.
Governor
increase
signal.
60R
60L
±15°
25
ALARM
(Period)