EasyManua.ls Logo

Daikin AWS - Page 26

Daikin AWS
46 pages
Print Icon
To Next Page IconTo Next Page
To Next Page IconTo Next Page
To Previous Page IconTo Previous Page
To Previous Page IconTo Previous Page
Loading...
IM 1240-4 • INTELLIGENT EQUIPMENT 26 www.DaikinApplied.com

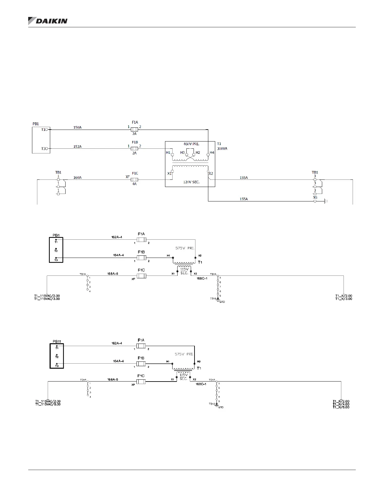
The 120VAC cable has the jacket and insulation pre-stripped,
with the ends of both the Line and Neutral wires tinned. On a
MicroTech III Rebel unit, connect the Line (brown) conductor
to terminal TB1-1 and the Neutral (blue) conductor to terminal
TB1-3 (Figure 58).
On a MicroTech III Maverick II unit, connect the Line (brown)
conductor to terminal TB1A-1, 2, 3, or 4 and the Neutral (blue)
conductor to terminal TB1A-5, 6, 7, 8, or 9 (Figure 59).
On a MicroTech III RPS, RPR, RDT, RFS, RDS or RAH unit,
connect the Line (brown) conductor to terminal TB1A-1, 2, 3, or
4, and the Neutral (blue) conductor to terminal TB1A-5, 6, 7, 8,
or 9 (Figure 60).
Figure 58: Typical MicroTech III Rebel 120VAC Wiring
Figure 59: Typical MicroTech III Maverick II 120VAC Wiring
Figure 60: Typical MicroTech III RoofPak Unit 120VAC Wiring

Related product manuals