EasyManua.ls Logo

Daikin DAR09 - Wiring Diagrams: DZ14 SA0[36,48,60][3,4]A* Heat Pumps

Daikin DAR09
112 pages
Print Icon
To Next Page IconTo Next Page
To Next Page IconTo Next Page
To Previous Page IconTo Previous Page
To Previous Page IconTo Previous Page
Loading...
107
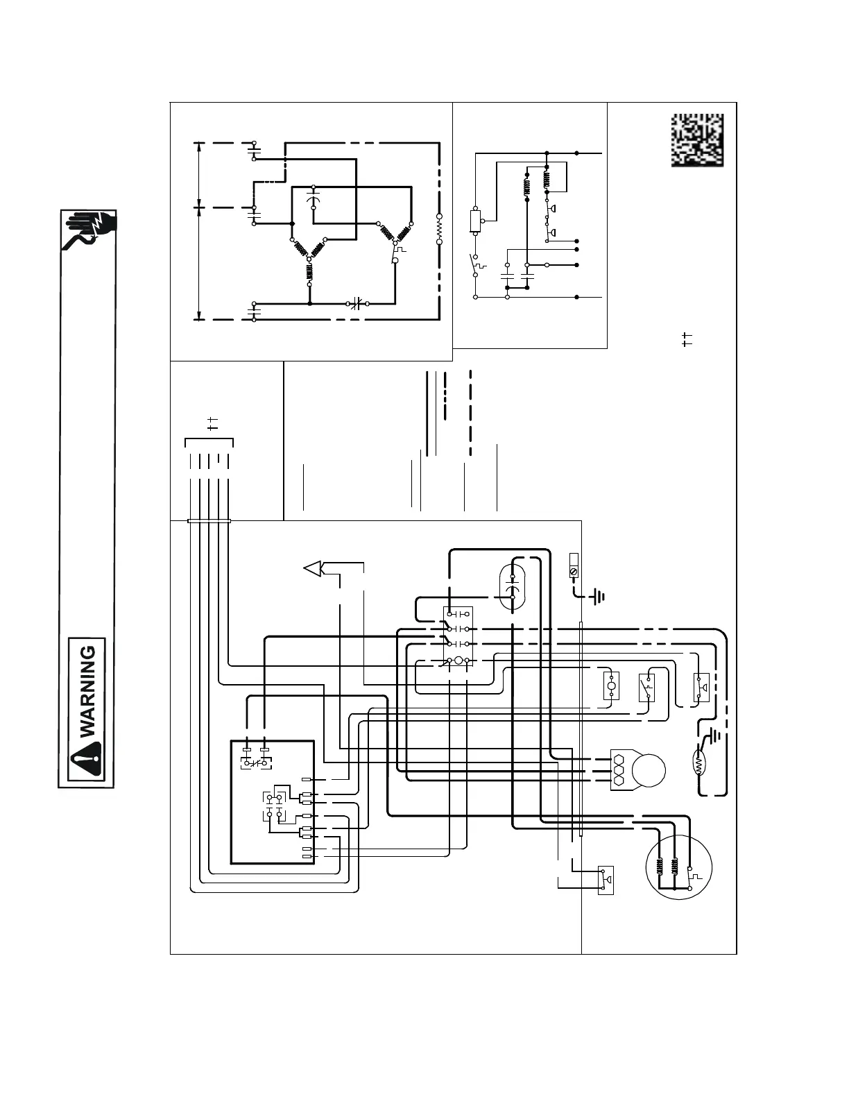
WIRING DIAGRAMS
HIGH VOLTAGE!
DISCONNECT ALL POWER BEFORE SERVICING OR INSTALLING THIS
UNIT. MULTIPLE POWER SOURCES MAY BE PRESENT. FAILURE TO
DO SO MAY CAUSE PROPERTY DAMAGE, PERSONAL INJURY OR DEATH.
Wiring is subject to change. Always refer to the wiring diagram on the unit for the most up-to-date wiring.
DZ14SA0[36,48,60][3,4]A*
USE N.E.C. CLASS 2 WIRE
0140R00162-D
OR
BL
RD
O
BL/PK
C
R
NOTE 1
COLOR CODE
BK --------------- BLACK
BL/PK ---------- BLUE/ PINK STRIPE
BR --------------- BROWN
OR --------------- ORANGE
PU --------------- PURPLE
RD --------------- RED
WH -------------- WHITE
YL --------------- YELLOW
YL/PK------------YELLOW/PINK STRIPE
BL ---------------- BLUE
WIRING CODE
FA CTORY W IRING
HIGH VOLTAGE
LOW VOLTAGE
OPTIONAL HIGH VOLTAGE
FIELD WIRING
HIGH VOLTAGE
LVJB
CONTROL BOX
IO
CM
AUX
MAIN
BK
BR
PU
BK
YL/PK
YL/PK
LPS
CH
RVC
BK
RD
RD
BK
SEE NOTE 2
WH
W2
DC
OR
C Y
O O
BL
YL BK
RD
R
R
RD
LVDR
W2
WH
DFT
RD
H
V
D
R
DF2
DF1
BK
BK
COMP
T1
C
T3
T2
FC
T3
C
L1
L3
M
A
I
N
A
U
X
IO
CM
BK
T1
L2
C
T2
OUTDOOR POWER SUPPLY
SEE R ATING P LATE
RD
RD
BK
BK
C
T1
L1
T2
L2
T3
L3
YL
RD
YL
FC
PU
BR
RD
DF1
DF2
HVDR
BK
BL
YL/PK
BL
BK
BK
HPS
BL/PK
BL/PK
YL/PK
BL/PK
Y
NOTES:
1. TO INDOOR UNIT LOW VOLTAGE TERMINAL BLOCK & INDOOR
THERMOSTAT.
2. CRANKCASE HEATER IS FACTORY INSTALLED OPTION.
CRANKCASE HEATER MAY NOT HAVE ADDITIONAL
GROUND WIRE.
3. USE COPPER CONDUCTOR ONLY.
SEE N OTE 2
EQUIPMENTGROUND
SEE NOTE 3
T1
COMP
T3T2
YL
BK
DFT
LPS
W2
LVDR
O
R
O
O
C
RVC
W2
R
C
DFT
C
Y
DC
R
DFT
HPS
COMPONENT CODE
C --------------- CONTACTOR
CH ------------- CRANKCASE HEATER
CM ------------ OUTDOOR FAN MOTOR
COMP -------- COMPRESSOR
DC ------------- DEFROST CONTROL
DFT ----------- DEFROST THERMOSTAT
HPS-------------HIGH PRESSURE SWITCH
FC ------------- FAN CAPACITOR
HVDR -------- HIGH VOLTAGE DEFROST RELAY
IO -------------- INTERNAL OVERLOAD
LPS ------------ LOW PRESSURE SWITCH
LVDR --------- LOW VOLTAGE DEFROST RELAY
LVJB ---------- LOW VOLTAGE JUNCTION BOX
RVC ----------- REVERSING VALVE COIL
CONTROLS SHOWN WITH THERMOSTAT
IN 'OFF' POSITION.
CH
Y

Table of Contents

Related product manuals