EasyManua.ls Logo

Daikin DAR09 - Page 108

Daikin DAR09
112 pages
Print Icon
To Next Page IconTo Next Page
To Next Page IconTo Next Page
To Previous Page IconTo Previous Page
To Previous Page IconTo Previous Page
Loading...
108
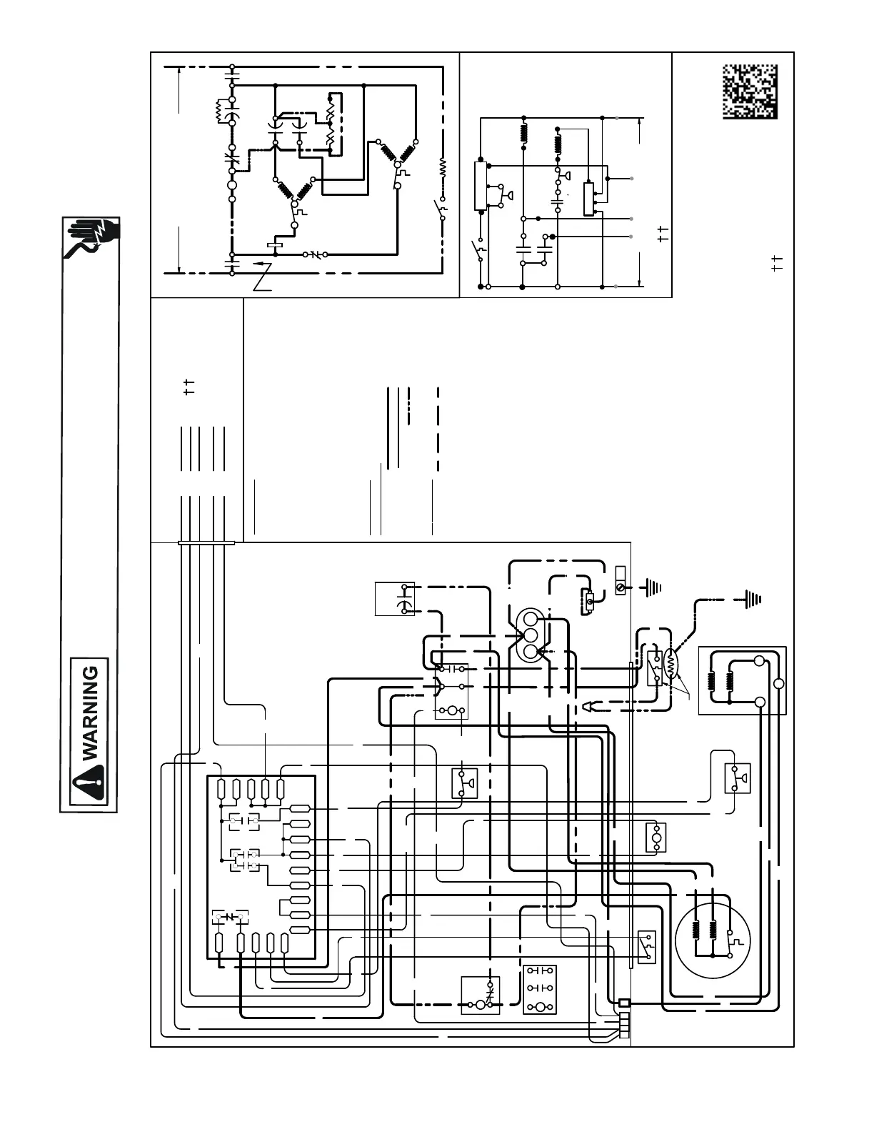
WIRING DIAGRAMS
HIGH VOLTAGE!
DISCONNECT ALL POWER BEFORE SERVICING OR INSTALLING THIS
UNIT. MULTIPLE POWER SOURCES MAY BE PRESENT. FAILURE TO
DO SO MAY CAUSE PROPERTY DAMAGE, PERSONAL INJURY OR DEATH.
Wiring is subject to change. Always refer to the wiring diagram on the unit for the most up-to-date wiring.
DZ14SA0[18-48]1A*,*A
USE N.E.C. CLASS 2 WIRE
NOTES:
1) TO INDOOR UNIT LOW VOLTAGE TERMINAL BLOCK & INDOOR THERMOSTAT.
2) START ASSIST FACTORY EQUIPPED WHEN REQUIRED.
3) USE COPPER CONDUCTOR ONLY.
4) CRANKCASE HEATER & CRANKCASE HEATER SWITCH ARE FACTORY
INSTALLED OPTION
5) 40VA MINIMUM TRANSFORMER IS REQUIRED.
6) COMMON SIDE OF TRANSFORMER MUST BE GROUNDED.
COMP
ALTERNATE DOUBLE
POLE CONTACTOR ONLY
IO
T1
C
M
A
IN
R
A
UX
5
S
SR
SA
2
1
RCCF
SC
T2
C
L1
L2
(IF USED)
NOTE 2
CH
C
F
M
A
IN
A
UX
IO
CM
OR
BL
RD
O
Y
C
R
COLOR CODE
BK --------------- BLACK
BL/PK ---------- BLUE/PINK STRIPE
BR --------------- BROWN
GR---------------- GREEN
OR --------------- ORANGE
PU --------------- PURPLE
RD --------------- RED
WH -------------- WHITE
YL --------------- YELLOW
YL/PK----------- YELLOW/PINK STRIPE
OUTDOOR POWER SUPPLY
SEE RATING PLATE
WIRING CODE
FACTORY WIRING
HIGH VOLTAGE
LOW VOLTAGE
OPTIONAL HIGH VOLTAGE
FIE
LD WIRING
HIGH VOLTAGE
LVJB
CONTROL BOX
SC
RD
BL
L2
T2
L1
T1
C
RCCF
BR
SR
5
2
1
BK
YL
BL
IO
CM
AUX
MAIN
PU
YL/PK
LPS
EQUIPMENT
GROUND
DF1
DF2
CH
LVDR
R
CNT
INDOOR POWER SUPPLY
DFT
C
Y
DC
DFT
WH W2
DC
HPS
O
C
RVC
W2
R
HVDR
YL/PK
RD
BK
BK
BL
CHS
R-DFT
O-RV
C-RV
LPS
PS2
R-PS1
O
W
C
HPS
CCR
}
RD
CH
CHS
SA
(IF USED)
NOTE 2
DFT
RVC
RD
BK
GR
Y
T1
L1
T2
L2
ALTERNATE
DOUBLE POLE
CONTACTOR
R
DF1
DF2
0
0-RV
C-RV
W
LVDR
HVDR
CCR
CNT
0
DFT
R-DFT
R-PS1
Y
Y
C
R
C
C
PS2
YL/PK
YL/PK
RD
WH
OR
BK
SEE NOTE 3
BK
BK
RD
SEE NOTE 1
CSM
YCR
CSM
YL
PU
0140R00273-C
Y
P
R C
RD
COMPONENT CODE
C --------------- CONTACTOR
CSM --------
--- CORESENSE MODULE
CCR ----------- COMPRESSOR CONTACTOR RELAY
CH ------------- CRANKCASE HEATER
CHS ----------- CRANKCASE HEATER SWITCH
CM ------------ OUTDOOR FAN MOTOR
COMP -------- COMPRESSOR
DC ------------- DEFROST CONTROL
DFT ----------- DEFROST THERMOSTAT
HPS ----------- HIGH PRESSURE SWITCH
HVDR -------- HIGH VOLTAGE DEFROST RELAY
IO -------------- INTERNAL OVERLOAD
LPS ---------- LOW PRESSURE SWITCH
LVDR --------- LOW VOLTAGE DEFROST RELAY
LVJB --------- LOW VOLTAGE JUNCTION BOX
RCCF --------- RUN CAPACITOR FOR COMPRESSOR & FAN
RVC ----------- REVERSING VALVE COIL
SA ------------- START ASSIST
SC ------------- START CAPACITOR FOR COMPRESSOR
(OPTIONAL)
SR ------------- START RELAY FOR COMPRESSOR (OPTIONAL)
CONTROLS SHOWN WITH THERMOSTAT IN
'OFF' POSITION.
BK
C
R
AUX
MAIN
COMP
S
BK
YL
RD
H
F
C
RD
YL
YL
YL
PU
SEE NOTE 5 & 6
FIELD LOW
VOLTAGE
CON
NECTIONS
SEE NOTE 4
SEE NOTE 4
YL
RD
BK
BK
BK
BK
RD
YL
RD
RD
RD
BK
BK
BK
BK
YL
RD
BL/PK
BL
BR
CSM
C
PU
PU
PU
RD
P
YL
YL
BL/PK
PU
RD
RD
PU
PU
SEE NOTE 1

Table of Contents

Related product manuals