EasyManua.ls Logo

Daikin DAR09 - Page 83

Daikin DAR09
112 pages
Print Icon
To Next Page IconTo Next Page
To Next Page IconTo Next Page
To Previous Page IconTo Previous Page
To Previous Page IconTo Previous Page
Loading...
83
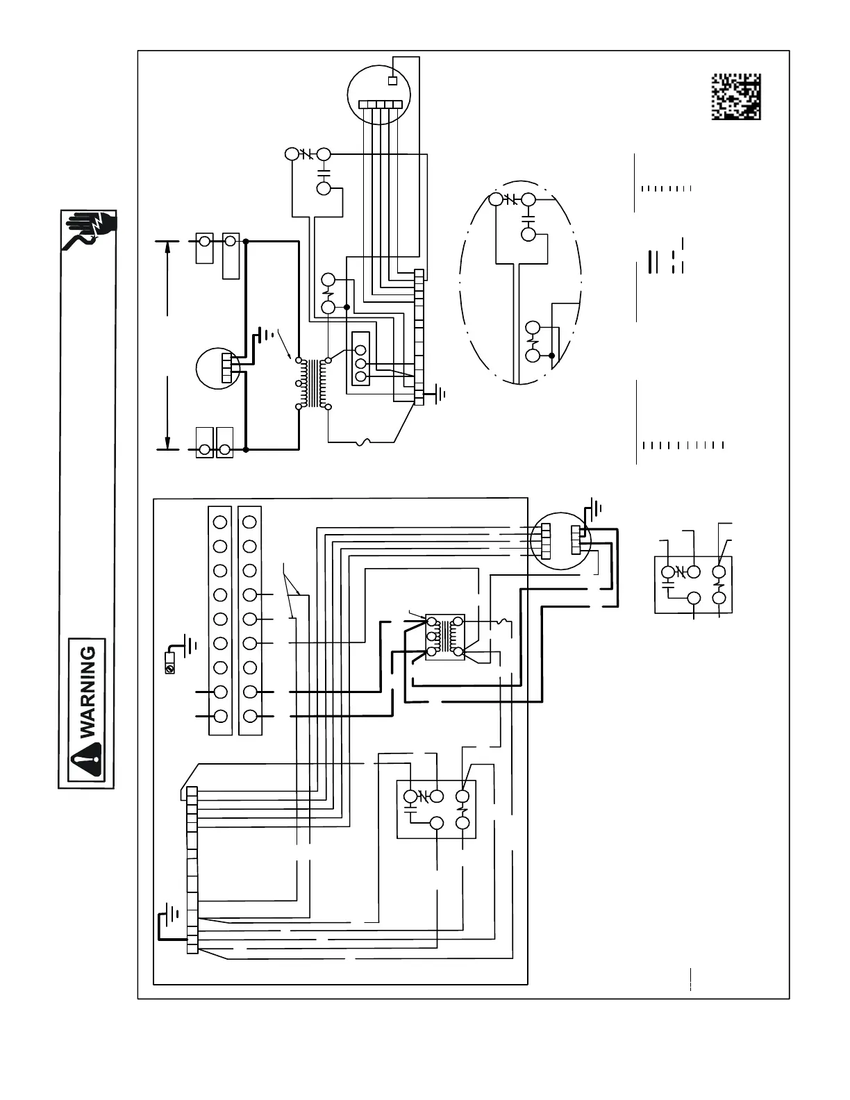
WIRING DIAGRAMS
HIGH VOLTAGE!
DISCONNECT ALL POWER BEFORE SERVICING OR INSTALLING THIS
UNIT. MULTIPLE POWER SOURCES MAY BE PRESENT. FAILURE TO
DO SO MAY CAUSE PROPERTY DAMAGE, PERSONAL INJURY OR DEATH.
Wiring is subject to change. Always refer to the wiring diagram on the unit for the most up-to-date wiring.
BK
BL
BK
L1 L2
BK
BK
HTR1
TL
HTR1
RD
9
8
7
R
WH
BL
PU
TL
BK
5
6
3
4
BK
RD
1
2
WH
RD
L2L1
BK
BK
RD
BK
RD
R
HTR2
TL
L1
BK
6
8
9
7
2
RD
PU
4
5
3
BK
RD
1
BK
L2 L1
L2
RD
YL
M1
M2
BK
RD
YL
RD
R1
M4
RD
BK
M3
HTR3
TL
HTR2
HTR1
TL
TL
PU
M2
R2
YL
M1
BL
WH
BR
BL
RD
BK
RD
BK
TL
HTR1
BK
HTR4
HTR3
HTR2
BK
RD
9
7
8
L2L1 L1
L2
2
5
6
3
4
1
RD
M1
YL
BK
M2
BL
WH
6
BL
RD
BK
YL
8
9
7
M6
M5
M3
R1
M4
RD
PU
M7
R2
M8
BL
TL
TL
TL
YL
BL
RD
BK
RD
BL
BR
4
5
3
2
BK
1
ONE (1) ELEMENT ROWS TW O (2) ELE MENT ROWS
THREE (3) ELEMENT ROWS
FOUR (4) ELEMENT ROWS
FL
M1
M2
FL
FL
M1
M2
M3
M4
FL
FL
FL
FL
FL
FL
FL
COPPER POWER SUPPLY
(USE RATING PLATE)
USE MIN. 75° C FIELD WIRE
0140A00063-A
PLM
PLF
TR
FACTORY WIRING
FIELD WIRING
NOT
ES:
1) RED WIRES TO BE ON TRANSFORMER TERMINAL "3" FOR 240 VOLTS AND ON
TERMINAL "2" FOR 280 VOLTS.
2) SEE COMPLETE WIRING DIAGRAMS IN INSTALLATION INSTRUCTIONS FOR
PROPER LOW
VOLTAGE WIRING CONNECTION S.
3) CONFIRM SPEED TAP SELECTION IS APPROPRIATE FOR APPLICATION. IF
SPEED TAP
NEEDS TO BE CHANGED, CONNECT PURPLE WIRE FROM T ERMINAL 4 OF CR
RELAY TO
APPROPRIATE TAP AT TB.
4) BROWN AND WHITE WIRES ARE USED FOR HEAT KITS ONLY.
DELAY RELAY
REL AY
EVAPORATOR MOTOR
ELECTRONIC BLOWER TIME
TERM INAL BOARD
R
EM
EBTDR
TB
BK
RD
BL
YL
BL UE
BLACK
RED
YELLOW
CO
M
PO
NE
NT
CO
D
E
BROWN
PURPLE
GR E EN
PU
BR
GR
FEMALE PLUG CONNECTOR
MALE PLUG CONNECTOR
TRANSFORMER
HIGH VOLTAGE
LOW VOLTAGE
HIGH VOLTAGE
LOW VOLTAGE
PLF
2
COLOR CODE
TR
6
5
PLM4
4 24 V
5
1 23
EM
W
IRING CODE
208/240 VOLTS
1
1
PLF
PLM
L1
PLM
2
L2
IF REPLACEMENT OF THE ORIGINAL WIRES
SUPPLIED WITH THIS ASSEMBLY IS NECESSARY,
USE WIRE THAT CONFORMS TO THE NATIONAL
ELECTRIC CODE.
FL
FUSE LINK
TL THERMAL LIMIT
HTR HEAT ELEMENTS
CR CONTROL REL AY
NOTE: WHEN INSTALLING HEATER KIT, ENSURE SPEED TAP DOES NOT EXCEED MINIMUM BLOWER SPEED (MBS) SPECIFIED FOR THE AIRHANDLER/HEATER KIT COMBINATION ON THIS
UNIT'S S&R PLATE. AFTER INSTALLING OPTIONAL HEAT KIT, MARK A "X" IN THE BOX PROVIDED ABOVE. MARK ACCORDING TO NUMBER OF HEATER ELEMENT ROWS INSTALLED. NO MARK
INDICATES NO HEAT KIT INSTALLED.
WHIT E
WH
LGN
W2
R
W1
C
G
4
Y1
OY2
1
DH 32
5
A
B
1
C
EM
2
4
3
5
4
7
CR
FUSE
HOLDER
1
SEE NOTE 1
U
S
E
C
O
P
P
E
R
W
I
R
E
E
Q
U
IP
M
E
N
T
G
R
O
U
N
D
B
L
E
M
Y
L
B
L
5
B
K
C
B
K
P
L
F
B
K
1
R
D
2
3
2
4
0
2
4
V
4
1
2
3
T
R
R
D
B
L
B
R
4
5
W
H
6
7
8
9
P
L
M
G
R
D
1
2
3
4
5
6
7
8
9
A
B
1
7
4
C
R
S
E
E
N
O
T
E
2
2
1
4
3
5
N
C
G
L
R
D
P
U
B
L
B
R
W
H
B
L
R
D
G
R
R
D
B
L
R
D
B
K
R
D
W
2
R
W
1
C
G
4
Y
1
O
Y
2
1
D
H
3
2
5
R
D
P
U
B
R
W
H
O
R
W
H
W
H
B
L
G
R
R
D
B
L
F
U
S
E
H
O
L
D
E
R
L
2
L
1
SEE
NOTE 1
SEE
NOTE 4
1
3
5
4
2
ALTER NATE HEAT RE LAY
B
L
P
U
R
D
G
R
W
H
B
L
1
3
2
4
CR
5
ALTE RNAT E HE AT RELAY
ASPT**14**/ASUF**14**
COPPER POWER SUPPLY
(USE RATING PLATE)
USE MIN. 75° C FIELD WIRE
0140A00243-A
PLM
PLF
TR
FACTORY WIRING
FIELD WIRING
N
O
T
ES:
1. RED WIRES TO BE ON TRANSFORMER TERMINAL "3" FOR 240 VOLTS AND ON
TERMINAL "2" FOR 208 VOLTS.
2. SEE COMPLETE WIRING DIAGRAMS IN INSTALLATION INSTRUCTIONS FOR
PROPER LOW VOLTAGE WIRING CONNECTIONS.
3. CONFIRM SPEED TAP SELECTION IS APPROPRIA TE FOR APPLICATION. IF
SPEED TAP NEEDS TO BE CHANGED, CONNECT PURPLE WIRE FROM TERMIN AL
4 OF CR RELAY TO APPROPRIATE TAP AT TB
4. BROWN AND WHITE WIRES ARE USED FOR HEAT KITS ONLY.
5. FUSE: 3A, 250V, 3AG CARTRIDGE FUSE.
6. LOW VOLTAGE FIELD WIRING TO BE N.E.C CLASS 2 WIRES.
RELAY
EVAPORATOR MOTOR
TERMINAL BOARD
R
EM
TB
BK
RD
BL
YL
BLUE
BLACK
RED
YELLOW
COMPONENT CODE
BROWN
PURPLE
GREEN
PU
BR
GR
FEMALE PLUG CONNECTOR
MALE PLUG CONNECTOR
TRANSFORMER
HIGH VOLTAGE
LOW VOLTAGE
HIGH VOLTAGE
LOW VOLTAGE
PLF
2
COL
OR
C
ODE
TR
6
5PLM
4
4
24V
5
1
23
EM
W
IRING C
ODE
208/240 VOLTS
1
1
PLF
PLM
L1
PLM
2
L2
IF REPLACEMENT OF THE ORIGINAL WIRES
SUPPLIED WITH THIS ASSEMBLY IS NECESSARY,
USE WIRE THAT CONFORMS TO THE NATIONAL
ELECTRIC CODE.
FL
FUSE LINK
TL THERMAL LIMIT
CR CONTROL RELAY
WHITEWH
LG
N
W2
R
W1
C
G 4Y1
O
Y2
1
DH
32
5
A
B
1
C
EM
2
4
3
5
4
7
CR
FUSE
HOLDER
(OPTIONAL)
1
SEE NOTE 1
U
S
E
C
O
P
P
E
R
W
I
R
E
E
Q
U
PI
M
E
N
T
G
R
O
U
N
D
B
L
E
M
Y
L
B
L
5
B
K
C
B
K
P
L
F
B
K
1
R
D
2
3
2
4
0
2
4
V
4
1
2
3
T
R
R
D
B
L
B
R
4
5
W
H
6
7
8
9
P
L
M
G
R
D
1
2
3
4
5
6
7
8
9
A
B
1
7
4
C
R
S
E
E
N
O
T
E
S
2
&
6
2
1
4
3
5
N
C
G
L
R
D
P
U
B
L
B
R
W
H
B
L
R
D
G
R
R
D
o
r
B
K
B
L
R
D
B
K
R
D
W
2
R
W
1
C
G
4
Y
1
O
Y
2
1
D
H
3
2
5
R
D
o
r
B
K
P
U
B
R
W
H
O
R
W
H
W
H
B
L
G
R
R
D
o
r
B
K
B
L
F
U
S
E
H
O
L
D
E
R
(
O
P
T
I
O
N
A
L
)
L
2
L
1
SEE
NOTE 1
SEE
NOTE 4
1
3
5
4
2
ALTERNATE HEAT RELAY
B
L
P
U
R
D
G
R
W
H
B
L
13
2
4
CR
5
ALTERNATE HEAT RELAY
GRND GROUND
S
E
E
N
O
T
E
S
2
&
6

Table of Contents

Related product manuals