EasyManua.ls Logo

Daikin DHG - Wiring Diagrams

Daikin DHG
104 pages
Print Icon
To Next Page IconTo Next Page
To Next Page IconTo Next Page
To Previous Page IconTo Previous Page
To Previous Page IconTo Previous Page
Loading...
82
HIGH VOLTAGE!
DISCONNECT ALL POWER BEFORE SERVICING OR INSTALLING THIS
UNIT. MULTIPLE POWER SOURCES MAY BE PRESENT. FAILURE TO
DO SO MAY CAUSE PROPERTY DAMAGE, PERSONAL INJURY OR DEATH.

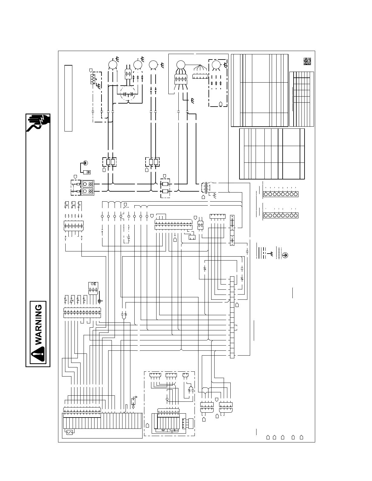
WIRING DIAGRAM
RD
BL
BL
BL
ALS
AUXILIARY LIMIT SWITCH
BC
BLOWER CONTACTOR
BM
BLOWER MOTOR
CAP
CAPACITOR
CB
CIRCUIT BREAKER
CC
COMPRESSOR CONTACTOR
CCH
CRANKCASE HEATER
CCP
COMPRESSOR/COIL PROTECTION
CHR
CRANKCASE HEATER RELAY
CHS
CRANKCASE HEATER SWITCH
CM
CONDENSER MOTOR
COMP
COMPRESSOR
CS
COMPRESSOR SOLENOID
ECON
ECONOMIZER
ES
EMERGENCY SHUTDOWN
FB
FUSE BLOCK
FPS
FREEZE PROTECTION SWITCH
FS
FLAME SENSOR
GND
EQUIPMENT GROUND
GV
GAS VALVE
HPS
HIGH PRESSURE SWITCH
IIC
INTEGRATED IGNITION CONTROL
LPS
LOW PRESSURE SWITCH
LR
LEAK DETECTION RELAY
LS
LIMIT SWITCH
MAT
MIXED AIR TEMP. SENSOR
PLF
FEMALE PLUG/CONNECTOR
PLM
MALE PLUG/CONNECTOR
PS
PRESSURE SWITCH
RDS
REFRIGERANT DETECTION SYSTEM
RS
ROLLOUT SWITCH
SMK
SMOKE DETECTOR
TB
TERMINAL BLOCK
TR
TRANSFORMER
VM
VENT MOTOR
VMC
VENT MOTOR CONTACTOR
4
GR
CCH
BK
BK
RD BK
2
2
CHR
4
6 8
CHR
L1 T1
L2 T2
BC
HIGH VOLTAGE
LOW VOLTAGE
OPTIONAL HIGH VOLTAGE
OPTIONAL LOW VOLTAGE
CHASSIS GROUND
FI
ELD W
I
R
I
NG
FA
CTORY
WIR
I
NG
HIGH VOLTAGE
LOW VOLTAGE
EARTH GROUND
BK
BLACK
PK
PINK
BL BLUE
PU
PURPLE
BL/PK
BLUE WITH PINK STRIPE
RD
RED
BR
BROWN TN
TAN
GR
GREEN WH
WHITE
GY GRAY
YL
YELLOW
OR ORANGE
YL/PK
YELLOW WITH PINK STRIPE
WIRE COD
E
FB3
F3
F3
2
GND
CC
A1 A2
YL BL
BC
A1 A2
PK
BL
L1
CC
L2
T2
T1
6
ALTERNATE VENT MOTOR (3 - WIRE)
VMC - T1
VMC - T2
WH
RD
BKIIC - UNUSED
RD
WH
BK
VM
GR
COM
230V
208V
M
1~
2
FB1
F1
F1
THER
MOST
AT F
IELD W
IRI
NG++
1 STAGE
COOL
I
NG/H
E
ATING
2 STAGE
COOLI
NG
/H
E
ATING
TB1
W1
W2
G
R
Y1
Y2
C
O
WH
GR
PK
YL
BL
OR
STAT
W
G
R
Y
C
O
TB1
W1
W2
G
R
Y1
Y2
C
O
WH
GR
PK
YL
BL
OR
STAT
W1
G
R
Y1
C
O
PU Y2
W2
BR
2
3
4
5
6
1
2
3
4
5
6
1
2
3
4
5
6
LPS
BL
BL
HPS
YL/PK
BK
YL
CCP
PLF
CCP
PLM
YL/PK
BL/PK
BK
YL
BL/PK
YL
YL
FPS
BK
BK
VMC
A1 A2
GY BL
L1
VMC
L2
T2
T1
FB2
2
F2
F2
BR
BK
2
PS
FS
12
11
10
9
8
7
6
5
4
3
2
1
9
8
7
6
5
4
3
2
1
12
11
10
RD
RD
YL
YL
LS
RD
RD
YL
YL
PU
PU
RS
BK
BK
ALS
GAS
PLM
GAS
PLF
PUPU
BL
BR
TN
PU
PU
PU
BL
BR
TN
3
2
1
GV
PLM
GV
HI
C
M
2
1
2
3
4
1
2
3
4
5
2
5
2
0140L07215-A
W2
Y1
O
Y2
S2
R
W1
C
S1
G DH
T1
T2 T3
T4
T5
BA C D
3
THERMOSTAT++
RD
PK
BL
PK
BL
YL
TN
YL
YL
RD
RD
PU
BRBLPK WHGR
GY
BL
10
11
12
1
2
3
4
5
6
7
8
9
IIC PCB
UNUSED
SPEED - UP
IGN
FS
HEAT FAN
COOL FAN
L1
L1
L2
L2
L2
L2
D1
1
2
3
4
5
6
7
8
9
10
11
12
PU
RD
RD
YL
YL
WH
BK
GR
PK
BL
GR
PK
BL
PK
IIC
PLM
COMP OUT
COMP IN
W
R
PS OUT
G
LMT IN
3A
PS IN
LMT OUT
GV
COM
24V
GR
TB1
YL
RD
PK PUBR
PK WH
YLGR
TB2
BL
BLBRWH
RD
POWER AND CONTROLS WIRING DIAGRAM
DHG036-048, 1 PHASE, DIRECT DRIVE
TR
CB
GR
BK
RD
208-230V/1PH/60Hz
GR
BM
BK
C
R
S
CM
L1
L3
BR
CAP
RD
GR
BK
GR
RD
BK RD
RD
YL
BR
BK
PU
L2
COM
HERM
FAN
BK
RD
PU
PU
BK
BK
BK
CM
PLF
PLM2
BM
PLF2
BM
CM
PLM
BK
PU
COMP
2
1
2
1
M
1~
M
1~
M
1~
N
G
L
C
N
G
L
C
RD
BK
PU
WH
GR
YL
BK
OR
PU
YL
GR
WH
BR
PLM1
BM
4
3
2
1
5
GR
YL
BM
PLF1
WH
5
4
3
2
1
PU
BL
CO
M
PONENT LEGEND
OR
REPLACEMENT WIRE MUST BE SAME SIZE AND TYPE OF INSULATION AS ORIGINAL (AT LEAST
105° C). USE COPPER CONDUCTORS ONLY. USE N.E.C. CLASS 2 WIRE FOR ALL LOW VOLTAGE
FIELD CONNECTIONS.
REFERENCE DAIKIN ACCESSORY WIRING DIAGRAM BOOKLET AND/OR INSTALLATION MANUAL
FOR WIRING OF OPTIONAL EQUIPMENT.
TR PRIMARY (HIGH VOLTAGE) CONNECTIONS: ORANGE WIRE CONNECTED TO 240V TAP AT THE
FACTORY AND BLACK WIRE TO COM TERMINAL. FOR 208V SUPPLY POWER, MOVE ORANG
E WIRE
FROM 240V TAP TO THE 208V TAP.
G (BLACK) BLOWER SPEED IS FACTORY WIRED TO T1. Y1 (YELLOW) AND Y2 (PURPLE) BLOWER
SPEEDS ARE FACTORY WIRED TO T1 AND T4 RESPECTIVELY. W1 (WHITE) AND W2 (BROWN)
BLOWER SPEEDS ARE FACTORY WIRED TO T2 AND T3 RESPECTIVELY. IF DIFFERENT SPEEDS ARE
NEEDED, SEE IO MANUAL FOR FURTHER DETAIL ON BLOWER SPEED TAPS.
IF REFRIGERANT LEAK DETECTION PCB IS INSTALLED, REMOVE ES-PLM PLUG (WITH PINK WIRE)
AND CO
NNECT IT TO RDS-PLF1. THEN, CONNECT RDS-PLM2 TO ES-PLF. REMOVE BM-PLM3 AND
CONNECT LR-PLM TO BM-PLF3.
FOR 3-WIRE VENT MOTOR; IF SUPPLY POWER IS 208V, DISCONNECT RED VENT MOTOR WIRE
LEAD FROM RED VMC - T2 WIRE EXTENSION. CONNECT THE BLACK VENT MOTOR WIRE LEAD TO
THE RED VMC - T2 WIRE EXTENSION. CONNECT THE RED VENT MOTOR LEAD TO THE BLACK IIC -
UNUSED WIRE EXTENSION.
NOTES
1.
BR
BK
YL
WH
BK
PK
GY
BK
WH
BK
RD
VM
BK
GR
230V
COM
WH
M
1~
GR
BK
RD
BK
RD
OR
BR
PK
TN
SMK
PLM
SMK
PLF
RD
RD
PK
BL
WH
ES
PLM
ES
PLF
PK
RD
PK
BL
PK
BM
PLM3
BM
PLF3
1
2
1
2
TN
BR
TN
2
5
1
2
3
4
1
2
3
4
INSTALLER/SERVICEMAN
THE STATUS LIGHT ON THE FURNACE CONTROL MAY BE USED AS A GUIDE
TO TROUBLESHOOTING THIS APPLIANCE. STATUS LIGHT CODES ARE AS
FOLLOWS:
STATUS LIGHT EQUIPMENT STATUS CHECK
ON
NORMAL OPERATION
-
OFF
NO POWER
OR
INTERNAL CONTROL FAULT
CHECK INPUT POWER
CHECK FUSE CONTROL
1 BLINK
IGNITION FAILURE
OR
OPEN ROLLOUT SWITCH
OR
OPEN AUX. LIMIT SWITCH
REPLACE CONTROL
GAS FLOW
GAS PRESSURE
GAS VALVE
FLAME SENSOR
FLAME ROLLOUT
BAD SWITCH
AUX. LIMIT OPEN
2 BLINKS PRESSURE SWITCH OPEN CHECK PRESSURE SWITCH
3 BLINKS
PRESSURE SWITCH CLOSED
WITHOUT INDUCER ON
CHECK PRESSURE SWITCH
4 BLINKS
OPEN LIMIT SWITCH
MAIN LIMIT OPEN
BAD SWITCH
5 BLINKS
FALSE FLAME SENSED
STICKING GAS VALVE
6 BLINKS COMPRESSOR OUTPUT DELAY
3 MIN. COMP. ANTI CYCLE
TIMER
CHS
RD
BLRD PK
CHR
1 0
PK
BL
BR1
1 0
BR BL
BR2
1 0
YL BL
BR3
1 0
WH BL
BK
L1
L2
PB
RD
BK
4
2
3
BR3
WH
BK
GY
4 2
BR1
WH
BR
8 7
BR2
YL
4 2
BR2
PK
ALLOWABLE SPEED TAPS
T1 T2 T3 T4 T5
FAN (BK) X* -
-
-
-
COOLING STG 1 (YL) X*
X
X
X
X
COOLING STG 2 (PU) -
X
X
X*
X
STAGE 1 HEAT (WH) -
X*
X
X
X
STAGE 2 HEAT (BR) - - X* X
X
X* DENOTES DEFAULT FACTORY WIRING.
CS
V1 V2
YL BL
ECON
PLF
12
11
10
9
8
7
6
5
4
3
2
1
12
11
10
9
8
7
6
5
4
3
2
1
ECON
PLM
PU
YL
2
1
BK
PU
YL
BL
GR
WH
PK
BR
GY
MAT
PLF
BK
YL
YL
2
BL
GR
PU
7 8
BR3
PU
WH
PK
PU
REFRIGERANT DETECTION SYSTEM
TROUBLESHOOTING GUIDE
RED STATUS
LIGHT
EQUIPMENT
STATUS
CHECK
1 FLASH STARTUP MODE
-
SLOW LED
FLASHING
NORMAL
OPERATION
-
FAST LED
FLASHING
R-32 LEAK
ALARM
LEAK DETECTED.
FIND AND REPAIR
THE SOURCE OF
THE LEAK.
LED ON
CONTINUOUSLY
DELAY MODE
MODE WILL
CLEAR AFTER 5
MINUTES.
FAST LED
FLASHING
SYSTEM
VERIFICATION
MODE
USER ACTIVATED
TEST MODE.
2 FLASHES INTERNAL FAULT
REPLACE
CONTROL BOARD
3 FLASHES
R-32 SENSOR
COMMUNICATION
FAULT
VERIFY
REFRIGERANT
SENSOR WIRING.
REPLACE
SENSOR.
REPLACE
CONTROL
BOARD.
4 FLASHES
R-32 SENSOR
FAULT
REPLACE
SENSOR
1
C
RDS
PLM1
RDS
EEV_IN
EEV_OUT
CTM_OUT
R_OUT
C
C
R
1
2
3
4
5
6
7
8
1
2
3
4
5
6
7
8
5V 2
PORT
SENSOR
NOT USED
ALARM
RDS
PLF1
1
2
3
4
LR
1 3
BK BL
BL
BL
RD
RDS
PLM2
1
2
3
4
PK
PK
RD
BL
PK
PK
RD
BL
RD
TN
5 4
2
LR
BK
1
2
TN
BR
LR
PLM


Related product manuals