EasyManua.ls Logo

Daikin DHG - Page 85

Daikin DHG
104 pages
Print Icon
To Next Page IconTo Next Page
To Next Page IconTo Next Page
To Previous Page IconTo Previous Page
To Previous Page IconTo Previous Page
Loading...
85
HIGH VOLTAGE!
DISCONNECT ALL POWER BEFORE SERVICING OR INSTALLING THIS
UNIT. MULTIPLE POWER SOURCES MAY BE PRESENT. FAILURE TO
DO SO MAY CAUSE PROPERTY DAMAGE, PERSONAL INJURY OR DEATH.

2
VPT
THE STATUS LIGHT ON THE FURNACE CONTROL MAY BE USED AS A GUIDE TO
TROUBLESHOOTING THIS APPLIANCE. STATUS LIGHT CODES ARE AS FOLLOWS:
LED ACTIVITY RED
AMBER GREEN
BOOT - UP ON ON
ON
STEADY ON CONTROL FAULT DETECTED
OEM TEST MODE
STANDBY
NORMAL
OPERATION
NO THERMOSTAT
REQUESTS
RAPID FLASH -
FIELD TEST MODE
CLEAR ERROR
HISTORY
1 FLASH IGNITION RETRIES EXCEEDED
LOW FLAME
SENSE
CALL FOR
HEATING
2 FLASHES
PRESSURE SENSOR NULL
ERROR:
INCONSISTENT READING WITH
INDUCER OFF
ID PLUG FAILURE
CALL FOR
COOLING
3 FLASHES
PRESSURE SENSOR SPAN
ERROR:
INCONSISTENT READING WITH
INDUCER ON, OR INDUCER
FAILS TO REACH TARGET
PRESSURE
CONTROL FUSE
OPEN
CONTINUOUS FAN
OPERATION
4 FLASHES
HIGH LIMIT SWITCH OPEN
-
-
5 FLASHES
FLAME PRESENT W ITH GAS
VALVE OFF
-
-
6 FLASHES
NORMALLY CLOSED BURNER
SWITCH/AUXILLARY SWITCH
OPEN
-
-
7 FLASHES
GAS VALVE CIRCUIT SHORTED - -
10 FLASHES
HIGH LIMIT SWITCH RECOVERY
TIMER EXPIRED
-
-
OFF NO LED
ACTIVITY
NO 24VAC POWER
TO CONTROL
NO 24VAC POWER
TO CONTROL
NO 24VAC POWER
TO CONTROL
IGN
MODULE
1
2
B
A
OR
OR
IGN
1
2
3
4
5
6
1
2
3
4
5
6
LPS
BL
BL
HPS
YL/PK
BK
YL
CCP
PLF
CCP
PLM
YL/PK
BL/PK
BK
YL
BL/PK
FPS
BK
BK
2
3
4
5
CCH
BK
RD
BK
BK
CHR
CHR
GR
2
4
6 8
VM
GR
M
1~
THERM
OST
AT F
I
ELD W
I
R
I
NG
++
1 STAGE
COOL
I
NG
/H
E
A
T
ING
2 STAGE
CO
OL
ING/HEA
T
I
NG
TB1
W1
W2
G
R
Y1
Y2
C
O
WH
GR
PK
YL
BL
OR
STAT
W
G
R
Y
C
O
TB1
W1
W2
G
R
Y1
Y2
C
O
WH
GR
PK
YL
BL
OR
STAT
W1
G
R
Y1
C
O
PU Y2
BR W2
TON
t = 180s
R1
R2
Y1
Y2
BC
A1 A2
PK
BL
CC
A1 A2
YL
BL
CHS
RD
BL
RD
PK
CHR
10
PK
BL
FS
0140L07579-A
NOTES
W2
Y1
O
Y2
S2
R
W1
C
S1
G
DH
T1
T2
T3
T4
T5
B
A
C
D
J4-1
J4-2
J4-3
J4-1
J4-2
J4-3
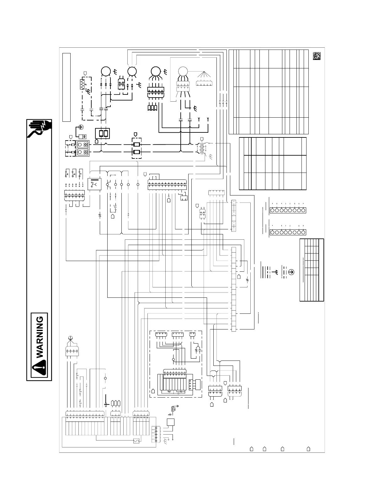
REPLACEMENT WIRE MUST BE SAME
SIZE AND TYPE OF INSULATION AS
ORIGINAL (AT LEAST 105° C). USE
COPPER CONDUCTORS ONLY. USE
N.E.C. CLASS 2 WIRE FOR ALL LOW
VOLTAGE FIELD CONNECTIONS.
REFERENCE DAIKIN ACCESSORY
WIRING DIAGRAM BOOKLET
AND/OR INSTALLATION MANUAL
FOR WIRING OF OPTIONAL
EQUIPMENT.
TR PRIMARY (HIGH VOLTAGE)
CONNECTIONS: ORANGE WIRE
CONNECTED TO 240V TAP AT THE
FACTORY AND BLACK WIRE TO COM
TERMINAL. FOR 208V SUPPLY
POWER, MOVE ORANGE WIRE FROM
240V TAP TO THE 208V TAP.
G (GREEN) BLOWER SPEED IS
FACTORY WIRED TO T1. Y1
(YELLOW) AND Y2 (PURPLE)
BLOWER SPEEDS ARE FACTORY
WIRED TO T1 AND T3
RESPECTIVELY. W (BROWN)
BLOWER SPEEDS IS FACTORY
WIRED TO T2. IF DIFFERENT
SPEEDS ARE NEEDED, SEE IO
MANUAL FOR FURTHER DETAIL ON
BLOWER SPEED TAPS.
IF REFRIGERANT LEAK DETECTION
PCB IS INSTALLED, REMOVE
ES-PLM PLUG (WITH RED WIRE)
AND CONNECT IT TO RDS-PLF1.
THEN, CONNECT RDS-PLM2 TO
ES-PLF. REMOVE BM-PLM3 AND
CONNECT LR-PLM TO BM-PLF3.
3A
FAN
COOL FAN
HEAT FAN
ULN
J
8
PSS
PSG
PS VCC
PLI
NC BTS
NC BTS
PLO
GV RETURN
TR 24 VAC
TR GND
GV OUTPUT
12
11
10
9
8
7
6
5
4
3
2
1
9
8
7
6
5
4
3
2
1
12
11
10
FLAME ROD (T7)
1
2
3
3
2
1
J
4
IDC (20 VDC)
I (PWM) C
I (RPM) F
J5
G
R
W
Y
C
5
4
3
2
1
5
4
3
2
1
L2L2L1
GND
J3
5
4
3
21
4
2
1
4
2
1
3
3
RD
POWER AND CONTROLS WIRING DIAGRAM
DHG060, ULN, 1 PHASE DIRECT DRIVE
4
3
2
1
5
5
4
3
2
1
1
2
3
4
5
1
2
3
4
5
THERMOSTAT++
RD
2
4
2
1
2
3
4
1
2
3
4
5
2
SMK
PLM
SMK
PLF
ES
PLM
ES
PLF
5
BM
PLM3
BM
PLF3
1
2
1
2
ECON
PLF
12
11
10
9
8
7
6
5
4
3
2
1
12
11
10
9
8
7
6
5
4
3
2
1
ECON
PLM
PU
YL
2
1
BK
PU
YL
BL
GR
WH
PK
BR
GY
MAT
PLF
BK
2
5
2
1
2
3
4
1
2
3
4
BL
BK
GR
RD
N
G
L
C
N
G
L
C
RD
CO
M
PONENT LEG
END
ALS
AUXILIARY LIMIT SWITCH
BC
BLOWER CONTACTOR
BM
BLOWER MOTOR
BR
BLOWER RELAY
CAP
CAPACITOR
CB
CIRCUIT BREAKER
CC
COMPRESSOR CONTACTOR
CCH
CRANKCASE HEATER
CCP
COMPRESSOR/COIL PROTECTION
CHR
CRANKCASE HEATER RELAY
CHS
CRANKCASE HEATER SWITCH
CM
CONDENSER MOTOR
COMP
COMPRESSOR
CS
COMPRESSOR SOLENOID
ECON
ECONOMIZER
ES
EMERGENCY SHUTDOWN
FB
FUSE BLOCK
FPS
FREEZE PROTECTION SWITCH
FS
FLAME SENSOR
GND
EQUIPMENT GROUND
GV
GAS VALVE
HPS
HIGH PRESSURE SWITCH
HV
HIGH VOLTAGE
IGN
IGNITOR
LPS
LOW PRESSURE SWITCH
LR
LEAK DETECTION RELAY
MAT
MIXED AIR TEMPERATURE SENSOR
PB
POWER DISTIBUTION BLOCK
PLF
FEMALE PLUG/CONNECTOR
WIRE CODE
BK
BLACK
BL
BLUE
BL/PK
BLUE WITH PINK STRIPE
BR BROWN
GR
GREEN
GR/YL GREEN WITH YELLOW STRIPE
GY
GRAY
OR
ORANGE
PK PINK
PU
PURPLE
RD RED
TN
TAN
WH
WHITE
YL
YELLOW
YL/PK
YELLOW WITH PINK STRIPE
TB1
GR
TB1
YL
WH
PU PU
WH
TN
YL
TB2
PK
BL
PK
RD
BL
YL
BL
GR
BLBK
YL
BR
J8
PLM
RD
PLS
RS
ALS
BR
PU
PU
TN
J4
PLM
GR
J5 PLM
YL
WH
PK
GR
DSI
J3
PLM
YL
HV1
HV2
BK
RDGR
RD
WH
PU
PU
RD
RD
RD
YL
BL
BL
PK
BL
PK
GR
WH
BL
BR
PU
VPT
PLF
VPT
PLM
RD
BR
PK
TR
CB
GR
BK
FB1
BK
RD
GR
BM
BK
C
R
S
RD
RD
YL
BK
BK
PU
YL
GR
WH
BR
BM
PLM2
BM
PLF2
BM
PLM1
PU
COMP
M
1~
OR
GR
YL
BM
PLF1
WH
BR
PU
HV1
HV2
BK
RD
VM
PLF
VM
PLM
OR
YL
BR
BK
WH
BK
GR
RD
GR
BK
YL
YL
BL
BL
RD
BK
RD
1.
F1
F1
BK
BR
YL
OR
WH
BK
OR
YL
BR
RD
RD
PK
BL
WH
PK
RD
PK
BL
PK
TN
YL
PU BL
PK
BR
YL
PK
BR
CC
L1
L2
T1
T2
GR
L1
L2
T1
T2
BC
M
1~
RD
BK
PK
RD
BL
HIGH VOLTAGE
LOW VOLTAGE
OPTIONAL HIGH VOLTAGE
OPTIONAL LOW VOLTAGE
CHASSIS GROUND
FI
ELD W
I
R
I
NG
FA
CTOR
Y
WIR
I
NG
HIGH VOLTAGE
LOW VOLTAGE
EARTH GROUND
A
LLOW
A
BLE
SPE
ED T
A
PS
T1
T2
T3
T4 T5
FAN (GR) X*
-
- - -
COOLING STG 1 (YL) X*
X
X
X
X
COOLING STG 2 (PU)
- X
X*
X
X
HEATING (BR)
- X*
X
X
X
X* DENOTES DEFAULT FACTORY WIRING.
YL
GV
A1 A2
BR
YL
BR1
10
WH BL
PU
78
BR1
PU
PU
GND
LINE VOLTAGE
208-230V/1PH/60Hz
L1
L2
PB
RDBK
2
3
CM
L
BR
BR
BK
GR/YL
N
BK
CM
PLF
CM
PLM
BK
2
1
2
1
M
1~
BK
BK
LOW
1
2
3
HIGH
24 VAC COM
FB2F2
F2
BR
TN
PU
BL
YL
WH
BL
YL
BL
YL
GR
2
BK
2
YL
34
BR
YL
YL
CS
V1 V2
YL BL
BL
BLYL
PU
PLF
FEMALE PLUG/CONNECTOR
PLM
MALE PLUG/CONNECTOR
PLM
MALE PLUG/CONNECTOR
PLS
PRIMARY LIMIT SWITCH
RDS
REFRIGERANT DETECTION SYSTEM
RS
ROLLOUT SWITCH
SMK
SMOKE DETECTOR
TB
TERMINAL BLOCK
TON
ON-DELAY TIMER RELAY
TR
TRANSFORMER
ULN
ULTRA LOW NOX CONTROL BOARD
VM
VENT MOTOR
VPT
VENT PRESSURE TRANSDUCER
BL
WH
YL
BL
REFRIGERANT DETECTION SYSTEM
TROUBLESHOOTING GUIDE
RED STATUS
LIGHT
EQUIPMENT
STAT US
CHECK
1 FLASH
STARTUP MODE
-
SLOW LED
FLASHING
NORMAL
OPERATION
-
FAST LED
FLASHING
R-32 LEAK
ALARM
LEAK DETECTED.
FIND AND REPAIR
THE SOURCE OF
THE LEAK.
LED ON
CONTINUOUSLY
DELAY MODE
MODE WILL
CLEAR AFTER 5
MINUTES.
FAST LED
FLASHING
SYSTEM
VERIFICATION
MODE
USER ACTIVATED
TEST MODE.
2 FLASHES
INTERNAL FAULT
REPLACE
CONTROL BOARD
3 FLASHES
R-32 SENSOR
COMMUNICATION
FAULT
VERIFY
REFRIGERANT
SENSOR WIRING.
REPLACE
SENSOR.
REPLACE
CONTROL
BOARD.
4 FLASHES
R-32 SENSOR
FAULT
REPLACE
SENSOR
1C
RDS
PLM1
RDS
EEV_IN
EEV_OUT
CTM_OUT
R_OUT
C
C
R
1
2
3
4
5
6
7
8
1
2
3
4
5
6
7
8
5V2
PORT
SENSOR
NOT USED
ALARM
RDS
PLF1
1
2
3
4
LR
13
BK
BL
BL
BL
RD
RDS
PLM2
1
2
3
4
PK
PK
RD
BL
PK
PK
RD
BL
RD
TN
5 4
2
LR
BK
1
2
TN
BR
LR
PLM
WIRING DIAGRAM 

Related product manuals