EasyManua.ls Logo

Daikin ERLA16DAV3 - Piping Diagram: Indoor Unit

Daikin ERLA16DAV3
312 pages
Print Icon
To Next Page IconTo Next Page
To Next Page IconTo Next Page
To Previous Page IconTo Previous Page
To Previous Page IconTo Previous Page
Loading...
17 | Technical data
Installer reference guide
286
ERLA11~16DAV3+W1 + EBVH16SU23DJ
Daikin Altherma 3 R F
4P655196-1 – 2021.09
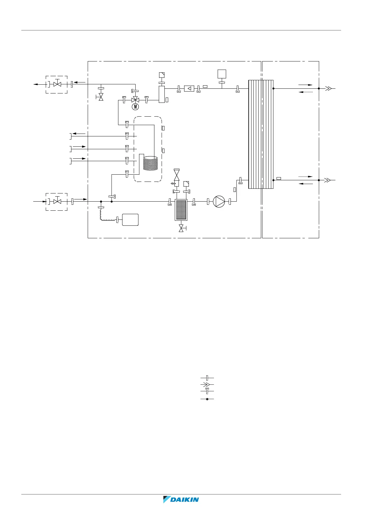
17.3 Piping diagram: Indoor unit
3D128638
B1PW
B2L
M3S
R3T
R8T
R2T
R1T
R5T
R4T
A
C
C
n
a2
a1
b2
b1
c
i
h
f
j
m
k
l
o
l
e1
d2
e2
d1
B
m
g
g
A Water side B2L Flow sensor
B Refrigerant side B1PW Space heating water pressure sensor
C Field installed (delivered with the unit) M3S 3-way valve (space heating/domestic hot water)
a1 Space heating/cooling – Water IN (screw
connection, 1")
a2 Space heating/cooling – Water OUT (screw
connection, 1")
b1 DHW – Cold water IN (screw connection, 3/4")
b2 DHW – Hot water OUT (screw connection, 3/4")
c Recirculation connection Thermistors:
d1 Gas refrigerant IN (heating mode; condenser) R1T Outlet water heat exchanger
d2 Liquid refrigerant OUT (heating mode; condenser) R2T Outlet water backup heater
e1 Liquid refrigerant IN (cooling mode; evaporator) R3T Refrigerant liquid side
e2 Gas refrigerant OUT (cooling mode; evaporator) R4T Inlet water
f Plate heat exchanger R5T, R8T Tank
g Shut-off valve for service
h Flexible pipe
i Expansion vessel
j Magnetic filter/dirt separator
k Safety valve Connections:
l Automatic air purge Screw connection
m Drain valve Flare connection
n Pump Quick coupling
o Backup heater Brazed connection

Table of Contents

Related product manuals