EasyManua.ls Logo

Daikin MPS050F - Page 49

Daikin MPS050F
132 pages
Print Icon
To Next Page IconTo Next Page
To Next Page IconTo Next Page
To Previous Page IconTo Previous Page
To Previous Page IconTo Previous Page
Loading...
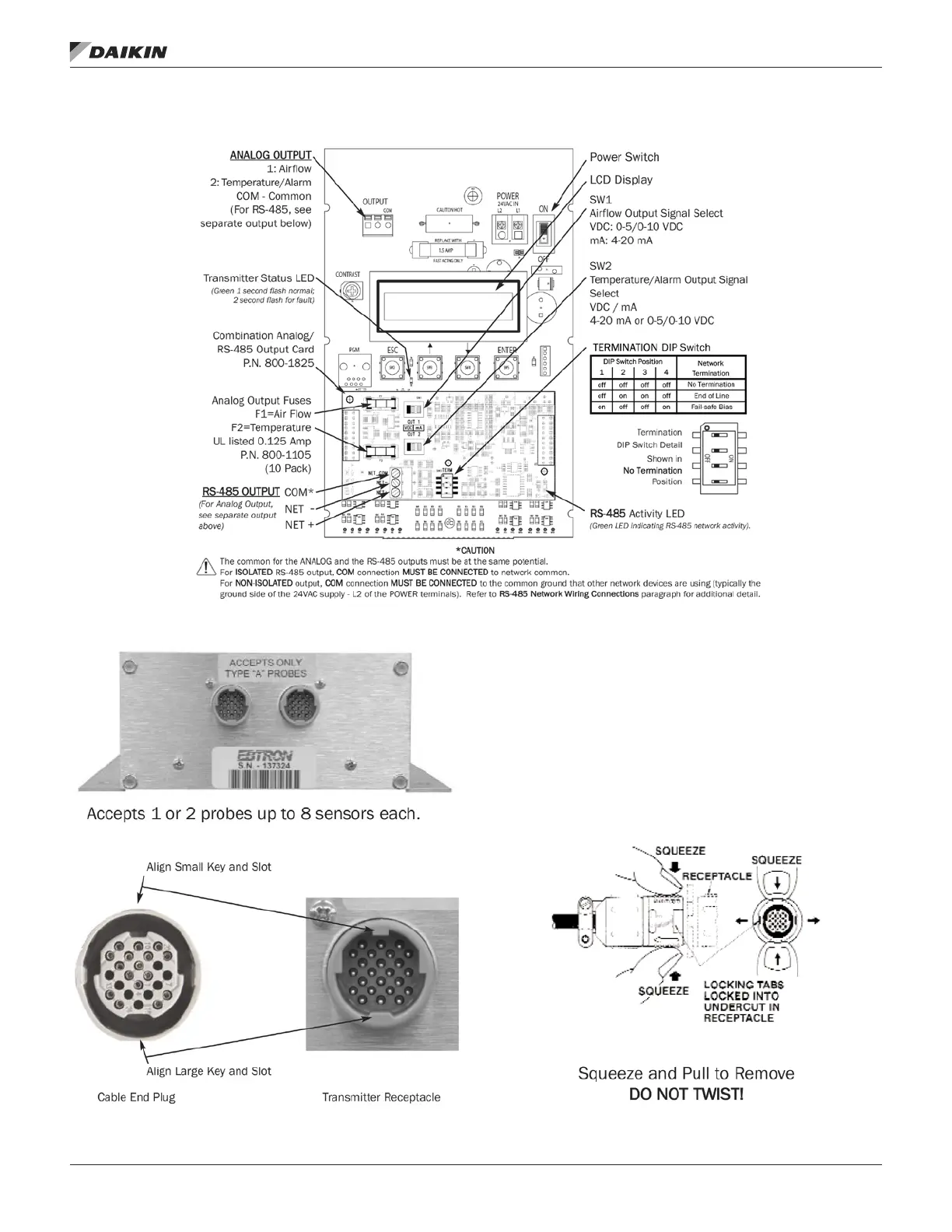
Figure 47: MicroTech III Controller
Figure 48: Transmitter and Connector Detail
Transmitter
Connector
oPTIonal oUTdoor aIr monITor
www.DaikinApplied.com 49 IM 1058-8 • MAVERICK II ROOFTOP SYSTEMS

Table of Contents

Related product manuals