EasyManua.ls Logo

Daikin MPS050F - VAV Control with Variable Speed Inverter Compressor; MPS 030-050 VAV Control with Variable Speed Inverter Compressor

Daikin MPS050F
132 pages
Print Icon
To Next Page IconTo Next Page
To Next Page IconTo Next Page
To Previous Page IconTo Previous Page
To Previous Page IconTo Previous Page
Loading...
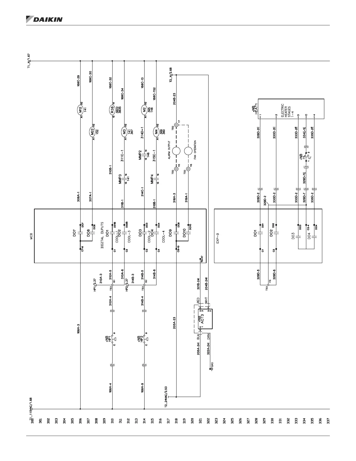
Figure 67: MPS 030 – 050 VAV Control with Variable Speed Inverter Compressor
WIrInG dIaGrams
www.DaikinApplied.com 75 IM 1058-8 • MAVERICK II ROOFTOP SYSTEMS

Table of Contents

Related product manuals