EasyManua.ls Logo

Daikin MPS050F - Page 88

Daikin MPS050F
132 pages
Print Icon
To Next Page IconTo Next Page
To Next Page IconTo Next Page
To Previous Page IconTo Previous Page
To Previous Page IconTo Previous Page
Loading...
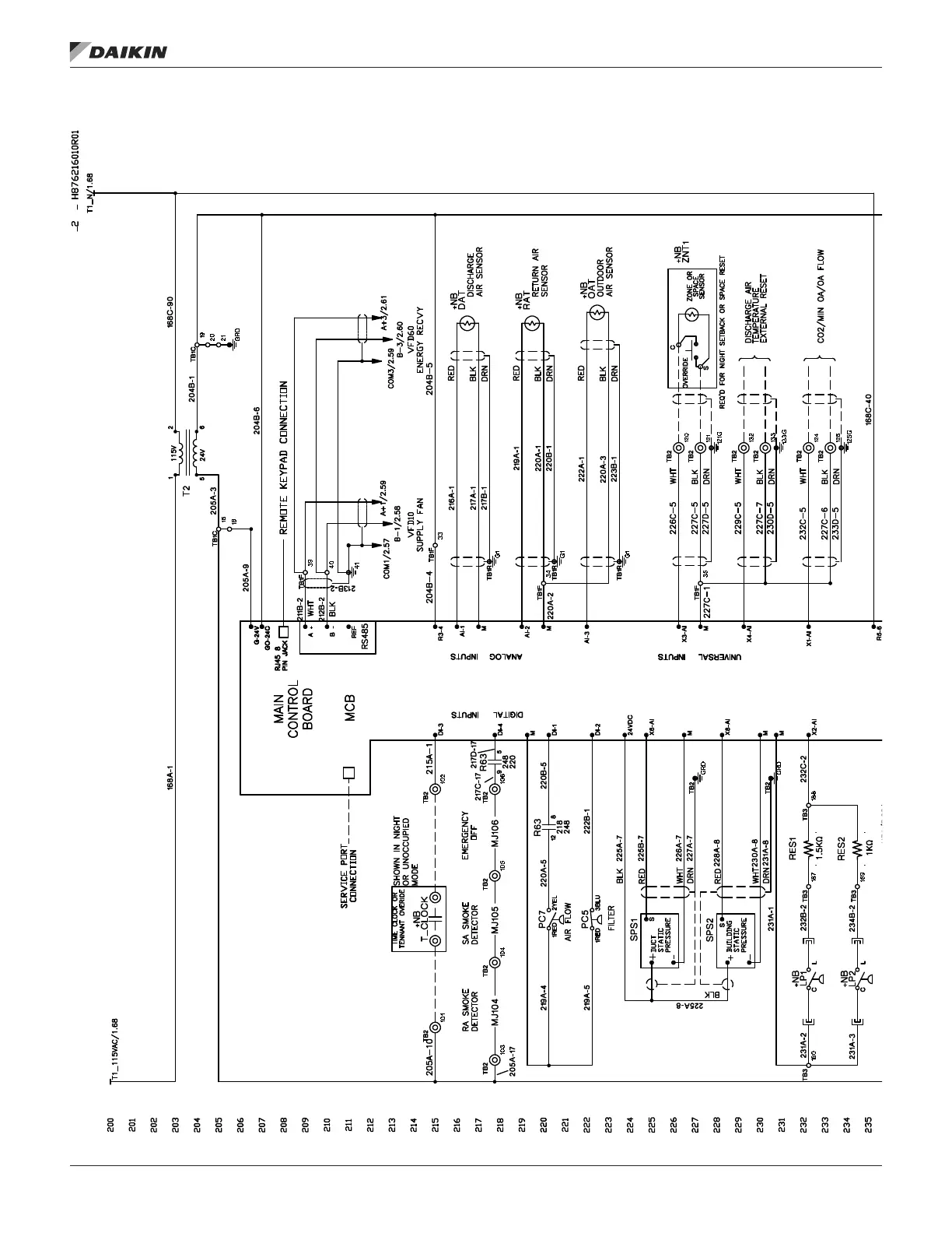
WIrInG dIaGrams
Figure 77: Energy Recovery Main Control Board
IM 1058-8 • MAVERICK II ROOFTOP SYSTEMS 88 www.DaikinApplied.com
WIrInG dIaGrams

Table of Contents

Related product manuals