EasyManua.ls Logo

Daikin WAA - Console WSHP Size 009-019, All Voltages, 60 Hz; Single Phase, Mark IV Board with Manual Changeover (MCO) Boilerless Constant Fan

Daikin WAA
36 pages
Print Icon
To Next Page IconTo Next Page
To Next Page IconTo Next Page
To Previous Page IconTo Previous Page
To Previous Page IconTo Previous Page
Loading...
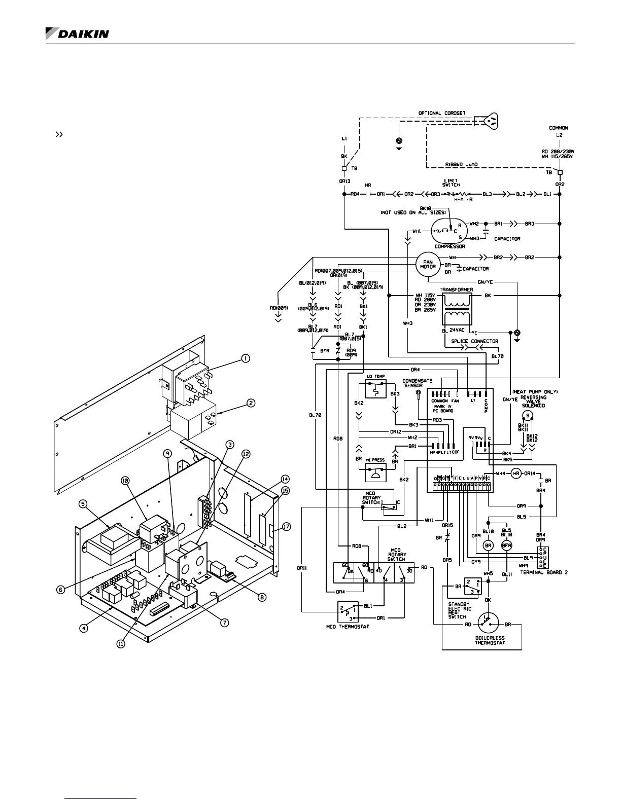
typiCal Wiring diagraMs
Console WSHP Size 009019, All Voltages, 60Hz / Single Phase, Mark IV Board with
Manual Changeover (MCO) Boilerless Constant Fan
- Plug Connection
TB - Terminal Block
ACO - Automatic Changeover
MCO - Manual Changeover
BR - Boilerless Relay
HR - Heater Relay
Component Layout
1. Rotary Switch
2. Thermostat
3. Terminal Block
4. PC Board
5. Transformer
6. Boilerless Relay
7. Shutdown Relay
8. Auxiliary Relay
9. Heater Relay
10. Water Reg Valve Relay
11. Low Limit Thermostat
12. Night Setback Thermostat
14. Terminal Board 1
15. Terminal Board 2
17. Standby Electric Heat Switch
Notes:
1. Terminal block on PC board provides 24
VAC at terminals C and R. All other
terminals are 24 VDC output.
2. All temperature and pressure switches
are normally closed.
3. Component layout is typical, some
components shown may not be used.
IM 447-11 30 www.DaikinApplied.com

Table of Contents

Related product manuals