EasyManua.ls Logo

Dake SE712 - Electrical Components

Dake SE712
28 pages
Print Icon
To Next Page IconTo Next Page
To Next Page IconTo Next Page
To Previous Page IconTo Previous Page
To Previous Page IconTo Previous Page
Loading...
Dake Corporation
724 Robbins Road
Grand Haven, MI 49417
www.dakecorp.com
18 REV022019
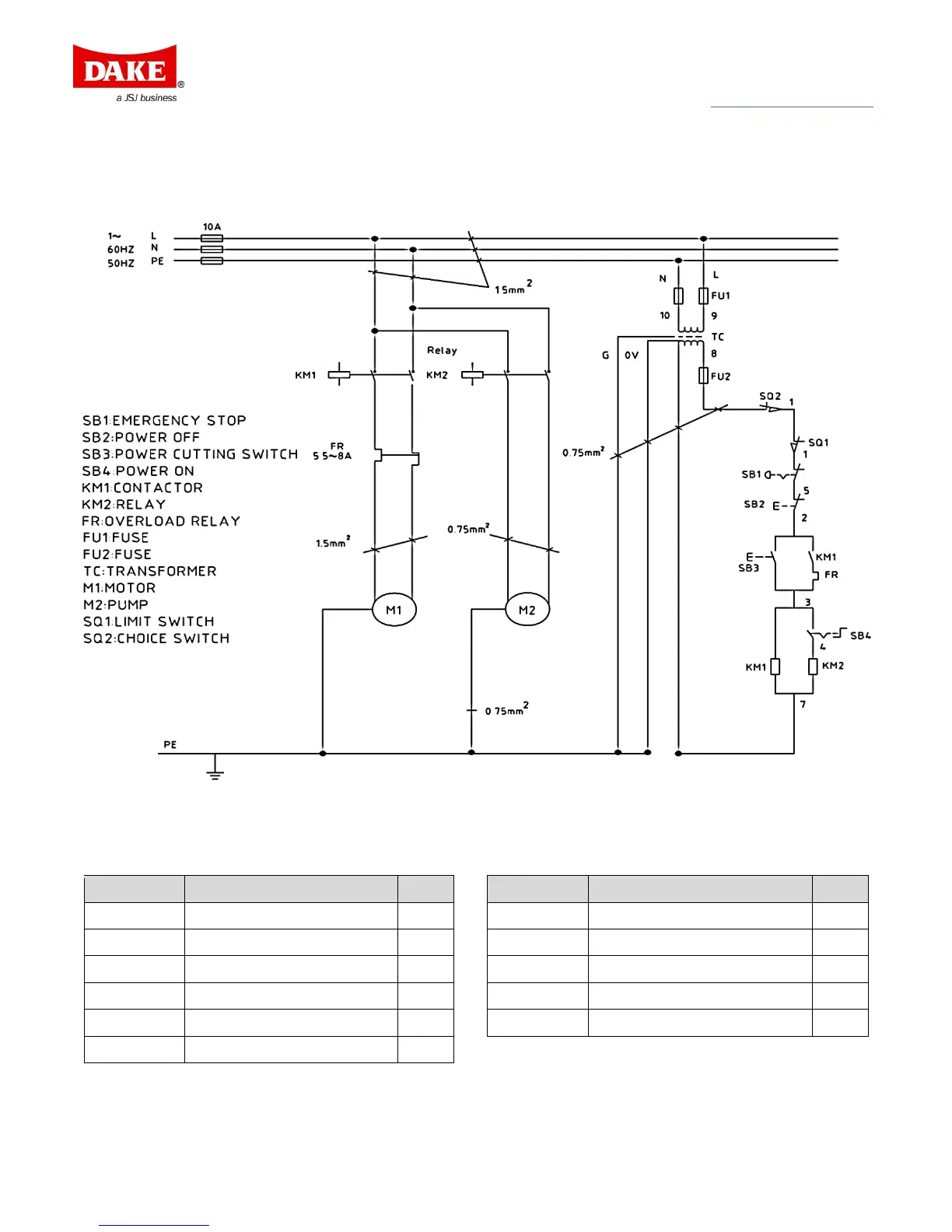
ELECTRICAL COMPONENTS
Part No.
Part Name
Qty
Part No.
Part Name
Qty
301461
Electrical box
1
716558
Coolant on/off button
1
301462
Connector 24 volt
1
716540
Start button (green)
1
301795
Overload
1
716539
Stop button (red)
1
300828
Relay (orange)
1
716538
Emergency Stop
1
302409
Motor reset button
1
300733
Limit switch (end of cut)
1
73326011
Transformer
1

Related product manuals