EasyManua.ls Logo

Danfoss EPU 2370

Danfoss EPU 2370
48 pages
To Next Page IconTo Next Page
To Next Page IconTo Next Page
To Previous Page IconTo Previous Page
To Previous Page IconTo Previous Page
Loading...
BC-HM VI.72.M4.02 Danfoss 11/97 19
P6.0 Actual temperature at sensor S6
Display of actual temperature at sensor S6.
Sensor S6 can be used as follows:
- Lower sensor in hot-water-service storage tank in a tank-charging system (cutout
temperature).
- Compensation sensor, heating, refrigeration and ventilation systems.
P6.1 Required temperature at sensor S6
Display of temperature required at sensor S6 (reference temperature for decoupling
hot-water-service charging system when two sensors are used).
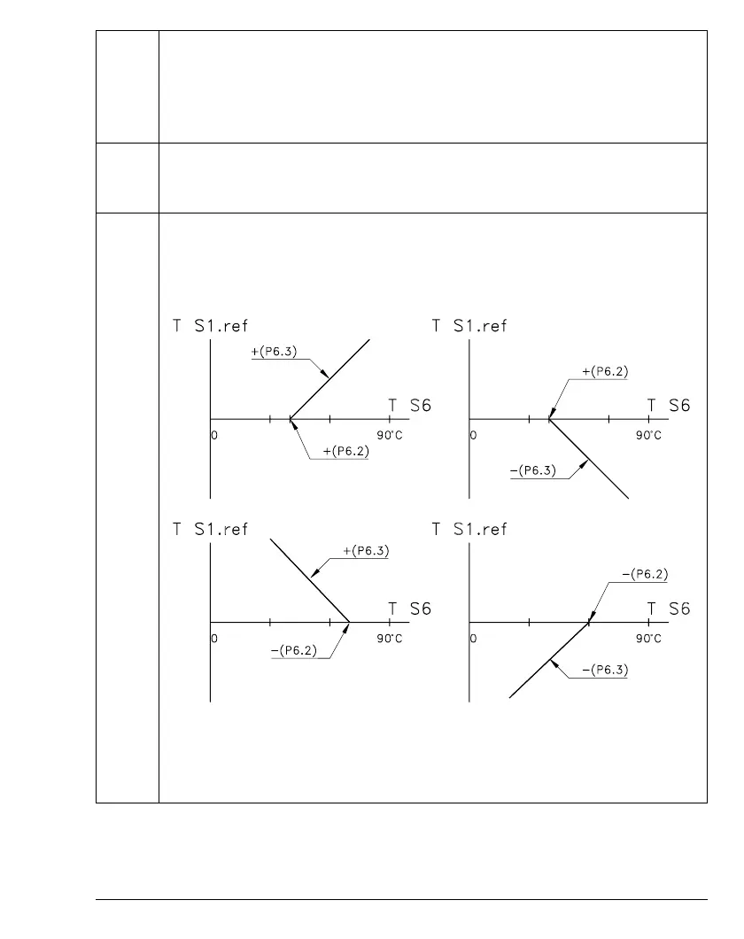
P6.2 System 1: Storage tank temperature differential: ±(0-90) K
Setting of differential between cutin and cutout temperatures in tank-charging
system.
System 2-6: Compensation I: ±(0-90)°C
Setting of temperature giving base point for compensation I.
Compensation influences sensor S1 reference.
The value indicates the temperature at which compensation begins. The sign
indicates maximum or minimum compensation.
(+): max. compensation
(-): min. compensation

Related product manuals