EasyManua.ls Logo

Danfoss TTS300 - Figure 16-6 TTH;TGH Second Stage Housing View; Figure 16-7 TTH;TGH Discharge Side View

Danfoss TTS300
114 pages
Print Icon
To Next Page IconTo Next Page
To Next Page IconTo Next Page
To Previous Page IconTo Previous Page
To Previous Page IconTo Previous Page
Loading...
82 of 114
M-AP-001-EN Rev. Q
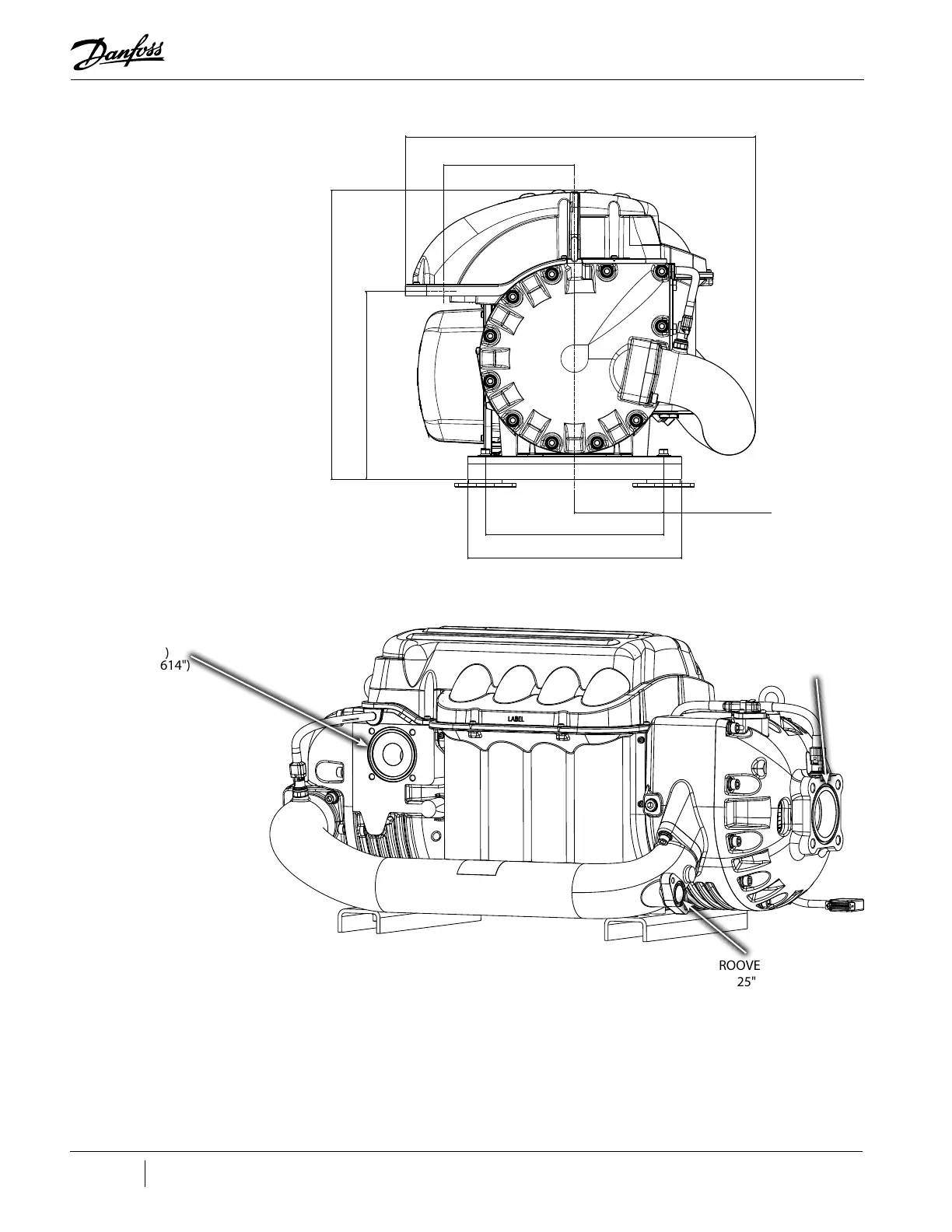
Figure 16-6 TTH/TGH Second Stage Housing View
Figure 16-7 TTH/TGH Discharge Side View
Front view
Scale: 1:1
150(5.9”)
300(11.81”)
360(14.17”)
316.1(12.44”)
487.23(19.18”)
220(8.66”)
589.56(23.21”)
O-RING GROOVE
OD: 88.9 (3.499")
WIDTH: 4.1 (0.1614")
ID: 80.7 (3.177")
O-RING GROOVE
OD: 41.3 (1.625")
WIDTH: 4.1 (0.1614")
ID: 33.1 (1.30")
O-RING GROOVE
OD: 98.4 (3.87")
ID: 90.2 (3.55")
Width: 4.1 (0.16")

Table of Contents

Other manuals for Danfoss TTS300

Related product manuals