EasyManua.ls Logo

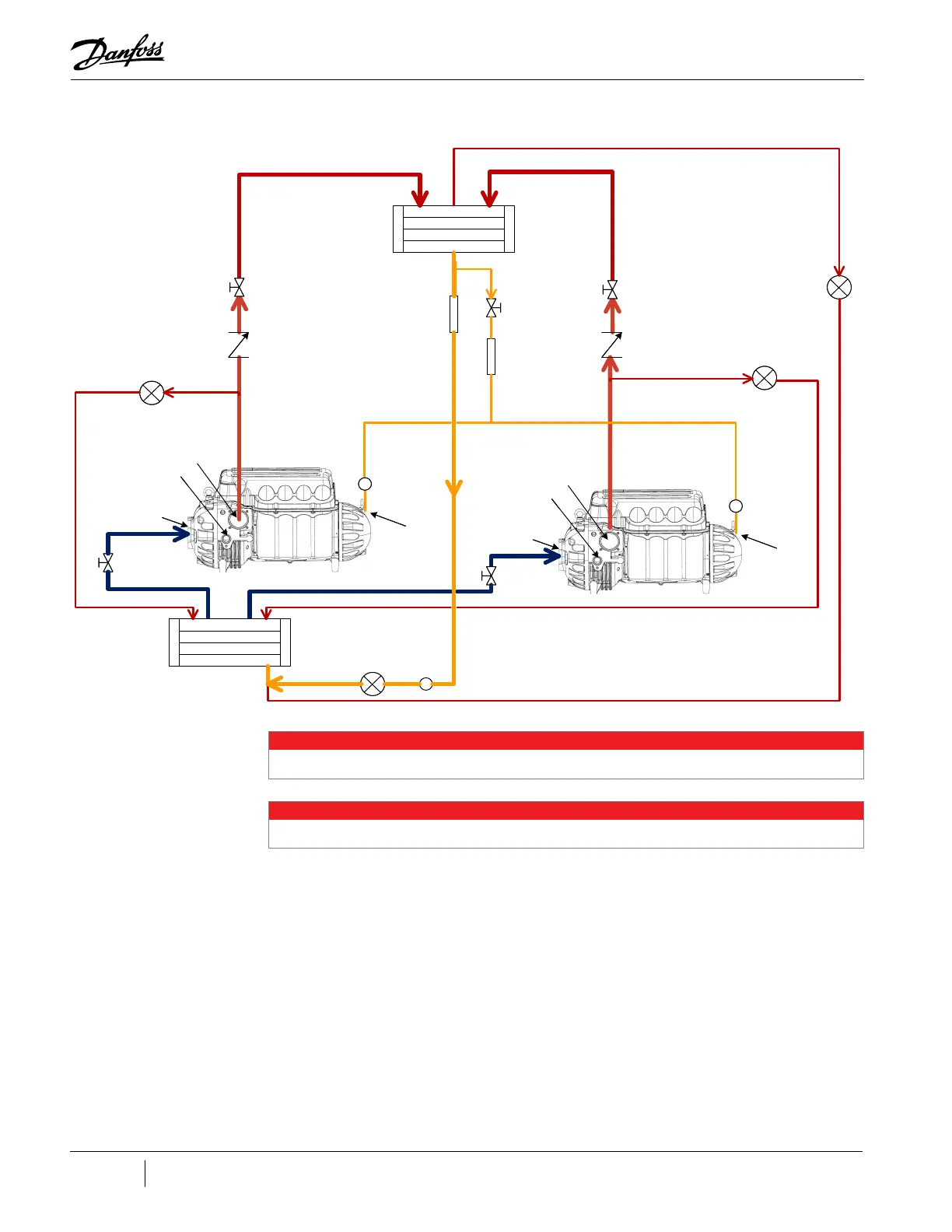
Danfoss TTS700 - Figure 14-8 Multiple Compressors Single Circuit Piping Schematic

Danfoss TTS700
114 pages
Print Icon
To Next Page IconTo Next Page
To Next Page IconTo Next Page
To Previous Page IconTo Previous Page
To Previous Page IconTo Previous Page
Loading...
72 of 114
M-AP-001-EN Rev. Q
Figure 14-8 Multiple Compressors Single Circuit Piping Schematic
NOTE
Contact Danfoss LLC for compressor selection and further technical advice.
Motor Cooling
Port
Suction
Port
Economizer
Port
Discharge Port
Motor Cooling
Port
Suction
Port
Economizer
Port
Discharge Port
Motor Cooling
Port
(with integral
strainer)
Suction
Port
Economizer
Port
Discharge Port
Motor Cooling
Port
(with integral
strainer)
Suction
Port
Economizer
Port
Discharge Port
Sight
Glas s
Sight
Glas s
**
**
Filter/
Dr ier
Filter/
Dr ier
EXV
Sig ht
Glass
Staging
Valve
Staging
Valve
Staging
Valve
Staging
Valve
**
**
Sight
Glass
Sight
Glass
Check
Valv e
Check
Valve
Load
Balance
Valve
Condenser with Subcooler
Evaporator
Filter/
Dr ier
Filter/
Dr ier
**
(optional)
NOTE
*Service valves are optional.

Table of Contents

Other manuals for Danfoss TTS700

Related product manuals