EasyManua.ls Logo

Darfon H5000 - Introduction; Product Overview

Darfon H5000
33 pages
Print Icon
To Next Page IconTo Next Page
To Next Page IconTo Next Page
To Previous Page IconTo Previous Page
To Previous Page IconTo Previous Page
Loading...
I N S T A L L A T I O N M A N U A L H 5 0 0 0 H Y B R I D I N V E R T E R
R e v . 2 © 2 0 1 7 D a r f o n E l e c t r o n i c s C o r p . 4 | P a g e
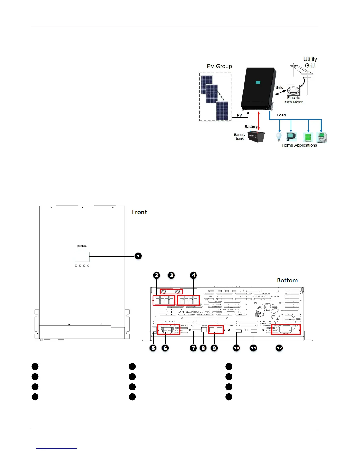
INTRODUCTION
The H5000 hybrid inverter provides power to the essential
load by utilizing power from PV panels, the utility and batteries.
When the PV panels (two string input) generates enough
power, the inverter supports the essential load, feeds back to
the grid and charges the batteries, all at the same time. When
the energy generated by the PV panels is not sufficient to
support the essential load, the inverter takes power from the
utility.
To accommodate various power situations, the H5000 is
designed to handle continuous power from PV panels,
batteries and the utility. When the MPP input voltage from the
PV panels is within the acceptable range, between 250 and
430VDC, the inverter is able to feed the grid and charge the
batteries. This inverter is only compatible with single
crystalline and polycrystalline PV panels, and any other type of PV panels cannot be used.
Note: When PV input voltage is lower than 250V, the power of the inverter will de-rate. This hybrid inverter has two PV
input.
Product Overview
Display Panel
Multi-inverter Communication Port
AC Grid Connectors
RS485_MS Communication Port
Breaker for Grid Power
RS485_SL Communication Port
Output Load Connectors
Battery Connectors
12
8
4
11
7
3
10
6
2
9
5
1
BASIC HYBRID PV STORAGE SYSTEM OVERVIEW

Related product manuals