EasyManua.ls Logo

dataTaker DT80 - External Power

dataTaker DT80
417 pages
Print Icon
To Next Page IconTo Next Page
To Next Page IconTo Next Page
To Previous Page IconTo Previous Page
To Previous Page IconTo Previous Page
Loading...
UM-0085-B09 DT80 Range User Manual Page 287
RG
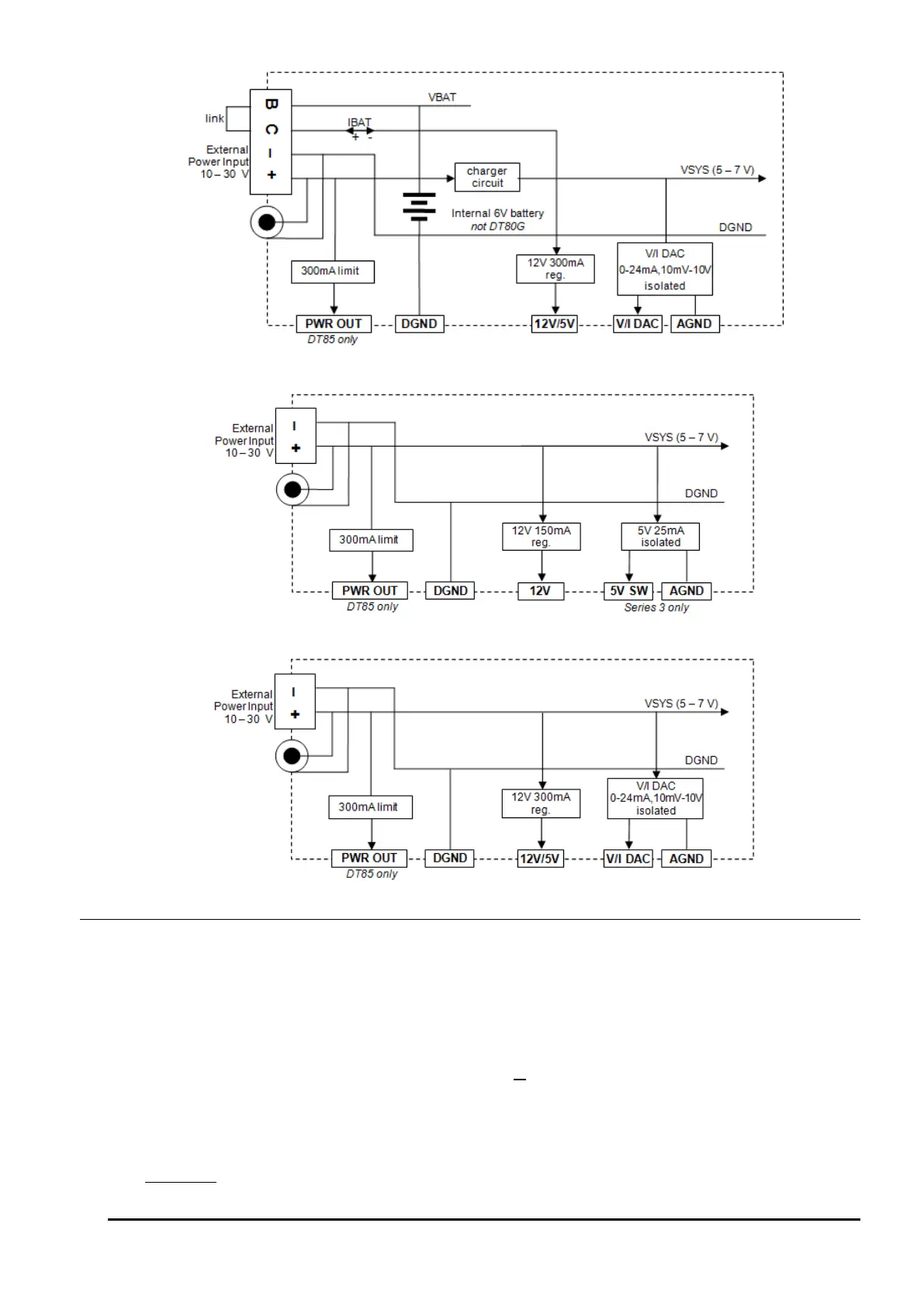
Figure 120: DT80/ 82I/ 85 series 4 internal power subsystem
Figure 121: DT82E/ 80L/ 85L series 2 and 3 internal power subsystem
Figure 122: DT82E/ 80L/ 85L series 4 internal power subsystem
External Power
The DT80 is normally powered by an external 10-30V DC supply. This might, for example, be:
a mains supply (e.g. using the supplied plug pack)
a 12V or 24V solar charged external battery
a 12V or 24V vehicle supply
This external power supply may be connected in one of two ways, using either:
the round plug pack power socket (inner pin is positive), or
the rightmost two terminals (- and +) of the adjacent 4-way removable screw terminal power connector. This
provides a more robust connection
Internally these two connectors are wired in parallel, so you can for example power the unit via the plugpack and then
draw power from the screw terminals for powering external relays or sensors.
Note: Switch mode power supplies can introduce noise into analog readings and are therefore not normally recommended for powering
the DT80.

Table of Contents

Other manuals for dataTaker DT80

Related product manuals