EasyManua.ls Logo

dataTaker DT80 - Digital Channels; About the Digital I;O Channels

dataTaker DT80
417 pages
Print Icon
To Next Page IconTo Next Page
To Next Page IconTo Next Page
To Previous Page IconTo Previous Page
To Previous Page IconTo Previous Page
Loading...
UM-0085-B09 DT80 Range User Manual Page 331
RG
Digital Channels
The DT80 provides:
4 bidirectional digital I/O channels (1D-4D) with open drain output driver and pull-up resistor (3 channels 1D-3D
for DT81/82E);
4 bidirectional digital I/O channels (5D-8D) with tri-stateable output driver and weak pull-down resistor (SDI-12
compatible) (1 channel 4D for DT81/82E, none for DT82I);
1 voltage free latching relay contact output (RELAY)
1 LED output (Attn)
4 hardware counter inputs (1C-4C) which can be used as independent counter channels or as two quadrature
(phase encoder) inputs (one only phase encoder input on DT81). Channels 1C and 2C are low threshold
capable.
For detailed specifications, see Digital Inputs and Outputs (P380).
About the Digital I/O Channels
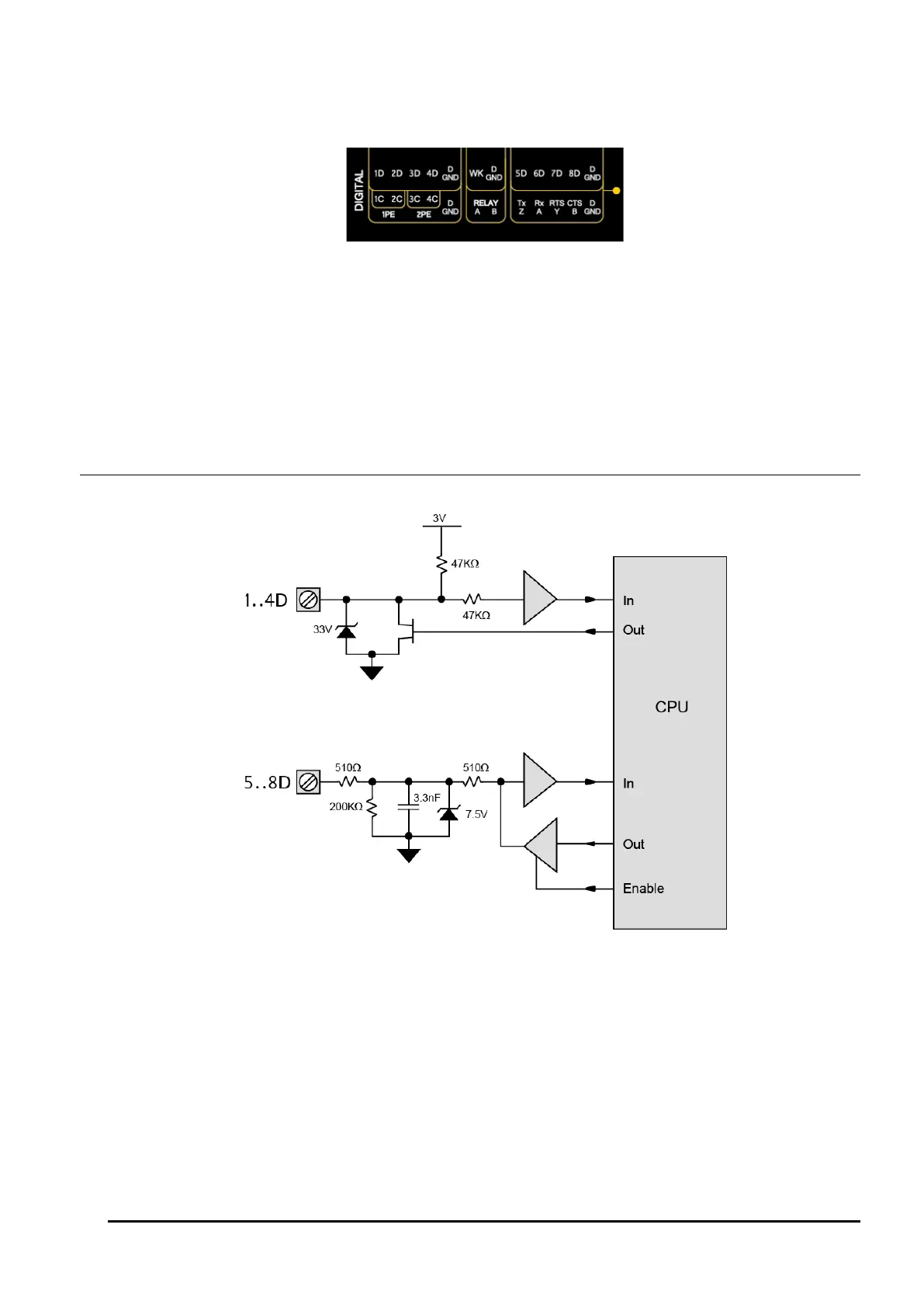
Figure 154: Digital Circuit (DT80 channel numbers shown)
Figure 141 shows a simplified circuit diagram for the DT80’s eight digital I/O channels. As can be seen, the channels can
be divided into two groups, 1D-4D and 5D-8D (1D-3D and 4D for DT81/82E). While these two groups have different
hardware characteristics (discussed below), all eight channels are accessed and used in much the same way.
Each of the digital channels is bidirectional; it can be used as either:
a digital input (for monitoring the state of a relay or logic signal), or
a digital output (for driving a relay or other control device)
Warning: Beware of conflicts when using the DT80’s bi-directional digital channels (1D to 8D). For example, if a device such as a PLC
is actively driving one of these channels and you program the DT80 to also drive the same channel as an output (for example,
1DSO=0), then a conflict exists. This has the potential to damage the digital channel or the driving source. We recommend placing a
series resistor between the digital channel and the signal source to limit the current that can be driven into the channel. When choosing
the resistor’s value and power rating, be sure to consider the source’s output voltage, drive current and operating frequency.

Table of Contents

Other manuals for dataTaker DT80

Related product manuals