EasyManua.ls Logo

dataTaker DT80 - Technical Details & Troubleshooting; DT80 Analog Sub-System

dataTaker DT80
417 pages
Print Icon
To Next Page IconTo Next Page
To Next Page IconTo Next Page
To Previous Page IconTo Previous Page
To Previous Page IconTo Previous Page
Loading...
UM-0085-B09 DT80 Range User Manual Page 368
RG
Technical Details & Troubleshooting
DT80 Analog Sub-System
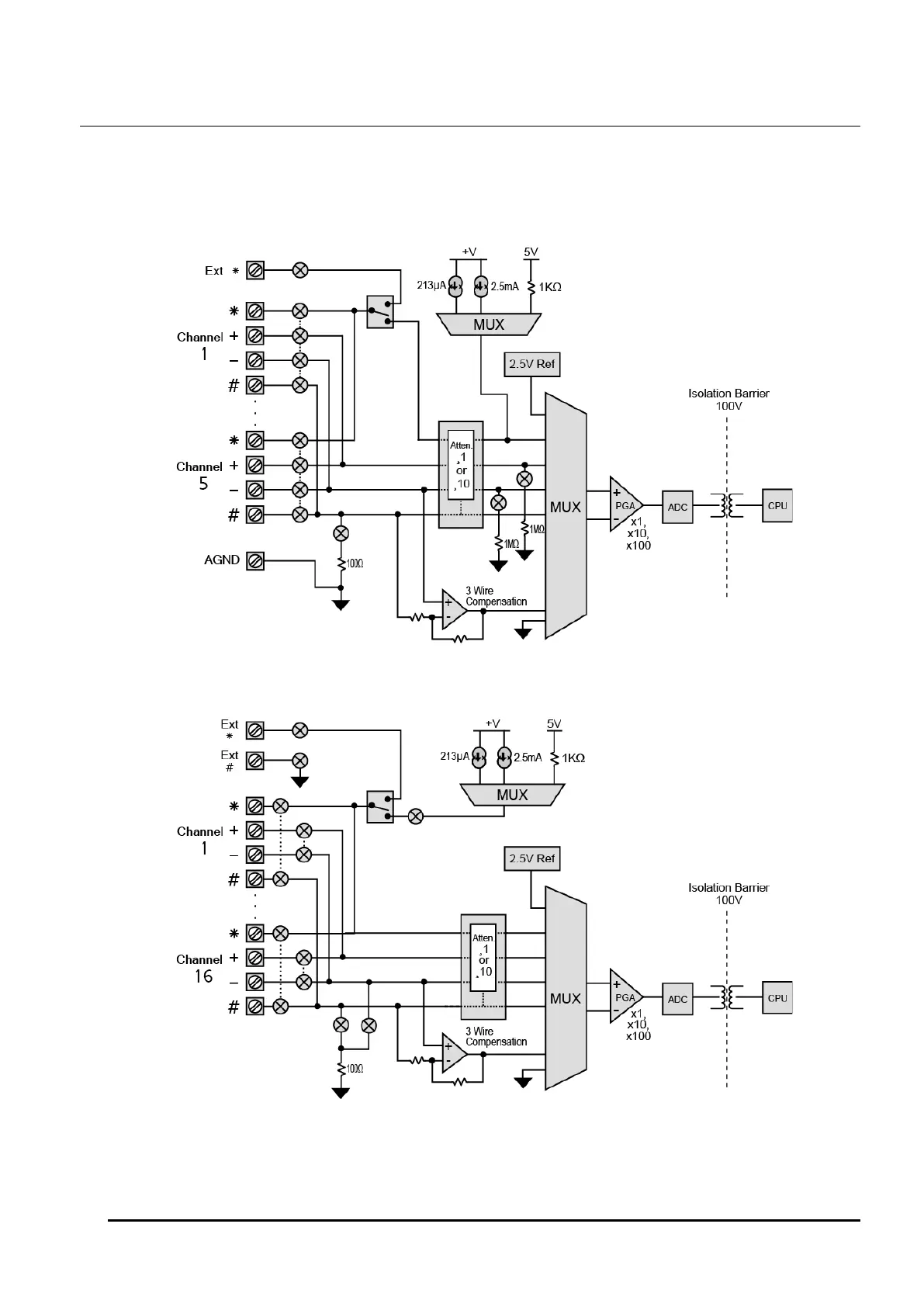
This section provides some technical details on the internal operation on the DT80's analog measurement sub-system.
This will allow the interested user to better understand its characteristics.
A simplified block diagram of the DT80/81's analog sub-system is shown below. In this diagram the circle-X symbols
indicate relay contacts which can connect or disconnect the indicated points.
Figure 168: DT80/ 81 Series 1 Analog Sub-System
The DT80 and DT85's Series 2 analog sub-system is slightly different:
Figure 169: DT80/ 82/ 85 Series 2 Analog Sub-System.
Note1: Series 3 has the same circuit, except that 213uA current source can also be switched through to the *, + or – terminal. This
allows 2-wire resistance measurements on any terminal
Notes2: Series 4 has one more additional 2uA current source available for measuring high resistance
The following sections discuss the various points to note about these diagrams.

Table of Contents

Other manuals for dataTaker DT80

Related product manuals