EasyManua.ls Logo

dbx DriveRack VENU360 - Audio Cable Diagrams

dbx DriveRack VENU360
127 pages
Print Icon
To Next Page IconTo Next Page
To Next Page IconTo Next Page
To Previous Page IconTo Previous Page
To Previous Page IconTo Previous Page
Loading...
11 8
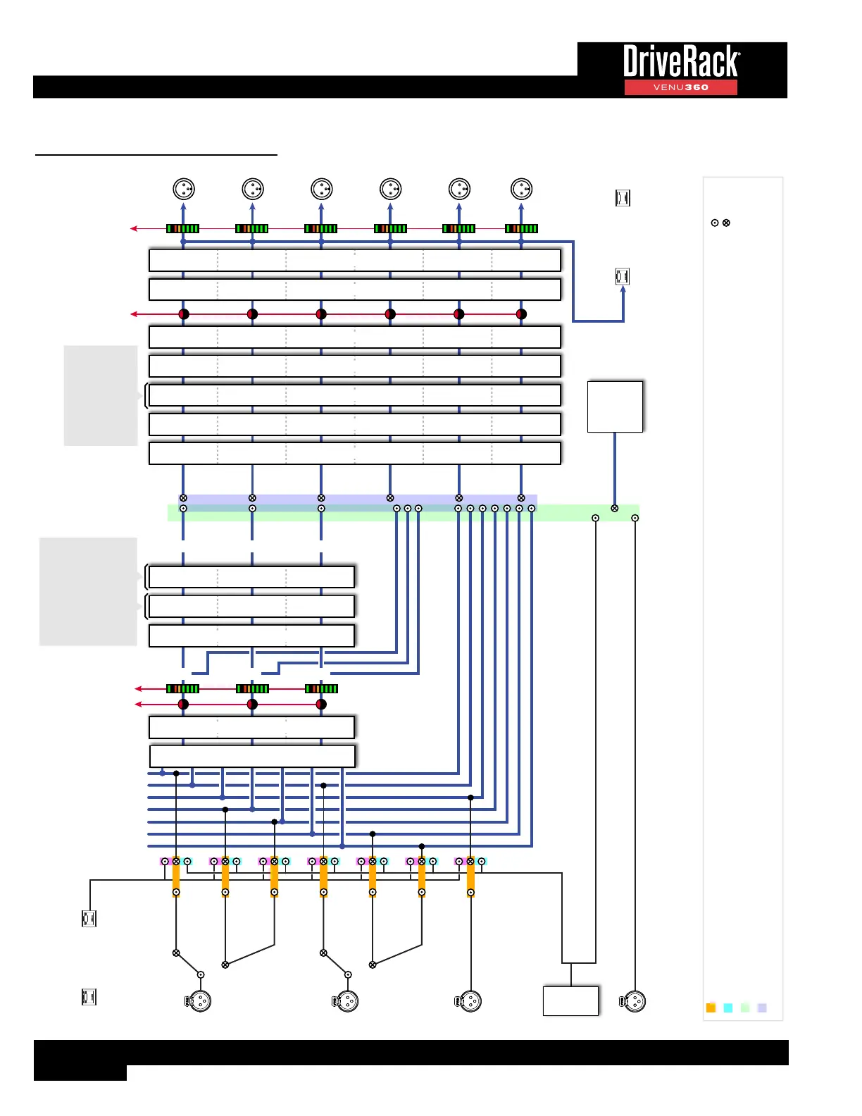
DSP Block Diagram
or
BLU LINK
IN
VENU360-B
DANTE
PRI/SEC
VENU360-D
or
BLU LINK
OUT
VENU360-B
DANTE
PRI/SEC
VENU360-D
IN1
IN2
IN3
IN4
IN5
IN6
IN7
IN7
IN6
IN5
IN4
IN3
IN2
IN1
RTA MIC INPUT
**SIGNAL GENERATOR
SIGNAL GENERATOR
***RTA SOURCE
BUS A MID 1
MID 2
MID 3
MID 4
MID 5
MID 6
BUS 1
BUS 2
BUS 3
BUS B
BUS C
1
2
3
A
B
C
CH1
CH2
CH3
CH4
CH5
CH6
RTA
MIC INPUT
Front-Panel
OUTPUT
Meters
Front-Panel
OUTPUT
Mutes
Front-Panel
MIX/ROUTE
Mutes & Meters
Congurable Inserts:
AGC
Compressor
Noise Gate
Subharmonic Synth
Fill Delay
Congurable Inserts:
AGC
Backline Delay
31-Band Graphic EQ
Compressor
Noise Gate
12-Band Parametric EQ
Subharmonic Synth
*ANALOG1
*AES1
*AES2
*ANALOG3
ANALOG 3
*Default Input channel assignments� Input channel assignments can be edited in VENU360-B and VENU360-D models to include BLU link or Dante channels�
**Signal Generator can be routed to any single input (IN1-IN7) or all inputs simultaneously (IN1-IN7)� Input channels are “unrouted” when Signal Generator is routed to a channel�
***RTA source selections includes: RTA Mic Input, Signal Generator, IN1-IN7, or Buses (including bus summing options listed below)�
The following routing/mixing options are available for each output procesing chain: IN1, IN2, IN3, IN4, IN5, IN6, IN7, mix all inputs (IN1-IN7), Bus 1, Bus 2, Bus 3, Bus 1+2 sum, Bus 2+3 sum,
Bus 1+2+3 sum, mix Buses 1/2/3, Bus A, Bus B, Bus C, Bus A+B sum, Bus B+C sum, Bus A+B+C sum, mix Buses A/B/C�
Output
Input
ANALOG 1
AES CH 1 & 2
INPUTS
OUTPUTS
*ANALOG2
*AES3
*AES4
ANALOG 2
AES CH 3 & 4
Inputs (IN1-IN7)
AutoEQs
Advanced Feedback Suppression
Input Inserts 2
Input Inserts 1
Input Routers/Mixers
Real Time
Analyzer
(RTA)
Signal
Generator
Mid Routers/Mixers
Mid Inserts
Crossovers
8-Band Parametric EQs
Limiters
Driver Alignment Delays

Table of Contents

Related product manuals