EasyManua.ls Logo

DCS RDS-486GL - RDS-36 Wiring Schematic

DCS RDS-486GL
30 pages
Print Icon
To Next Page IconTo Next Page
To Next Page IconTo Next Page
To Previous Page IconTo Previous Page
To Previous Page IconTo Previous Page
Loading...
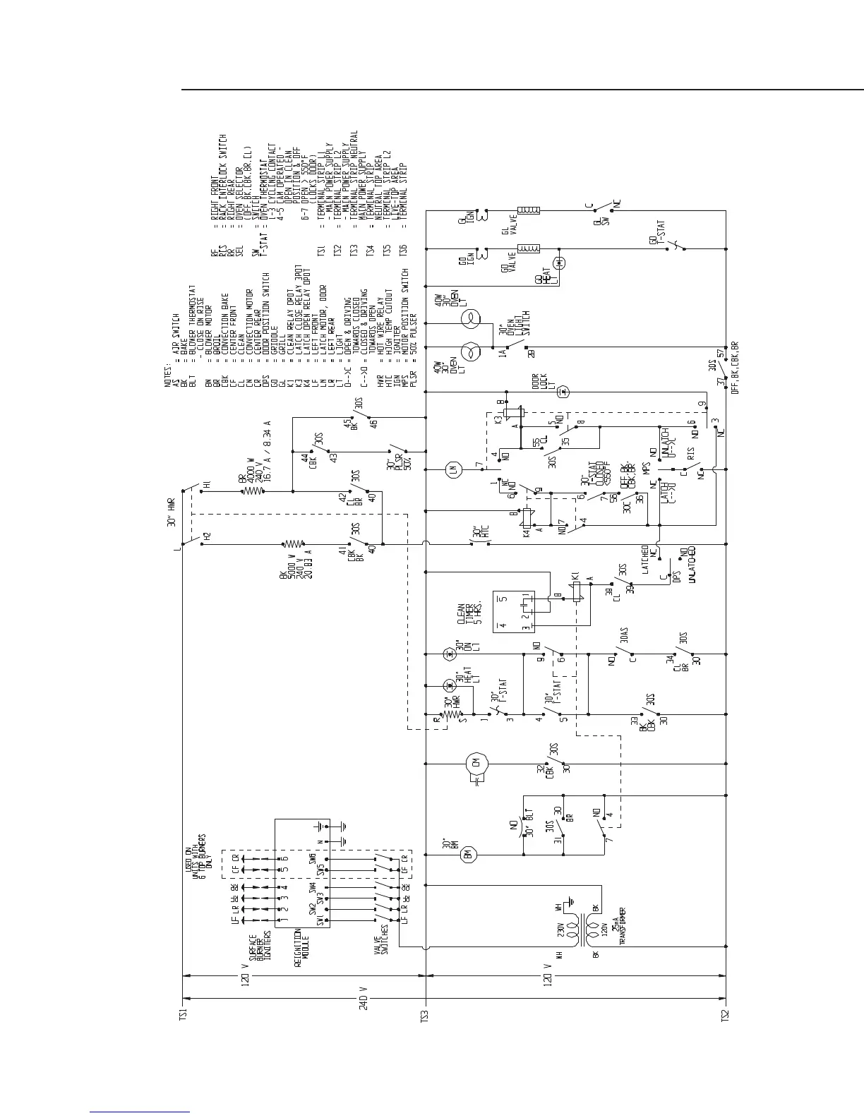
RDS-36 SCHEMATIC
21
17469-02.eps Rev.A 08/02

Related product manuals