EasyManua.ls Logo

DCS RDS-486GL - RDS-305 Wiring Schematic

DCS RDS-486GL
30 pages
Print Icon
To Next Page IconTo Next Page
To Next Page IconTo Next Page
To Previous Page IconTo Previous Page
To Previous Page IconTo Previous Page
Loading...
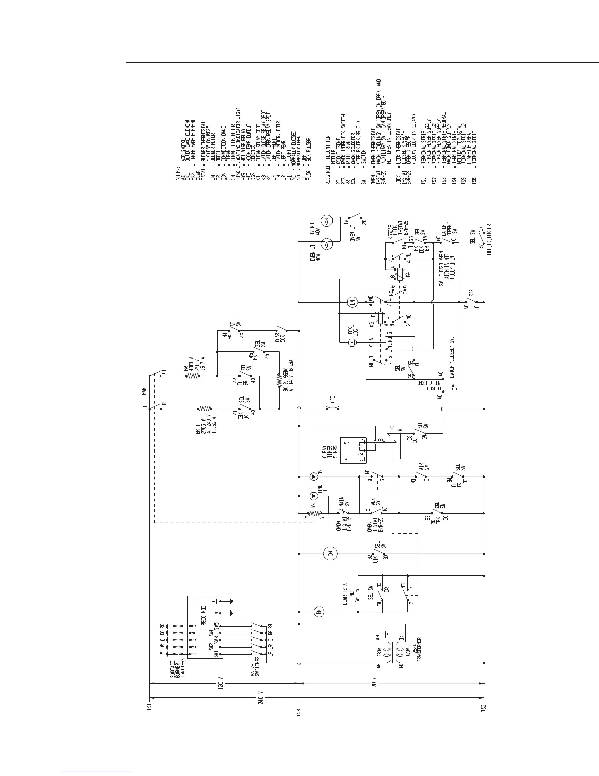
RDS-305 SCHEMATIC
25
17470-02.eps Rev.A 08/02

Related product manuals