EasyManua.ls Logo

DCS RDS-486GL - RDS-485 Wiring Diagram

DCS RDS-486GL
30 pages
Print Icon
To Next Page IconTo Next Page
To Next Page IconTo Next Page
To Previous Page IconTo Previous Page
To Previous Page IconTo Previous Page
Loading...
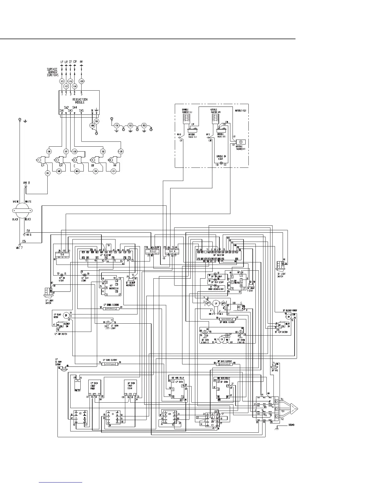
RDS-485 WIRING DIAGRAM
22
17580-01.eps Rev.A 08/02

Related product manuals