EasyManua.ls Logo

Dell E1909W - Chapter 3- Circuit Theory; Block Diagram

Dell E1909W
50 pages
Print Icon
To Next Page IconTo Next Page
To Next Page IconTo Next Page
To Previous Page IconTo Previous Page
To Previous Page IconTo Previous Page
Loading...
Service Manual
5
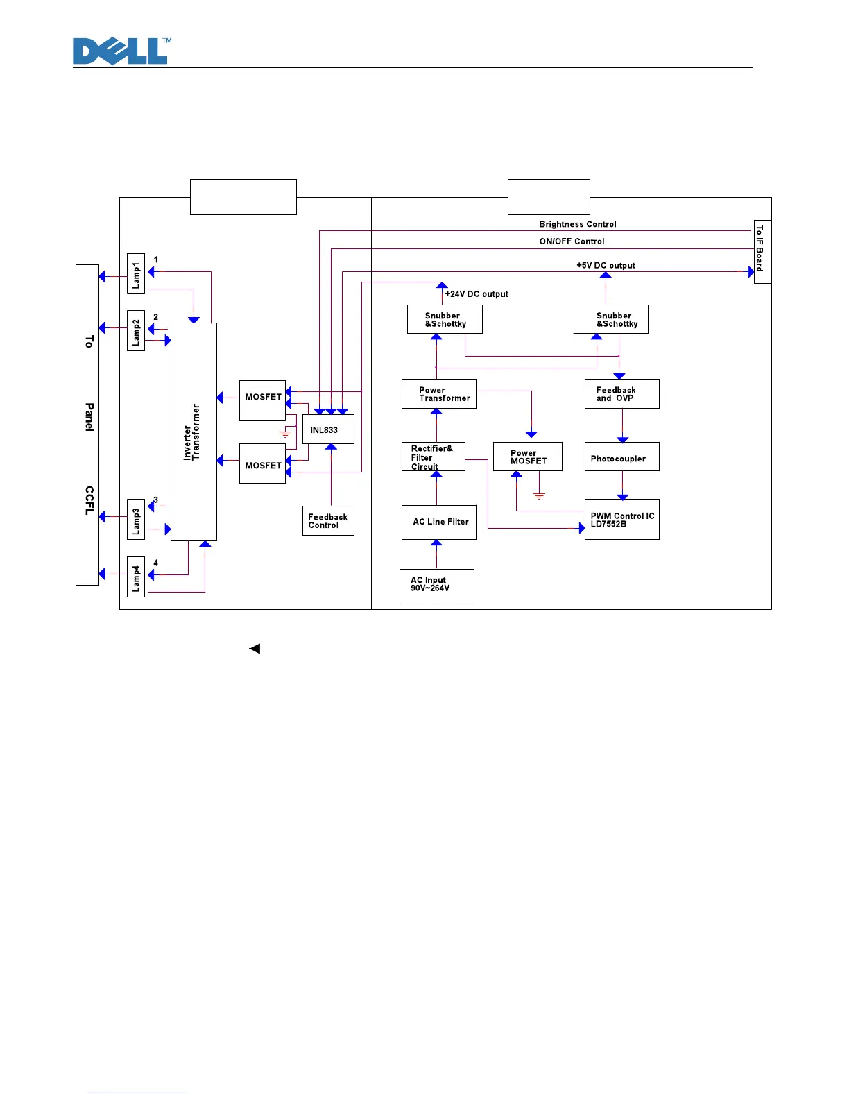
Chapter 3- CIRCUIT THEORY
Block Diagram
There are 4pcs PCBA in this monitor, one is power& inverter board which is a single layer board, one is
interface board , one is keypad which is OSD control. The system function block diagram as below
This PWA is included switching power supplier, inverter for CCFL and interface board.(fig.1)
Fig.1
INVERTER

Related product manuals