EasyManua.ls Logo

Dell E1909W - 2.1. Inverter PWM circuit

Dell E1909W
50 pages
Print Icon
To Next Page IconTo Next Page
To Next Page IconTo Next Page
To Previous Page IconTo Previous Page
To Previous Page IconTo Previous Page
Loading...
Service Manual
7
Electronic Circuit Theory
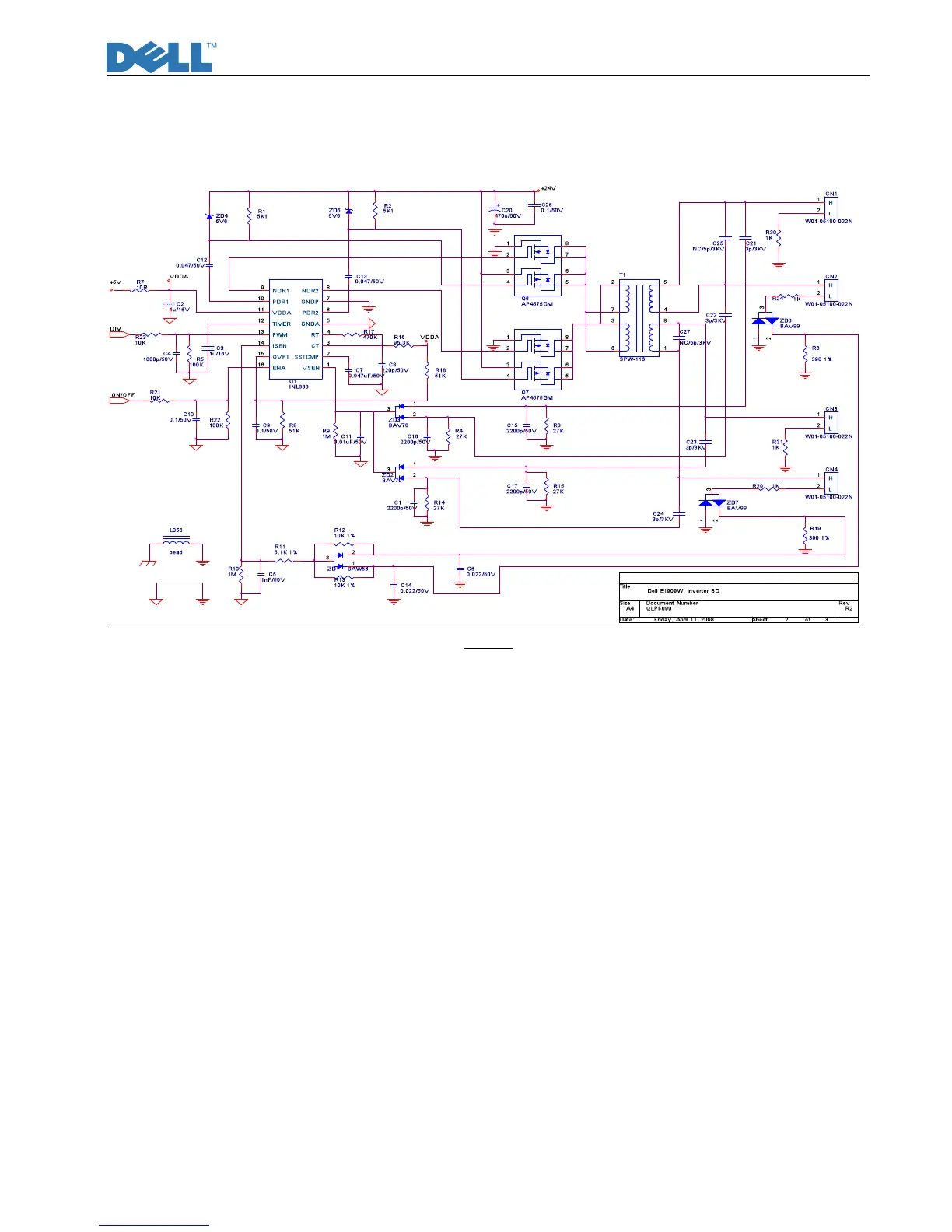
2.1. Inverter PWM circuit
Inverter Control circuit:(fig.2.1)
Fig.2.1
DC_5V through R7 and C2 will provide power for U1 on the pin11.
EN-ON/OFF voltage signal coming from scalar which is on IF BD will enable U1 to work. During start
up,appling a voltage level greater than 2V to ENA(pin16)enables the IC. A voltage less than 1V will disable
the IC.If no current is sensed approximately 2 seconds, U1 shuts off. R21 is used to limit current.C10 is
used to dump noise, C7 is used to soft start, and then the voltage on pin 16 will enable U1.Once the voltage
at the ISEN pin reaches the lamp on threshold, the IC switches from the striking mode to the normal
operation mode and the PWM dimming control is activated.
PWM duty cycle signal through R23 and C4 is on Pin 13(PWM), which adjusted will can change the
brightness of Panel.
The striking and operating frequency is determined by the external resistor (R17/R16 and C8)
connected to Pin 3 and Pin4.
DRV1 and DRV2 of U1 are used to drive Q6 and Q7 . DRV1 and DRV2 are controlled by build-in
PWM IC. Q6 and Q7 are switches which has two build-in N+P IGBTs.
The voltage signal on negative pole of ZD6/ZD7 sensed through R6/R19 comes to Pin14 of U1, ISEN
(Lamp Current Detection & Control). The CCFL current is detected through R6/R19 and reaches a regulated
value. The CCFL current detected at resistor R6/R19 is converted to a voltage level and input to the ISEN
pin.Once the lamps are ignited and the voltage at pin14(ISEN) is >0.7V,the IC enters the normal operating
mode and the PWM dimming control is activated.C5/C6/C14 is used to dump noise. Once the CCFLs are
ignited and current is sensed through resistor R6/R19 ,capacitor C5 performs the loop compensation
function. The voltage at IC pin2 controls the drive duty cycle of the power MOSFETs to regulate the CCFL
current. The control loop regulates the average current through the lamps by adjusting the overlap of the
output drives.
The transformer (T1) secondary winding leakage inductance and output capacitance(C25/C27) forms a
lower pass filter,which converts the square-wave driving signal into a sinusoidal output voltage signal for
CCFL.
The over-voltage protection feature is implemented by using an extermal capacitor

Related product manuals