EasyManua.ls Logo

Delta ASDA-A2

Delta ASDA-A2
37 pages
To Next Page IconTo Next Page
To Next Page IconTo Next Page
To Previous Page IconTo Previous Page
To Previous Page IconTo Previous Page
Loading...
᜗խ-8
ቢ
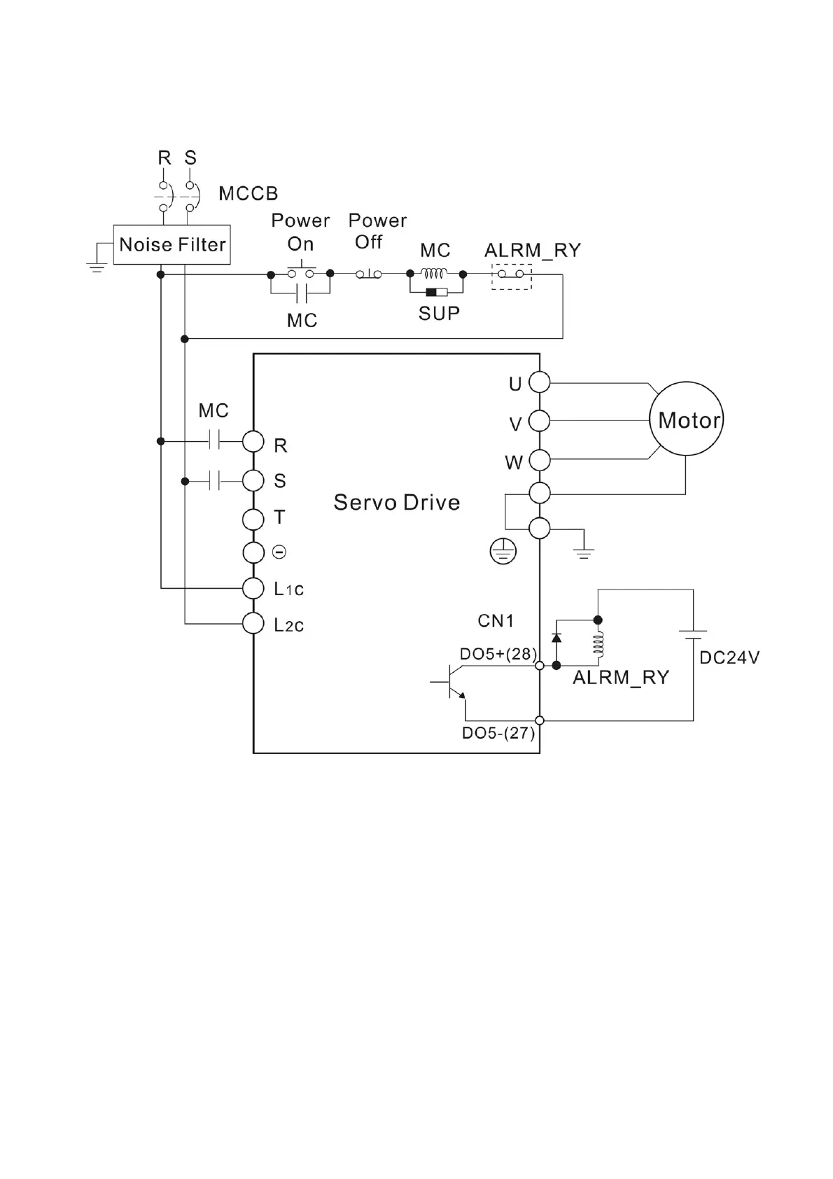
໢ઌሽᄭ൷ᒵΰ1.5kWΰܶαאՀᔞشα

Other manuals for Delta ASDA-A2

Related product manuals