EasyManua.ls Logo

Delta ECMA-C 0807 Series - 3.13 Standard Connection Example - 400 V series

Delta ECMA-C 0807 Series
721 pages
Print Icon
To Next Page IconTo Next Page
To Next Page IconTo Next Page
To Previous Page IconTo Previous Page
To Previous Page IconTo Previous Page
Loading...
Chapter 3 Wiring ASDA-A2
3-70 Revision February, 2017
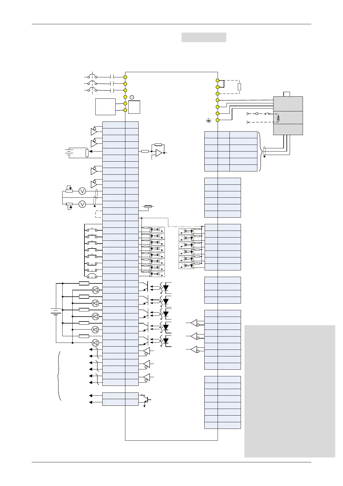
3.13 Standard Connection Example – 400V series
3.13.1 Position (PT) Control Mode
OCZ
GND
48
13
/HPULSE
HPULSE
SIGN
/PULSE
PULSE
/HSIGN
HSIGN
VDD
MON1
GND
MON2
COM+
COM-
DI1
DI2
DI3
DI4
DI5
DI6
DI7
DI8
DO1+
DO2-
DO3-
DO4-
DO2+
DO3+
DO4+
DO5+
DO1-
DO5-
/OA
OA
OB
/OB
/OZ
OZ
/SIGN
12,13,19
45,47,49
41
43
37
36
18
13
40
46
29
38
16
T-REF
GND
/SIGN
SIGN
15
17
11
9
10
34
8
33
32
30
7
6
5
4
3
1
2
26
28
31
21
22
24
50
27
25
23
RS485+
RS232_RX
RS232_TX
GND
RS485-
-
5
6
4
3
1
2
7
5
6
4
3
1
2
COM+
EDI9-
EDI10-
EDI11-
EDI12-
EDI13-
EDI14-
+5V DC
Data-
Data+
GND
4
3
1
2
1,9
3,11
2,10
4,12
5,13
6,14
7,15
8,16
CAN H
CAN L
CAN GND
-
-
-
CAN GND
-
Opt A
+5V
Opt B
Opt /B
Opt /A
Opt Z
Opt /Z
GND
GND
9
7
5
6
3
1
2
8
4
CN7
CN4
CN1
CN5
CN6 CANopen
P
D
C
U
V
W
4.7KΩ
4.7KΩ
4.7KΩ
4.7KΩ
4.7KΩ
4.7KΩ
4.7KΩ
4.7KΩ
4.7KΩ
4.7KΩ
4.7KΩ
4.7KΩ
4.7KΩ
4.7KΩ
R
S
T
24V
0V
MC
MCCB
AC 380/480 V
Three-phase
ASDA-A2 series
SON
CCLR
TCM0
TCM1
ARST
NL
PL
EMGS
1.5KΩ
1.5KΩ
1.5KΩ
1.5KΩ
1.5KΩ
SRDY
ZSPD
TPOS
HOME
ALRM
24V
10KΩ
10KΩ
10KΩ
±10V
10KΩ
10KΩ
DC 24V
SG
BRKREMGS
24V
DC 24V
Power
Supply
4
3
5
6
7
Max. output
current 50mA
Voltage 30V
Servo Drive
A phase pulse
B phase pulse
Z phase pulse
Z phase open
collector
Encoder
Pulse
Output
Twisted-pair or
twisted-shield
cable
Regenerative
Resistor
Red
White
Black
Green Brake
Power Supply
Pulse Input
(Line Driver)
1
High-speed
Pulse Input
(Line Receiver)
2
T+
T-
-
+5V
-
GND
4
7
13,15
14,16
9
5
CN2
CN3
Blue
Blue/Black
-
Black/Black &
White
Red/Red &
White
-
SG
Encoder
Twisted-pair or
twisted-shield
cable
Please note:
*1 Please refer to C3 ~ C4 wiring
diagrams in section 3.4.3.
*2 Please refer to C3 ~ C4 wiring
diagrams in section 3.4.3.
*3 Please refer to C9 ~ C12 wiring
diagrams (SINK / SOURCE mode)
in section 3.4.3.
*4 4.5kW and below drives provide
built-in regenerative resistor.
*5 The coil of brake has no polarity.
*6 For extension digital inputs (DI)
connections (CN7 is an optional
part, not Delta standard supplied
part.).
*7 For USB connection. It is used to
connect to personal computer or
notebook.

Table of Contents

Related product manuals