EasyManua.ls Logo

Delta VFD-ED Series

Delta VFD-ED Series
447 pages
To Next Page IconTo Next Page
To Next Page IconTo Next Page
To Previous Page IconTo Previous Page
To Previous Page IconTo Previous Page
Loading...
Chapter 7 Option Cards | VFD-ED
7-23
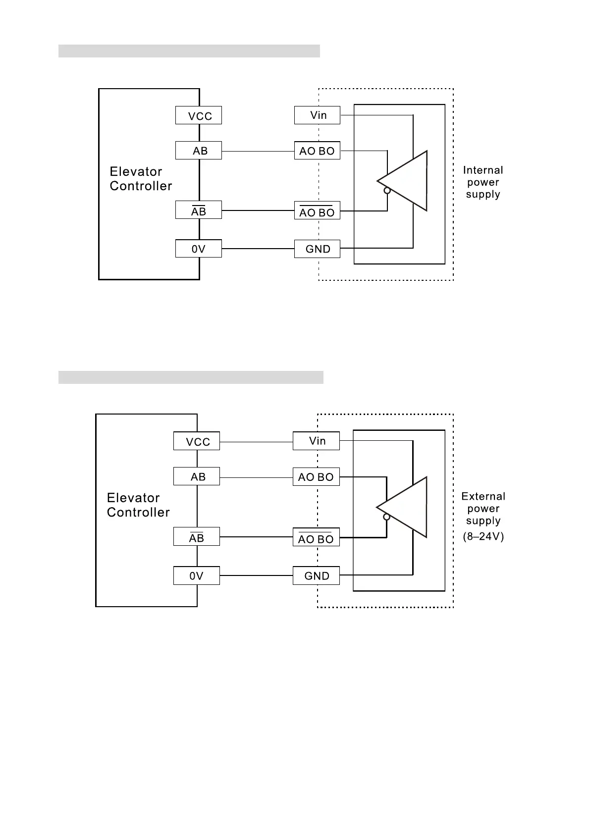
Line Driver Frequency Division (internal power supply)
Figure 7-26
Line Driver Frequency Division (external power supply)
Figure 7-27

Table of Contents

Related product manuals