EasyManua.ls Logo

Delta VFD-ED Series

Delta VFD-ED Series
447 pages
To Next Page IconTo Next Page
To Next Page IconTo Next Page
To Previous Page IconTo Previous Page
To Previous Page IconTo Previous Page
Loading...
12 Descriptions of Parameter Settings | VFD-ED
12-06-16
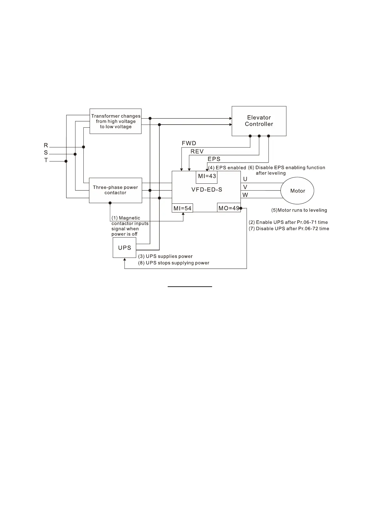
Pr.06-71: At power failure, the contactor sends a MI signal to inform the drive to activate UPS. Then, the
drive sends a MO signal to activate the UPS contactor after Pr.06-71 delay time.
Pr.06-72: After the controller deactivates the emergency power mode, it stops sending a MO signal to
deactivate the UPS power after Pr.06-72 delay time.
Related parameters: multi-function input commands Pr.02-01Pr.02-08 function setting 54 (Power failure
signal) and multi-function output terminals Pr.02-11Pr.02-16 function setting 49 (Emergency power mode
action).
EPS Flow Chart

Table of Contents

Related product manuals