EasyManua.ls Logo

Delta VFD25AMS43AFSHA - Page 25

Delta VFD25AMS43AFSHA
445 pages
Print Icon
To Next Page IconTo Next Page
To Next Page IconTo Next Page
To Previous Page IconTo Previous Page
To Previous Page IconTo Previous Page
Loading...
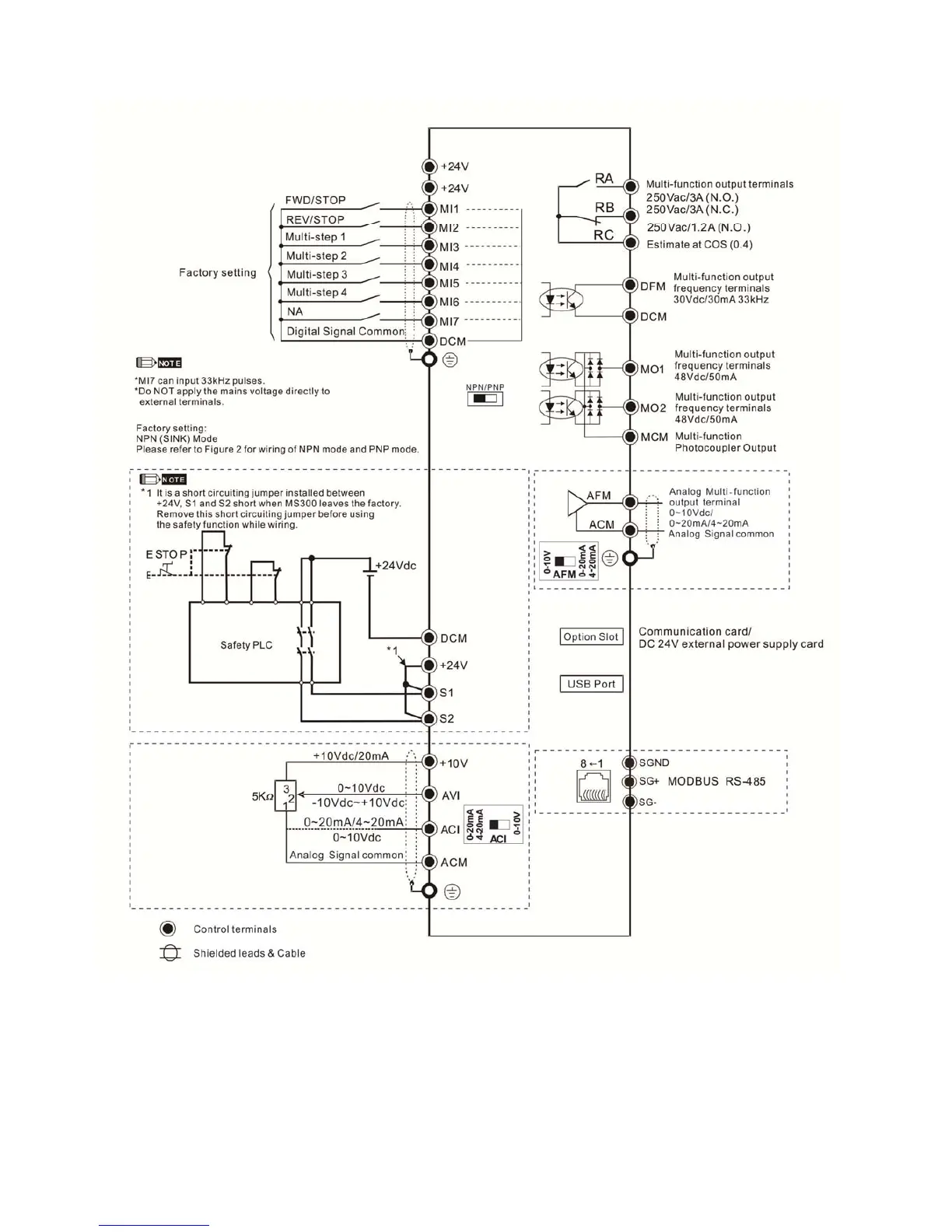
Chapter 4 WiringMS300 (High Speed Model)
4-4
Figure 1

Table of Contents

Related product manuals