EasyManua.ls Logo

Deltronic Security TT-2000 Ticket Eater - Page 37

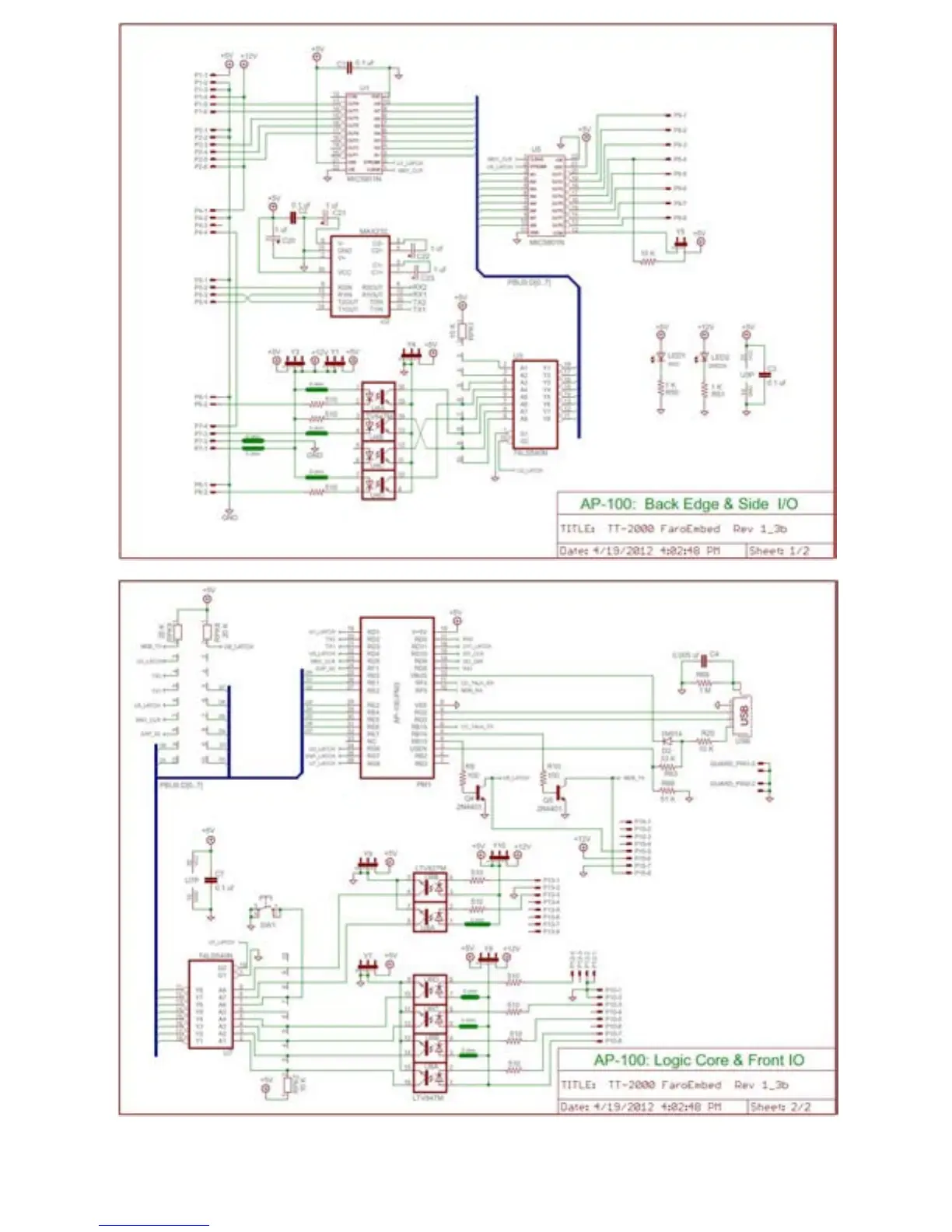
Deltronic Security TT-2000 Ticket Eater
41 pages
Print Icon
To Next Page IconTo Next Page
To Next Page IconTo Next Page
To Previous Page IconTo Previous Page
To Previous Page IconTo Previous Page
Loading...
TT-2000 Ticket Eater by Deltronic Labs February 2013
37